Foram encontradas 40 questões.
Matheus, 14 anos, foi flagrado cometendo ato infracional. A autoridade policial, informando somente à autoridade judiciária competente, entrou na sala de aula, expôs para toda a turma a situação em questão interrogando Matheus e, sem qualquer resistência do adolescente, o algemou e o levou, em compartimento fechado da viatura, para a delegacia. Considerando o caso hipotético, a ação da autoridade policial:
Provas
Considere um sistema com retroação unitária, com G(s) = K/[(s + 2)(s + 4)(s + 5)], utilizando o diagrama de Bode e o critério de Nyquist.

A faixa para a estabilidade é de, aproximadamente:
Provas
Sobre tecnologia dos materiais, marque V para as afirmativas verdadeiras e F para as falsas.
( ) A principal característica dos materiais metálicos está relacionada à forma desordenada com que seus átomos estão arranjados no espaço em que pode ser melhor sintetizado pelo termo “amorfo”.
( ) Os materiais classificados como cerâmicos envolvem substâncias altamente resistentes ao calor e, no tocante à estrutura atômica, podem apresentar arranjo ordenado e desordenado, dependendo de átomo envolvido e da forma de obtenção do material.
( ) Os materiais cerâmicos são construídos apenas por materiais não-metálicos.
( ) Os materiais compósitos, também denominados de materiais conjugados, podem ser descritos como a combinação de dois ou mais diferentes materiais, o que resulta em propriedades não apresentadas pelos constituintes individuais.
( ) Os materiais semicondutores não são sensíveis à presença de minúsculas concentrações de átomos de impureza.
A sequência correta está em
Provas
Em relação à pirâmide da Automação, relacione adequadamente as colunas a seguir.
1. Supervisão, Workstation, PC, IHM.
2. Dispositivos de campo, sensores e atuadores.
3. Controle, PLC, PC, CNC, SDCD.
4. Gerenciamento corporativo, mainframe.
5. Gerenciamento de planta.
( ) Nível 1.
( ) Nível 2.
( ) Nível 3.
( ) Nível 4.
( ) Nível 5.
A sequência correta está em
Provas
Relacione adequadamente as colunas a seguir.
1. Primeira correia transportadora.
2. Controlador lógico programável.
3. Sistemas cyberfísicos.
4. Primeiro tear mecânico.
( ) 1ª Revolução Industrial.
( ) 2ª Revolução Industrial.
( ) 3ª Revolução Industrial.
( ) 4ª Revolução Industrial.
A sequência correta está em
Provas
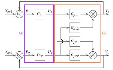
Analise a imagem e considere: Gc1 e Gc2 controladores PID e autovalores reais e distinto.

Para facilitar o ajuste dos controladores PID é necessário projetar uma realimentação de estados por alocação de polos, de forma que o sistema dinâmico equivalente no espaço de estados esteja na forma canônica:
Provas
Classifique as redes industriais a seguir, relacionando adequadamente ao grupo pertencente.
1. Redes predecessoras.
2. Redes proprietárias e de sistemas abertos após 1980.
3. Redes padrão internacional.
( ) Foundation Fieldbus.
( ) Ethernet.
( ) DeviceNet.
( ) Profibus.
( ) CAN.
A sequência correta está em
Provas
O diagrama de comandos elétricos é mais adequado para o seguinte acionamento:

Provas
Uma expressão lógica simplificada para o circuito lógico a seguir é:

Provas
Controlador de processos utilizado que melhor apresenta comportamento servo; porém, com alto sobressinal, é:
Provas
Caderno Container