Foram encontradas 1.568 questões.
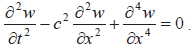
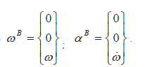
Um elevador possui cabos que promovem o seu movimento.

A equação que descreva a vibração do cabo, assumindo que ele possui uma massa por unidade de comprimento m e que
, é:
Provas
Um motor elétrico é apoiado em 4 molas, cada uma podendo ser modelada como possuindo uma relação linear com o deslocamento, definido por uma constante k.

Se o momento de inércia do eixo central de rotor do motor é J, avalie a sua freqüência natural.
Provas
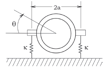
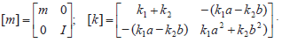
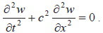
Um veículo pode ser modelado como um corpo rígido de massa m e centro de gravidade em C, acoplado a duas molas lineares de constantes k1 e k2, conforme mostrado na figura a seguir.

A matriz de massa e a matriz de rigidez associadas à dinâmica do veículo, são, respectivamente:
Provas
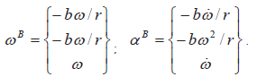
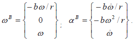
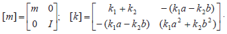
O disco circular B de raio r rola sem deslizar sobre o disco C, fixo, devido a uma velocidade angular
em torno do eixo vertical z.

A velocidade angular e a aceleração angular do disco B, são, respectivamente:
Provas
Considere um dispositivo construído para avaliar o torque em um eixo circular a partir da medição da deformação em um extensômetro colado em um ponto P da superfície do eixo, conforme mostra a figura. Obtenha uma expressão que relacione o torque no eixo AB, T, com o valor da deformação medida pelo extensômetro, y.
Admita que o eixo de raio r possui módulo elástico, E, coeficiente de Poisson, v; e um momento polar de inércia, J.

Provas
Considere um sistema mola-massa-polia mostrado na figura a seguir. Determine a sua freqüência natural sabendo-se que a constante da mola é k e que se desprezam o atrito e a massa da polia.

Provas
Analise a alternativa que apresente os modos de transferência de calor:
Provas
Em um ciclo ideal de refrigeração à compressão de vapor, o condensador é responsável pela:
Provas
O ar a 20º C escoa sobre uma placa de 1m2 a uma temperatura de 250o C. Sabendo que o coeficiente de transferência de calor é 25 W/m2 º C, avalie a transferência de calor.
Provas
Um sistema composto de uma massa de gás ideal é comprimido segundo um processo isotérmico. Sobre a entalpia do sistema, pode-se afirmar que:
Provas
Caderno Container