Foram encontradas 1.568 questões.
Uma máquina térmica ideal recebe calor a 140 ºC e rejeita o excesso não utilizado a 10 ºC. Idealmente, o máximo rendimento térmico dessa máquina é de, aproximadamente:
Provas
Com relação ao processo de tratamento térmico denominado têmpera, pode-se afirmar que, predominantemente, o resultado acarreta a formação de:
Provas
Os inversores são conversores eletrônicos utilizados para o acionamento de motores de indução em aplicações de velocidade variável, como a tração elétrica. Considere as seguintes afirmativas a respeito dos inversores:
I. Os inversores fonte de tensão (VSI) apresentam uma corrente constante em sua saída, independentemente da carga conectada.
II. A modulação por largura de pulso (PWM) é o método mais comum para controlar a tensão de saída AC do inversor.
III. Os dispositivos mais utilizados em inversores comerciais são os MOSFETS.
IV. Em aplicações de tração elétrica, o dispositivo mais utilizado em inversores é o GTO.
Estão corretas apenas as afirmativas:
Provas
Em relação a componentes e circuitos elétricos, é correto afirmar que:
Provas
Um motor de indução de quatro pólos opera em regime permanente acionando carga cuja equação torque (MC) X velocidade (N) é dada por MC = k2N, onde k2 é uma constante. Se a curva torque (MM) X velocidade (N) do motor nas proximidades da velocidade síncrona (N0) pode ser aproximada pela equação MM = k1 (N0 – N), onde k1 é uma constante, o escorregamento do motor nessa situação é:
Provas
Deseja-se calcular o ângulo da carga de um circuito trifásico simétrico e equilibrado de seqüência de fases ABC. Para tanto, instalam-se dois wattímetros, um alimentado por corrente I A e tensão VAC , que lê a potência P1 , e outro alimentado por corrente I B e tensão VBC , que lê a potência P2 . A tangente do ângulo da impedância da carga é:
Provas
O circuito a seguir está em regime permanente quando a chave S é fechada. O valor da corrente que circula pela chave S imediatamente após o fechamento é:

Provas
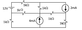
O menor número de equações de malha para se resolver o circuito a seguir é:

Provas
Ainda em relação a componentes e circuitos elétricos, é correto afirmar que:
Provas
Em relação a equipamentos de medição, avalie as afirmativas a seguir:
I. Possuindo-se um amperímetro, com fundo de escala apropriado para a medição da corrente que passa em uma carga, cujo valor da reatância conhecemos, e conhecendose a tensão aplicada, é possível determinar o valor da potência ativa dissipada pela carga.
II. O wattímetro não se presta a medição de potência de circuitos de corrente contínua, pois esta não produz variação de campo magnético, assim como a tensão contínua também não produz variações no campo magnético e, portanto, não possibilita conjunção dos campos necessários para movimentar o ponteiro do medidor.
III. Dispondo-se de um voltímetro e um amperímetro, adequados às medidas as quais se pretende realizar em corrente alternada, podemos encontrar o valor da potência ativa dissipada em uma impedância desde que se conheçam os valores da tensão e corrente medida por esses aparelhos.
Assinale:
Provas
Caderno Container