Foram encontradas 50 questões.
Texto para a questão.
Na tabela da NBR 5410 a seguir são apresentadas as relações entre a seção transversal de condutores de cobre e suas respectivas capacidades de condução de corrente, dadas em ampères.
|
Seções nominais mm2 |
Métodos de referência indicados na tabela 33 | |||||||||||
| A1 | A2 | B1 | B2 | C | D | |||||||
| Número de condutores carregados | ||||||||||||
| 2 | 3 | 2 | 3 | 2 | 3 | 2 | 3 | 2 | 3 | 2 | 3 | |
| (1) | (2) | (3) | (4) | (5) | (6) | (7) | (8) | (9) | (10) | (11) | (12) | (13) |
| Cobre | ||||||||||||
| 0,5 | 7 | 7 | 7 | 7 | 9 | 8 | 9 | 8 | 10 | 9 | 12 | 10 |
| 0,75 | 9 | 9 | 11 | 10 | 11 | 10 | 11 | 10 | 13 | 11 | 15 | 12 |
| 1 | 11 | 10 | 11 | 10 | 14 | 12 | 13 | 11 | 15 | 14 | 18 | 15 |
| 1,5 | 14,5 | 13,5 | 14 | 13 | 17,5 | 15,5 | 16,5 | 15 | 19,5 | 17,5 | 22 | 18 |
| 2,5 | 19,5 | 18 | 18,5 | 17,5 | 24 | 21 | 23 | 20 | 27 | 24 | 29 | 24 |
|
4 |
26 | 24 | 25 | 23 | 32 | 28 | 30 | 27 | 36 | 32 | 38 | 31 |
| 6 | 34 | 31 | 32 | 29 | 41 | 36 | 38 | 34 | 46 | 41 | 47 | 39 |
| 10 | 46 | 42 | 43 | 39 | 57 | 50 | 52 | 46 | 63 | 57 | 63 | 52 |
| 16 | 61 | 56 | 57 | 52 | 76 | 68 | 69 | 62 | 85 | 76 | 81 | 67 |
| 25 | 80 | 73 | 75 | 68 | 101 | 89 | 90 | 80 | 112 | 96 | 104 | 86 |
| 35 | 99 | 89 | 92 | 83 | 125 | 110 | 111 | 99 | 138 | 119 | 125 | 103 |
| 50 | 119 | 108 | 110 | 99 | 151 | 134 | 133 | 118 | 168 | 144 | 148 | 122 |
| 70 | 151 | 136 | 139 | 125 | 192 | 171 | 168 | 149 | 213 | 184 | 183 | 151 |
| 95 | 182 | 164 | 167 | 150 | 232 | 207 | 201 | 179 | 258 | 223 | 216 | 179 |
| 120 | 210 | 188 | 192 | 172 | 269 | 239 | 232 | 206 | 299 | 259 | 246 | 203 |
NBR 5410.
Um engenheiro eletricista de uma empresa que trabalha com instalações elétricas deseja dimensionar condutores de um circuito monofásico e o disjuntor que o protegerá contra sobrecargas. Para a referida instalação, sabe-se que os condutores deverão ser instalados seguindo o método A1 e a corrente de projeto do circuito será igual a 25,5 A. Antes de avaliar a coordenação dos condutores com o dispositivo de proteção contra sobrecargas, o engenheiro analisou os critérios de dimensionamento expostos na NBR 5410, definindo preliminarmente uma seção transversal de 4 mm2 para os condutores. Em seguida, a partir de uma avaliação dos equipamentos e dispositivos disponíveis no almoxarifado da empresa, o engenheiro listou dados de corrente nominal de cinco disjuntores, conforme apresentado na tabela a seguir.
| Código do disjuntor | Corrente nominal |
| D1 | 16 A |
| D2 | 20 A |
| D3 | 25 A |
| D4 | 32 A |
| D5 | 40 A |
Nessa situação hipotética, considerando-se os dados apresentados anteriormente na tabela de capacidade de condução dos condutores e assumindo-se que todos os disjuntores listados atendam ao critério de disparo para uma correta coordenação com os condutores, é correto afirmar que a seção transversal dos condutores será
Provas

No contexto da análise de circuitos elétricos, o conhecimento das relações de tensão e corrente dos elementos básicos de circuitos, como resistores, indutores e capacitores, é de fundamental importância durante a análise de sistemas, operem eles no regime de corrente contínua ou de corrente alternada. Essas relações são consideradas para avaliar o comportamento de circuitos durante situações transitórias, ou mesmo durante o seu regime permanente de operação. Considerando o circuito CC ilustrado na figura acima, assinale a alternativa que apresenta os valores corretos da tensão Vs e da corrente Is indicadas na figura, assumindo que o circuito se encontre operando em regime permanente.
Provas

A figura acima apresenta a forma de onda da corrente que passa por um elemento de um circuito elétrico. Conforme ilustrado, para t < 0 s e t > 3 s, a corrente é nula, enquanto variações da sua amplitude são verificadas no intervalo dado por 0 ≤ t ≤ 3 s. Sabendo que, no instante inicial t = 0 s, a carga é nula, assinale a alternativa que apresenta corretamente a contabilização da carga que flui pelo elemento ao longo do tempo.
Provas
No contexto mundial, o Brasil figura como um dos países que possuem maior participação da hidreletricidade na produção total de energia elétrica. Entretanto, nos últimos anos, tem-se verificado uma maior participação de fontes alternativas de geração de energia não hidráulica, a exemplo da geração eólica, solar e termelétrica. Com base no contexto apresentado, é correto afirmar que
Provas
No processo de geração de energia hidráulica, os rotores dos geradores elétricos devem ter seus eixos fisicamente conectados a turbinas, as quais podem apresentar diferentes características, a depender da altura das quedas d'água. Em relação às turbinas tradicionalmente utilizadas em usinas hidrelétricas, julgue os seguintes itens.
I Em turbinas do tipo Francis, sabe-se que o fluxo de água penetra radialmente no seu rotor, cujas pás são estáticas.
II No contexto da geração de energia em usinas hidrelétricas, pode-se dizer que as turbinas consistem nos equipamentos responsáveis pela conversão da energia hidráulica dos volumes de água represados em energia elétrica.
III Por utilizar apenas a energia da água em forma de pressão, a turbina do tipo Pelton é conhecida também como turbina hidráulica de reação.
Assinale a alternativa correta.
Provas
Na NBR 5419, intitulada Proteção contra Descargas Atmosféricas, são apresentados conceitos relacionados aos Sistemas de Proteção contra Descargas Atmosféricas (SPDA). Esses sistemas têm como objetivo principal direcionar e dissipar à terra descargas atmosféricas ocasionadas por nuvens eletrificadas, evitando danos às estruturas, edificações e pessoas. A respeito dos SPDA, é correto afirmar que
Provas
A Agenda Habitat consiste em um documento aprovado por consenso pelos países participantes da Segunda Conferência das Nações Unidas (Habitat II), realizada na cidade de Istambul, Turquia, em 1996. Neste documento, são delineadas ações conjuntas que envolvem governo e sociedade para formação de uma visão positiva dos assentamentos humanos sustentáveis, onde todos possam ter moradia digna em um meio ambiente sadio e seguro. Em relação à Agenda Habitat, assinale a alternativa correta.
Provas

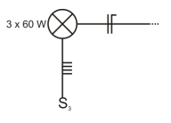
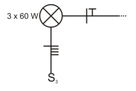
Em uma determinada instalação elétrica, três lâmpadas de 60 W são comandadas por um interruptor de três seções, conforme ilustrado na figura acima. Assinale a alternativa que apresenta corretamente o diagrama unifilar desse circuito.
Provas

A figura acima mostra a tela de autenticação (login) do Windows 8. O botão
localizado no canto inferior esquerdo da tela, é destinado a
Provas
Um anagrama de determinada palavra é uma “palavra” — que pode ou não ter significado — formada pelas mesmas letras da palavra dada inicialmente. Assim, a quantidade de anagramas que se pode formar com a palavra TERRACAP, de modo que as quatro primeiras letras sejam os anagramas de RRAA — as letras repetidas da palavra dada — é
Provas
Caderno Container