Foram encontradas 1.195 questões.
No Brasil, o uso da metodologia BIM no desenvolvimento e
na gestão de projetos e no gerenciamento e no controle de
obras tem crescido ao longo das últimas décadas. Com
relação às dimensões atribuídas ao modelo BIM, o nível de
informação associado ao planejamento e à análise de tempo é o:
Provas
Questão presente nas seguintes provas
Ao realizar a tarefa de medição periódica dos serviços
executados em uma obra, o fiscal do contrato deve ter
conhecimento das especificações dos serviços, dos
materiais a empregar, dos processos construtivos
preconizados e dos critérios de medição estipulados. Em
qual documento os critérios a serem seguidos na medição
dos serviços estão explicitados?
Provas
Questão presente nas seguintes provas
De acordo com a Norma NR10 de segurança em instalações
e serviços em eletricidade, o memorial descritivo do projeto
deve conter a indicação de posição dos dispositivos de
manobra dos circuitos elétricos com as cores:
Provas
Questão presente nas seguintes provas
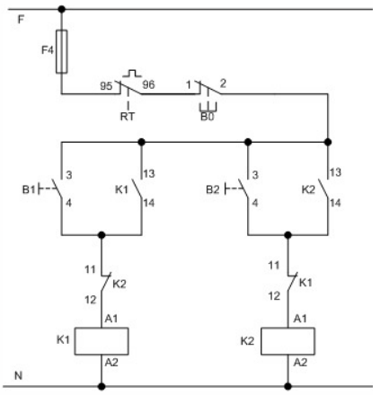
A figura a seguir mostra o diagrama de comando de uma partida direta, com reversão, de motores de indução trifásicos, em que K1 é responsável pelo acionamento direto e K2, pelo reverso.

No diagrama de comando mostrado, a função dos contatos auxiliares 11/12 do contator K1, normalmente fechado, é
Provas
Questão presente nas seguintes provas
Os métodos de partida de motores de indução trifásicos têm
a finalidade de reduzir a corrente de partida, reduzindo o
risco de danos ao sistema elétrico. O método que permite o
aumento gradual e contínuo de tensão no motor, mantendo
a frequência constante, é:
Provas
Questão presente nas seguintes provas
Em instalações elétricas de baixa tensão, o uso de
dispositivos de proteção à corrente diferencial-residual é
denominado proteção adicional contra choques elétricos,
com corrente diferencial-residual nominal igual ou inferior a:
Provas
Questão presente nas seguintes provas
Um transformador monofásico de 100 kVA e tensões
primária e secundária de 2 kV / 200 V possui resistência por
fase de 0,2 ohms no lado de alta-tensão. Tendo como base
os valores nominais do transformador, o valor da resistência
em sistema por unidade é de:
Provas
Questão presente nas seguintes provas
Circuitos elétricos trifásicos alimentados por fontes ideais de
tensões trifásicas equilibradas na conexão Y, com
aterramento no ponto neutro, podem alimentar cargas
trifásicas desequilibradas também conectadas em Y, na
conexão denominada de YY. Esta conexão pode ser
realizada a quatro fios, com a presença do condutor de
neutro, ou a três fios, na ausência do condutor de neutro.
Considerando que as cargas em Y são desequilibradas, os
desequilíbrios na conexão YY a quatro fios e na conexão YY
a três fios manifestam-se, respectivamente, na forma de:
Provas
Questão presente nas seguintes provas
O relé de proteção direcional de sobrecorrente, função ANSI
67, tem como principal característica a sensibilidade à
direção do fluxo da corrente de falta. Desta forma, a
proteção direcional atua apenas para as correntes de falta
em um determinado sentido de fluxo previamente ajustado
(sentido de atuação do relé). A proteção de sobrecorrente
por meio de relés de proteção direcional de sobrecorrente é
aplicada na proteção de:
Provas
Questão presente nas seguintes provas
Quando da ocorrência de uma falta para terra em uma
subestação de alta-tensão, as correntes dispersas pelo
sistema de aterramento provocam o surgimento de
diferenças de potencial entre:
Provas
Questão presente nas seguintes provas
Cadernos
Caderno Container