Foram encontradas 1.899 questões.
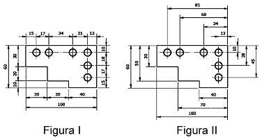
A respeito dos princípios de desenho técnico industrial, julgue os
itens seguintes.
Nas figuras abaixo, para reduzir erros na fabricação, a cotagem mostrada na figura II é preferível à mostrada na figura I.itens seguintes.

Provas
Questão presente nas seguintes provas

Com referência ao sistema de projeções ortogonais e à figura acima,
cada um dos seguintes itens apresenta uma proposta de associação
entre uma ou mais vistas dessa figura e a descrição dessa(s) vista(s),
que deve ser julgada certa se constituir descrição consentânea com
o referido sistema, ou errada, em caso negativo.

Provas
Questão presente nas seguintes provas

Com referência ao sistema de projeções ortogonais e à figura acima,
cada um dos seguintes itens apresenta uma proposta de associação
entre uma ou mais vistas dessa figura e a descrição dessa(s) vista(s),
que deve ser julgada certa se constituir descrição consentânea com
o referido sistema, ou errada, em caso negativo.

Provas
Questão presente nas seguintes provas
Nas retas paralelas, R e S, que distam 10 cm uma da outra, marcaram-se 4 pontos na reta R e 5 pontos na reta S; dois pontos adjacentes em uma mesma reta distam 7 cm um do outro. Julgue o item que se segue, acerca dos triângulos cujos vértices são escolhidos entre esses 9 pontos.
A quantidade máxima de triângulos distintos que podem ser formados a partir desses 9 pontos é igual a 60.
A quantidade máxima de triângulos distintos que podem ser formados a partir desses 9 pontos é igual a 60.
Provas
Questão presente nas seguintes provas
Alberto, Bruno, Sérgio, Janete e Regina assistirão a uma peça de teatro sentados em uma mesma fila, lado a lado. Nessa situação, julgue o item subsequente.
Caso Janete e Regina sentem-se nas extremidades da fila, então a quantidade de maneiras distintas de como essas 5 pessoas poderão ocupar os assentos é igual a 24.
Caso Janete e Regina sentem-se nas extremidades da fila, então a quantidade de maneiras distintas de como essas 5 pessoas poderão ocupar os assentos é igual a 24.
Provas
Questão presente nas seguintes provas
Alberto, Bruno, Sérgio, Janete e Regina assistirão a uma peça de teatro sentados em uma mesma fila, lado a lado. Nessa situação, julgue o item subsequente.
Considere que Sérgio e Janete sentem um ao lado do outro. Nesse caso, a quantidade de maneiras distintas de como as 5 pessoas poderão ocupar os assentos é igual a 48.
Considere que Sérgio e Janete sentem um ao lado do outro. Nesse caso, a quantidade de maneiras distintas de como as 5 pessoas poderão ocupar os assentos é igual a 48.
Provas
Questão presente nas seguintes provas
Com base nos conceitos e aplicações de custos, julgue os itens de 27 a 33.
Um dos problemas mais comuns em estudos de regressão diz respeito à utilização dos chamados outliers. Algum ou alguns dados muito discrepantes em relação ao conjunto das observações podem tornar imprópria a aplicação do método de regressão. Uma forma de evitar tal problema é desconsiderar essas observações inusuais.Provas
Questão presente nas seguintes provas
Em relação aos métodos numéricos, julgue os itens que se seguem.
Os métodos numéricos de integração permitem obter a função primitiva do integrando, mas não permitem o cálculo numérico de integrais definidas.Provas
Questão presente nas seguintes provas
Em relação aos métodos numéricos, julgue os itens que se seguem.
O método de Jacobi, o método de Gauss-Seidel e o método da decomposição espectral são métodos iterativos para a solução de sistemas lineares.Provas
Questão presente nas seguintes provas
Nas retas paralelas, R e S, que distam 10 cm uma da outra, marcaram-se 4 pontos na reta R e 5 pontos na reta S; dois pontos adjacentes em uma mesma reta distam 7 cm um do outro. Julgue o item que se segue, acerca dos triângulos cujos vértices são escolhidos entre esses 9 pontos.
Todos esses triângulos têm área superior a 32 cm2 .
Todos esses triângulos têm área superior a 32 cm2 .
Provas
Questão presente nas seguintes provas
Cadernos
Caderno Container