Foram encontradas 1.219 questões.
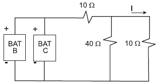
Considere a figura abaixo.

Sabe-se que:
- o circuito da figura mostra duas baterias alimentando um circuito resistivo;
- a bateria B é de 63 V com resistência interna de 9 !$ \Omega; !$
- a bateria C é de 66 V com resistência interna de 6 !$ \Omega; !$
Nesse caso, o valor da corrente I, em A, é:
Provas
Observe os dispositivos e símbolos abaixo relacionados.
I - Diodo Zener
II - Diodo Túnel
III - Diodo Schottky
IV - Diodo Schokley
![]()
![]()
![]()
![]()
![]()
A opção que contém a correta associação do tipo de dispositivo com seu respectivo símbolo é:
Provas
Considere o circuito elétrico ilustrado na figura abaixo.

O valor da tensão VS, em volts, na saída do circuito é, aproximadamente:
Provas
Verificou-se, em laborátório, que o fluxo magnético !$ \phi !$, em Wb (weber), medido em certo material no formato toroidal, é proporcional ao número de espiras N, à corrente elétrica I que passa nas espiras e à área da seção reta S do toróide, sendo inversamente proporcional ao comprimento médio L do trajeto percorrido pelo fluxo.
Portanto:
!$ \phi \, = \, k \, \dfrac {NIS} {L} !$
onde k é constante e depende do material.
Algumas das seis unidades básicas do S.I. (Sistema Internacional) são: metro (m) para comprimento, quilograma (kg) para massa, segundo (s) para tempo, ampère (A) para intensidade de corrente elétrica. Sabendo-se que todas as variáveis medidas no laboratório estavam no S.I., a constante k é dimensionalmente compatível com:
Provas
A Intranet de uma determinada empresa é acessada pelos seus funcionários através de browsers instalados em seus computadores. O acesso é feito digitando-se o endereço //intranet/ na barra de endereços do browser.
Uma forma alternativa que o usuário pode utilizar para acessar a Intranet consiste em substituir no endereço //intranet/ o texto “intranet” pelo(a):
Provas
A partir do Microsoft Outlook 2000 (considerando instalação padrão em português), um usuário pode:
I - manter um calendário pessoal para compromissos;
II - enviar e receber mensagens de correio e de fax;
III - manter um diário das mensagens recebidas e/ou enviadas.
Está(ão) correta(s) a(s) afirmação(ões):
Provas
O Microsoft Access 2000 (considerando instalação padrão em português) permite a criação de bancos de dados que armazenam objetos criados pelo próprio Access.
Assinale o tipo de objeto que NÃO pode ser criado pelo Access.
Provas
A respeito do Microsoft Access 2000 (considerando instalação padrão em português), são feitas as seguintes afirmações:
I - a partir do Access é possível modificar as propriedades dos campos de uma tabela do Paradox que está vinculada a um banco de dados do Access;
II - a partir de uma macro do Access é possível abrir formulários e relatórios armazenados no banco de dados;
III - após criptografar um banco de dados, este fica inacessível aos usuários, devendo ser descriptografado, para ser utilizado novamente.
Está(ão) correta(s) a(s) afirmação(ões):
Provas
No Microsoft PowerPoint 2000 (considerando instalação padrão em português), a partir de um botão ação inserido em um slide, é possível:
I - executar um programa como a calculadora do Windows;
II - navegar para outro slide da apresentação;
III - executar uma macro.
Está(ão) correta(s) a(s) afirmação(ões):
Provas

A figura acima apresenta uma visão parcial de uma planilha do Microsoft Excel 2000 (considerando instalação padrão em português).
Se a célula B4 desta planilha contiver a fórmula
=SE(OU(A2*B1− A2=B3;A2<A1);MULT(A3:B3;A2);MULT(A1:B2)),
então, o valor da célula B4 será:
Provas
Caderno Container