Foram encontradas 215 questões.
Disciplina: Legislação Específica das Agências Reguladoras
Banca: CESGRANRIO
Orgão: Transpetro
A estrutura tarifária brasileira está calcada basicamente na demanda de potência e no consumo de energia elétrica de uma instalação. Esses elementos compõem os diversos tipos de tarifas que serão atribuídos aos consumidores, em consonância às suas características. Do exposto, é correto afirmar que, para horários de ponta e fora de ponta, a tarifa
Provas

Duas amostras de um gás ideal são expandidas do estado inicial para o estado final, nos processos 1 e 2 quase-estáticos, de acordo com os diagramas PV mostrados acima. Os trabalhos realizados, em joules, por amostra de gás, são, respectivamente,
Provas
Disciplina: Legislação Específica das Agências Reguladoras
Banca: CESGRANRIO
Orgão: Transpetro
Das modalidades de contratação de compra e venda de energia elétrica mencionadas abaixo, aquela que NÃO está no conjunto dos contratos sujeitos ao registro da Câmara de Comercialização de Energia Elétrica (CCEE) é o Contrato
Provas
Suponha que a tensão u aplicada entre os terminais de um resistor não linear obedeça à seguinte relação: u=3i(t)+[i(t)]2V, onde t é dado em horas e i(t) é a corrente, em função do tempo, que passa pelo mesmo.
Se a corrente que passa pelo resistor varia de acordo com a relação i(t)=4t, em A, a energia consumida pelo mesmo, em kWh, depois de 4 horas é
Provas

Considere o sistema de potência (SEP), representado por duas fontes geradoras conectadas por uma linha de transmissão predominantemente indutiva. O valor da potência reativa absorvida pela linha de transmissão, QL = QS – QR, em função dos módulos das tensões ET e ER, do ângulo de defasagem entre as barras !$ \delta !$ e da reatância da linha X, é
Provas

Na figura acima é mostrada uma parte de um programa de um controlador lógico programável (CLP), em linguagem LADDER. A expressão “booleana” da saída S é
Provas
Em uma subestação, o neutro da alimentação e as massas de todos os equipamentos existentes são diretamente conectados à mesma malha de terra. De acordo com as normas vigentes no Brasil, o esquema de aterramento dessa subestação é do tipo
Provas

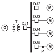
Considere a figura acima, onde um gerador (G) de 25 MVA, 13,8 kV, com reatância subtransiente igual a 15%, é conectado a um barramento que alimenta quatro motores (M) idênticos por meio de um transformador (T) de 25 MVA, 13,8 kV/6,9 kV, com reatância de 10%. A reatância subtransiente de cada motor é igual a 20% na base 5 MVA, 6,9 kV. A tensão do barramento em que os motores estão conectados é de 6,9 kV, quando um curto-circuito trifásico ocorre no ponto P. Assim, o disjuntor que terá de interromper a maior corrente é
Provas

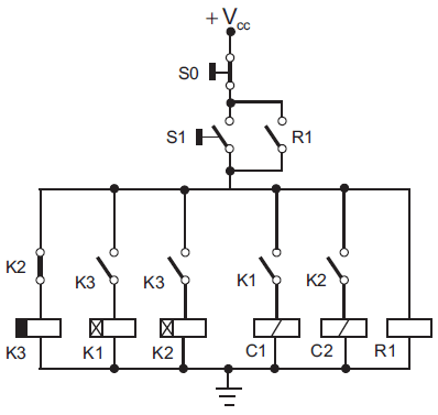
A figura apresenta a parte de controle do circuito de acionamento de duas máquinas trifásicas, comandadas por intermédio dos contatores C1 e C2. As chaves S0 e S1 são do tipo sem retenção. A ação de acionar uma chave significa apertá-la e, em seguida, deixá-la retornar à sua posição inicial. Os relés K1 e K2 são do tipo com retardo na ligação, programados para 15 minutos e 40 minutos, respectivamente. O relé K3 é do tipo com retardo no desligamento, programado para 20 minutos. Com o sistema em condições normais de funcionamento, considere que o operador tenha acionado a chave S0 e, após 1 minuto, a chave S1. Nessa situação, sem que haja novas interferências do operador, analise as seguintes afirmativas:
I - as duas máquinas funcionarão, simultaneamente, por cerca de 20 minutos a cada hora;
II - a máquina comandada pelo contator C1 funcionará continuamente por cerca de 45 minutos e permanecerá desligada nos 15 minutos restantes de cada hora;
III - a máquina comandada por C2 funcionará por 25 minutos a cada hora;
IV - a máquina comandada por C2 funcionará sozinha por mais de 10 minutos a cada hora.
Estão corretas APENAS as seguintes afirmativas
Provas

A figura acima apresenta um transformador de 400 VA 120/24 V (valores de tensão eficazes), conectado como um autotransformador com a interligação aditiva das espiras do lado de alta e de baixa tensão, respectivamente, denominadas Nalta e Nbaixa. Nesta configuração, o transformador é capaz de transferir uma potência maior do que aquela para a qual ele foi originalmente projetado, tendo em vista que nem toda potência é transferida do primário para o secundário através do fluxo magnético, mas também através da conexão direta do circuito.
Sendo aplicada em Vin uma tensão de 120 V eficazes, a potência aparente nominal em que o autotransformador poderá operar, em VA, é
Provas
Caderno Container