Foram encontradas 70 questões.
A modelagem matemática de sistemas físicos geralmente não é uma tarefa fácil.
Um dos desafios que o engenheiro enfrenta para atingir esse objetivo é
Um dos desafios que o engenheiro enfrenta para atingir esse objetivo é
Provas
Questão presente nas seguintes provas
Um sistema de controle opera com um sensor eletromagnético não linear que converte uma intensidade de corrente i em força F. A função não linear que converte corrente (A) em força (N) é dada por F(i) = 4i 3 - 6i 2 + 2i. Precisando linearizar essa função no ponto nominal de corrente i=1, obtém-se para esse ponto de operação a função linear FL(i) = A + Bi.
Os valores de A e B, respectivamente, são
Os valores de A e B, respectivamente, são
Provas
Questão presente nas seguintes provas
O planejamento de sistemas de automação para uma empresa envolve, comumente, a escolha de suportes de transmissão de dados entre as redes. Em muitas situações, a solução desse problema ocorre pela utilização de guias físicos que asseguram a manutenção de uma conexão direta e permanente, como a que se obtém com o aproveitamento da rede telefônica.
A utilização de tais guias físicos
A utilização de tais guias físicos
Provas
Questão presente nas seguintes provas
Sistemas controladores pneumáticos e hidráulicos têm larga aplicação na automação industrial. Considere as afirmativas a seguir, que comparam os dois tipos de sistemas controladores.
I – O ar não tem propriedades lubrificantes e sempre contém vapor d’agua, enquanto que o óleo é lubrificante e permite transferir calor gerado no sistema para um trocador de calor conveniente.
II – As potências de saída dos sistemas pneumáticos são consideravelmente superiores às dos sistemas hidráulicos.
III – A precisão dos atuadores pneumáticos é deficiente nas baixas velocidades, enquanto que a precisão dos atuadores hidráulicos é satisfatória em todas as velocidades.
Está correto o que se afirma em
I – O ar não tem propriedades lubrificantes e sempre contém vapor d’agua, enquanto que o óleo é lubrificante e permite transferir calor gerado no sistema para um trocador de calor conveniente.
II – As potências de saída dos sistemas pneumáticos são consideravelmente superiores às dos sistemas hidráulicos.
III – A precisão dos atuadores pneumáticos é deficiente nas baixas velocidades, enquanto que a precisão dos atuadores hidráulicos é satisfatória em todas as velocidades.
Está correto o que se afirma em
Provas
Questão presente nas seguintes provas
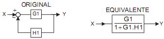
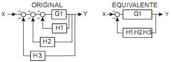
Com o objetivo de facilitar o cálculo da função de transferência de um sistema complexo, é comum representá-lo pelo seu diagrama em blocos. Com base em seu diagrama original, é possível reorganizar ou rearranjar esses blocos obedecendo a regras específicas denominadas álgebra de blocos. Dessa forma, comparando-se as equações correspondentes, podem ser criados diagramas equivalentes.
O par que representa os diagramas em blocos original e equivalente é
O par que representa os diagramas em blocos original e equivalente é
Provas
Questão presente nas seguintes provas
Os métodos usados para preparar adequadamente a função de transferência de um sistema, visando à determinação de seus polos e zeros, constitui poderoso ferramental matemático para o estudo da estabilidade de sistemas elétricos e eletrônicos.
Dentro desse contexto, sabendo-se que um dado sistema apresenta a seguinte função de transferência

quais os valores de seus polos?
Dentro desse contexto, sabendo-se que um dado sistema apresenta a seguinte função de transferência

quais os valores de seus polos?
Provas
Questão presente nas seguintes provas
- Álgebra Booleana e Circuitos Lógicos
- Diodo na Engenharia Eletrônica
- Eletrônica Analógica na Engenharia Eletrônica
- Eletrônica Digital na Engenharia Eletrônica

O circuito eletrônico digital acima, composto de diodos ideais, representa uma porta lógica de duas entradas X e Y e uma saída Z. Conforme mostrado na figura, a lógica que é usada é a lógica negativa, na qual o nível de tensão para “0” lógico vale 0V e para “1” lógico vale -5V. A tabela a seguir relaciona os valores das entradas X e Y com possíveis valores de saída.

A saída que corresponde à saída Z do circuito é a
Provas
Questão presente nas seguintes provas

O circuito eletrônico digital da figura é um multiplex com canais de informação I 0 , I 1 , I 2 e I 3 , variáveis de seleção X e Y, e saída multiplexada S.
A seguir, vê-se um quadro com os valores das variáveis X e Y e cinco possíveis saídas.

A representação da Saída Multiplexada S é a saída
Provas
Questão presente nas seguintes provas

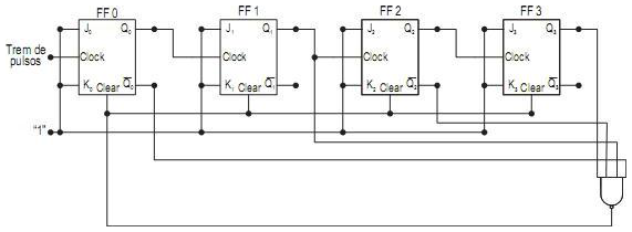
O circuito eletrônico digital acima representa um contador binário e é construído usando-se 4 J-K flip-flops (FF 0,1, 2 e 3), tipo T (entradas J e K ligadas a “1” lógico). Quando a entrada clear recebe um pulso “0”, leva a “0” todas as saídas Q dos flip-flops do circuito. Um trem de pulsos, representado no circuito, excita a entrada Clock do primeiro flip-flop, e, a cada descida do pulso de Clock, o flip-flop muda de estado.
Com base no circuito e nas considerações acima, identifica-se que o circuito representa um contador módulo
Provas
Questão presente nas seguintes provas

O circuito da figura é um controlador de intensidade luminosa, na qual uma lâmpada incandescente é usada como carga. Para realizar essa função, usam-se dispositivos eletrônicos conhecidos como Triac e Diac, representados na mesma figura. O circuito de controle é feito através de uma malha defasadora RC, com R variável, que atrasa a tensão no capacitor em relação à tensão da rede de alimentação.
Nesses termos, o Triac é disparado
Provas
Questão presente nas seguintes provas
Cadernos
Caderno Container