Foram encontradas 70 questões.

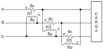
A figura mostra como é possível medir a potência reativa de uma carga em sistemas trifásicos utilizando-se wattímetros. Essa possibilidade só se concretiza se sua bobina de potencial (Bp) for alimentada com tensão defasada, referente à bobina de corrente, em relação à tensão aplicada à carga, de
Provas
Questão presente nas seguintes provas

A figura representa um bipolo alimentado com tensão, em volt, dada por

O fasor da corrente no bipolo é
OBS: Utilize, no cálculo, aproximações com uma casa decimal.
Provas
Questão presente nas seguintes provas

O diagrama de fasores acima corresponde a uma instalação elétrica de um centro de operações para supervisão e controle com as suas cargas elétricas ligadas em triângulo aterrado, com as correntes de linha equilibradas apresentando valor de 5 A, e a tensão de linha, valor de 374 V. A potência elétrica ativa na fase CN para essa instalação é:

Provas
Questão presente nas seguintes provas
Um sistema de controle utiliza um capacitor de capacitância 1,0 µF, inicialmente neutro. Ele é ligado a uma fonte de tensão constante até carregar-se completamente. A seguir, verifica-se que, descarregando-o através de um resistor, o calor desenvolvido equivale a 0,125 J.
Nessa situação, o valor da tensão, em volts, à qual sub- mete-se o capacitor é
Nessa situação, o valor da tensão, em volts, à qual sub- mete-se o capacitor é
Provas
Questão presente nas seguintes provas
Uma bobina é equivalente a uma resistência associada em série com uma indutância. Quando se aplica uma tensão contínua de valor 20 Volts, a bobina consome 5 A. Quando se aplica uma tensão alternada de valor 10 Volts sob frequência de 50 Hz, a bobina absorve uma corrente alternada de 2 A.
O valor, em Ohms, da reatância indutiva dessa bobina é
O valor, em Ohms, da reatância indutiva dessa bobina é
Provas
Questão presente nas seguintes provas
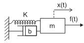
O controle do processo de automação de uma indústria utiliza o sistema mecânico mostrado no esboço abaixo.

Utilizando as grandezas que aparecem na figura, e considerando que o termo forçante f(t) é a entrada, e a posição da massa x(t) é a saída, a função de transferência do sistema mecânico G(s)=x(s)/F(s) é igual a

Utilizando as grandezas que aparecem na figura, e considerando que o termo forçante f(t) é a entrada, e a posição da massa x(t) é a saída, a função de transferência do sistema mecânico G(s)=x(s)/F(s) é igual a
Provas
Questão presente nas seguintes provas

A análise de um projeto de automação indicou a presença do circuito ilustrado como elemento auxiliar, alimentado por corrente contínua.
Se a resistência R mede
o amperímetro A1 indica 2A, a capacitância é de
e o capacitor já se encontra totalmente carregado, a indicação no amperímetro A2 e a carga armazenada no capacitor são, respectivamente,Provas
Questão presente nas seguintes provas
O projeto de automação de uma empresa especificou elementos de controle com mais de uma entrada, produzindo componentes de erro em estado estacionário em situações como a do sistema a seguir.

Podemos afirmar que o valor da componente do erro, nesse caso, é:

Podemos afirmar que o valor da componente do erro, nesse caso, é:
Provas
Questão presente nas seguintes provas
Os componentes conseguirem comunicar-se corretamente constitui um importante fator no projeto de uma rede de comunicação. A segurança de um sistema de automação depende de circuitos analógicos como o da figura abaixo, conectado a um amplificador.

Nessas condições, o circuito desempenha a função de

Nessas condições, o circuito desempenha a função de
Provas
Questão presente nas seguintes provas
Um projeto de automação utiliza um sistema hidráulico que opera com resfriamento de água. A água circula através de uma bomba que a retira de um poço, à razão de 7,5 litros por segundo. O engenheiro identificou que o poço possui 10 metros de profundidade e que o rendimento da bomba é de 80%.

A potência mecânica, em HP, necessária e suficiente ao sistema hidráulico, atendendo às condições dadas, é

A potência mecânica, em HP, necessária e suficiente ao sistema hidráulico, atendendo às condições dadas, é
Provas
Questão presente nas seguintes provas
Cadernos
Caderno Container