Foram encontradas 70 questões.
A equação diferencial que relaciona VI (t) e Vo (t) é:
Provas
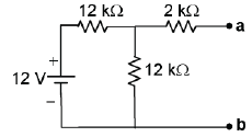
Conectando-se uma carga resistiva de 2 kΩ entre os terminais a e b, qual é o valor, em mW, da potência dissipada nessa carga?
Provas
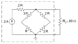
A Figura abaixo ilustra um circuito alimentado por uma fonte de corrente de 2 A, conectado a uma carga de 80 Ω.

Para R=10 Ω, o valor da fonte de tensão do equivalente de Thévenin, em volts, para o circuito inserido no retângulo pontilhado, entre os terminais da carga, é
Provas
- Circuitos ElétricosCircuitos CACircuitos Trifásicos
- Sistemas Elétricos de PotênciaAnálise de SEPAnálise de Curto-circuitos
Um curto-circuito fase-terra ocorre em um sistema trifásico. Sabe-se que a corrente de sequência positiva no ponto da falta é igual a 5 pu. As bases adotadas no setor da falta são 4 MVA e 100 kV.
A corrente de curto-circuito dessa falta, em ampères, é igual a
Provas
Uma comissão de engenheiros foi incumbida de avaliar quatro projetos de malhas de aterramento, denominados projetos P1, P2, P3 e P4.
A Tabela abaixo exibe os resultados do dimensionamento de cada projeto referentes a critérios de potencial de toque e de passo

Sabe-se, ainda, que os potenciais de toque e de passo admissíveis são, respectivamente, 700 V e 1900 V. Atende(m) aos critérios de dimensionamento APENAS o(s) projeto(s)
Provas
Linhas de transmissão de energia são sistemas complexos que demandam certas peculiaridades em sua construção, de modo a melhorar o seu desempenho.
Dentre as soluções desenvolvidas na construção das linhas de transmissão, uma delas é a transposição, que tem por principal finalidade reduzir
Provas
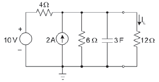
Nessas condições, a corrente IL que passa pelo resistor de 12 Ω, medida em ampères, é
Provas
Um circuito terminal de 20 m e queda de tensão de 2% alimenta uma carga monofásica pontual de 1.000 VA.
Sabendo-se que a tensão de fase da instalação onde essa carga se encontra é 200 V, a queda de tensão unitária, em V/A.km, do circuito é
Provas
O circuito representado na Figura abaixo é um conversor de potência do tipo CC-CC, cuja finalidade é converter uma tensão não regulada VDC em uma tensão regulada VO aplicada em uma carga RL , onde o valor da tensão na carga é controlado através do ciclo de trabalho da chave S1.

Nesse conversor,
Provas
Um campo magnético
uniforme, orientado na direção y,
encontra-se inserido no espaço pontilhado, conforme ilustrado
na Figura a seguir.

Uma partícula de massa M e carga elétrica +Q, com velocidade
constante e na direção y, penetra no espaço do
campo magnético.
Enquanto estiver no interior do campo, o módulo da velocidade
instantânea
da partícula e a forma de sua trajetória
serão, respectivamente,
Provas
Caderno Container