Foram encontradas 70 questões.
Um duto cilíndrico metálico, longo, imerso na água, conduz um fluido aquecido.
Sabe-se que
• o diâmetro interno do duto é 16 cm;
• a condutividade térmica do duto é
;
• o coeficiente de transferência de calor por convecção da água é
;
• a temperatura do fluído é mantida constante;
• a transferência de calor está em regime permanente.
A espessura de parede do duto que confere a máxima transferência de calor do fluido à água é, em cm,
Provas
Face ao exposto acima, considerando-se uma entrada do tipo degrau em r(t), os tipos de comportamento dos sinais de saída c(t), com a chave Ch1 aberta e, em seguida, com a chave Ch1 fechada, serão, respectivamente:
Provas
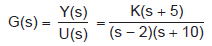
Seja um sistema de 2a ordem, linear e analógico, que liga um sinal U de entrada ao sinal Y de saída e cujo modelo é representado pela função de transferência
![]()
Esse modelo foi submetido a uma realimentação proporcional de saída, fazendo com que o ganho K varie no intervalo 0 < K < + ∞.
Na configuração acima descrita, vai ocorrer que, para um determinado valor do ganho K, um dos dois polos de malha fechada será zero, e o outro polo, consequentemente, terá valor igual a
Provas
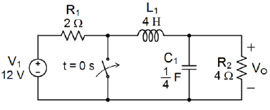
Assim, a transformada de Laplace da tensão VO após o fechamento da chave é dada por:
Provas

Os polos desse sistema discreto estão localizados no plano complexo Z e são obtidos calculando-se as raízes do polinômio
Provas
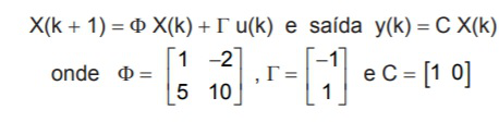
Sobre esse sistema é aplicado um controle com realimentaçãode estados, cuja lei de controle é dada poru(t) = -K X(t) + r(t), onde são definidos o vetor de ganhosK = [k1 k2] e r(t), o sinal de entrada de referência.
Para que em malha fechada os polos desse sistema sejam complexos conjugados e alocados em s = -5 ± j10,qual será o valor do vetor de ganhos K?
Provas
A função de transferência
Provas
Medidas y(kT) = y(k), com k = 0,1,2, ..., são obtidas a cada intervalo de tempo T quando a entrada é um impulso unitário.
Sabendo-se que a resposta ao impulso unitário é dada pela sequência y(k) = {y(0), y(1), y(2), ...} = {0, 10, 17, ...}, qual é o valor do parâmetro M?
Provas
Um sistema elétrico linear tem como sinal de entrada uma tensão v(t), e como saída um sinal de corrente i(t). Sua dinâmica é modelada pela seguinte equação diferencial:

A função de transferência desse sistema, no domínio de Laplace, é obtida pela relação H(s) = I(s)/ V(s) , onde I(s) e V(s) são as transformadas de Laplace aplicadas, respectivamente, sobre os sinais i(t) e v(t).
A função de transferência desse sistema apresenta, no plano S de Laplace, um zero real em
Provas
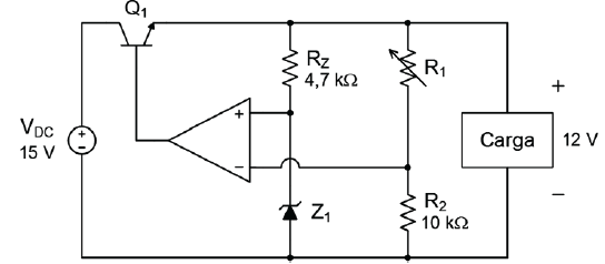
Nesse regulador, o amplificador operacional é considerado ideal, e o diodo zener Z1apresenta uma tensão de ruptura igual a 5,0 V.
Dessa forma, qual deve ser, em quilo-ohms, o valor da resistência R1 , de modo que o regulador entregue para a carga uma tensão igual a 12 V?
Provas
Caderno Container