Foram encontradas 899 questões.

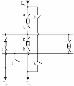
A figura acima ilustra o esquema simplificado de um arranjo de subestação de um sistema de transmissão de energia elétrica. O arranjo é do tipo barra principal e de transferência. Considerando essas informações, julgue o item que se segue.
Em situação normal, a subestação opera energizada somente com a barra principal. Consequentemente, as chaves a, b, g e h ficam fechadas.
Em situação normal, a subestação opera energizada somente com a barra principal. Consequentemente, as chaves a, b, g e h ficam fechadas.
Provas
Questão presente nas seguintes provas

A figura acima ilustra o esquema simplificado de um arranjo de subestação de um sistema de transmissão de energia elétrica. O arranjo é do tipo barra principal e de transferência. Considerando essas informações, julgue o item que se segue.
No diagrama unifilar acima são mostrados exatamente quatro chaves de aterramento e três para-raios.
No diagrama unifilar acima são mostrados exatamente quatro chaves de aterramento e três para-raios.
Provas
Questão presente nas seguintes provas

A figura acima ilustra o esquema simplificado de um arranjo de subestação de um sistema de transmissão de energia elétrica. O arranjo é do tipo barra principal e de transferência. Considerando essas informações, julgue o item que se segue.
Nesse arranjo, o disjuntor de transferência é o de número 2.
Nesse arranjo, o disjuntor de transferência é o de número 2.
Provas
Questão presente nas seguintes provas

A figura acima ilustra o esquema simplificado de um arranjo de subestação de um sistema de transmissão de energia elétrica. O arranjo é do tipo barra principal e de transferência. Considerando essas informações, julgue o item que se segue.
Suponha que se deseje isolar o disjuntor 1 para fins de manutenção. Nesse caso, será necessário, entre outros procedimentos, fechar a seccionadora c e abrir o disjuntor 1 através das seccionadoras a e b.
Suponha que se deseje isolar o disjuntor 1 para fins de manutenção. Nesse caso, será necessário, entre outros procedimentos, fechar a seccionadora c e abrir o disjuntor 1 através das seccionadoras a e b.
Provas
Questão presente nas seguintes provas

Um conversor D/A de 4 bits com resistores ponderados é projetado conforme o circuito acima. A tensão de entrada assume valor igual a 5 V no nível lógico 1 e zero, caso o sinal lógico esteja no estado zero. A partir dessas informações e considerando R = 10 k!$ Omega !$, RL = 16!$ Omega !$, julgue o item a seguir.
A tensão Vs que corresponde à palavra binária de entrada 0101 é igual a 3 mV.
A tensão Vs que corresponde à palavra binária de entrada 0101 é igual a 3 mV.
Provas
Questão presente nas seguintes provas

Um conversor D/A de 4 bits com resistores ponderados é projetado conforme o circuito acima. A tensão de entrada assume valor igual a 5 V no nível lógico 1 e zero, caso o sinal lógico esteja no estado zero. A partir dessas informações e considerando R = 10 k!$ Omega !$, RL = 16!$ Omega !$, julgue o item a seguir.
Nesse tipo de conversor D/A implementado, o valor da tensão de saída assume valores sempre menores que a tensão associada a um nível lógico de entrada igual a 1, porque é necessário no projeto que o resistor de carga RL tenha resistência muito inferior à resistência R.
Nesse tipo de conversor D/A implementado, o valor da tensão de saída assume valores sempre menores que a tensão associada a um nível lógico de entrada igual a 1, porque é necessário no projeto que o resistor de carga RL tenha resistência muito inferior à resistência R.
Provas
Questão presente nas seguintes provas

As figuras I e II acima ilustram, respectivamente, um circuito lógico e a forma dos sinais de entrada A, B e C. Com base nessas informações, julgue o próximo item.
A saída X é equivalente à expressão booleana !$ overline {C} + A cdot B + overline {A} cdot overline {B} !$.
A saída X é equivalente à expressão booleana !$ overline {C} + A cdot B + overline {A} cdot overline {B} !$.
Provas
Questão presente nas seguintes provas

O circuito acima é alimentado por fonte de tensão senoidal !$ v_i(t) = 10 sqrt 2sen(omega t) !$, expressa em volts (V). O resistor de carga R tem resistência igual a 5 !$ Omega !$. Considerando essas informações, julgue o item subsecutivo.
O valor eficaz da corrente i(t) é igual a 2 A.
Provas
Questão presente nas seguintes provas

O circuito acima é alimentado por fonte de tensão senoidal !$ v_i(t) = 10 sqrt 2sen(omega t) !$, expressa em volts (V). O resistor de carga R tem resistência igual a 5 !$ Omega !$. Considerando essas informações, julgue o item subsecutivo.
A potência média dissipada no resistor R é superior a 20 W.
A potência média dissipada no resistor R é superior a 20 W.
Provas
Questão presente nas seguintes provas
Considere que o modelo de um sistema contínuo seja representado pela função de transferência !$ H (s) = { K over (s+4) (s+2)}. !$ Utiliza-se a transformada bilinear, que permite o mapeamento do plano complexo s no plano complexo !$ z !$, mediante a transformação !$ s = Bigl ( {2over T} Bigr ) quad {z - 1 over z+1} !$, em que !$ T !$ é o período de amostragem, com valor convenientemente utilizado. Com base nessas informações, julgue o item abaixo.
Os polos da função de transferência no plano !$ z !$, correspondente ao sistema discreto obtido por meio da transformação do sistema contínuo, ficarão internos a um círculo unitário, porque o sistema contínuo é estável.
Os polos da função de transferência no plano !$ z !$, correspondente ao sistema discreto obtido por meio da transformação do sistema contínuo, ficarão internos a um círculo unitário, porque o sistema contínuo é estável.
Provas
Questão presente nas seguintes provas
Cadernos
Caderno Container