Foram encontradas 943 questões.
O conjunto de dispositivos e elementos condutores desatinados a proporcionar a equipotencialização e a conexão física direta ao potencial de referência, fornecendo, desse modo, um caminho sólido para correntes elétricas advindas de sobretensões ou de falhas de isolamento e possibilitando a atuação dos dispositivos de proteção dos circuitos de uma instalação é conhecido como
Provas
O sistema de fornecimento de energia em tensão secundária de distribuição a unidades consumidoras, localizadas em edificações individuais, possui como limite de atendimento
Provas
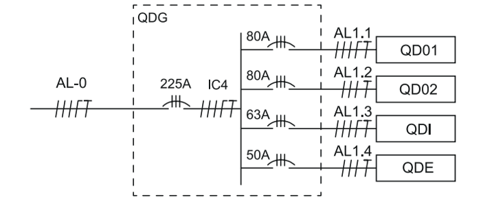
Considere o diagrama unifilar mostrado na figura a seguir.

(Arquivo pessoal. Imagem usada com autorização.)
Com as informações contidas no diagrama, é correto afirmar:
Provas
Observe a planta de uma instalação elétrica de baixa tensão, mostrada na figura a seguir, onde o fornecimento de energia é bifásico, 220/127 V:

(Arquivo pessoal. Imagem usada com autorização.)
Com as informações contidas nessa representação, é correto afirmar que
Provas
No projeto da cabine de medição e proteção de uma instalação elétrica predial de média tensão, é previsto um cubículo específico para a instalação da prateleira de transdutores para o medidor de faturamento de energia. Nessa estrutura, a concessionária instala os transdutores de corrente (TCs) e de tensão (TPs) que são conectados ao medidor. São utilizados para a medição da concessionária de distribuição, no total,
Provas
Instalações elétricas prediais estão constantemente sob condições ambientais e operacionais que podem levar à degradação de seus componentes e dispositivos, seja pela redução de desempenho, desgaste natural ou ação de agentes externos. As rotinas de manutenção preventiva e preditiva implantadas pelos operadores dessas instalações podem reduzir significativamente ou até eliminar as paradas emergenciais, antecipando falhas de grande porte que podem gerar prejuízos de grande monta. Uma ferramenta de gestão de manutenção preditiva que tem grande aplicação em instalações elétricas prediais é a
Provas
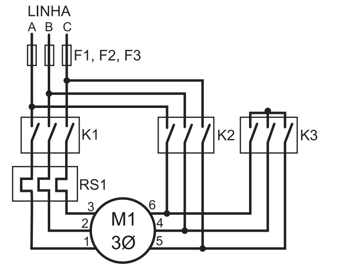
Um motor trifásico de 25 CV, 220 / 380 V, 72 / 42 A, FS = 1,15, é acionado por uma chave estrela-triângulo que tem seu diagrama de força mostrado na figura a seguir. A rede de alimentação tem tensão de linha de 220 V, e o tempo de partida é de 5 segundos.

(Arquivo pessoal. Imagem usada com autorização.)
Os valores aproximados das correntes de emprego (Ie) calculadas para os contatores K1, K2 e K3 e da corrente de ajuste do relé de sobrecarga para essa aplicação são, respectivamente:
Provas
Um inversor de frequência com controle do tipo V/f constante aciona um motor de indução trifásico de 5 CV, 220 V, 4 polos, 60 Hz. Considerando o inversor corretamente parametrizado com os dados do motor, e com valores de frequência máxima igual a 90 Hz e frequência mínima igual a 10 Hz, é correto afirmar que os valores de tensão eficaz aplicada ao motor quando a frequência de acionamento está ajustada para 15 Hz e 75 Hz são, respectivamente:
Provas
Um motor de indução trifásico de 10 CV, 1.720 rpm, 220 / 380 V (6 terminais), 60 Hz, deve acionar uma carga mecânica que apresenta conjugado constante de 32 N.m. O catálogo do motor indica a relação Cp / Cn = 2,5 e a relação Cmax / Cn = 3,2. A tensão entre fases da rede de alimentação é 380 V. Assinale a alternativa que indica a chave de partida adequada ao acionamento do motor acoplado a essa carga e que ao mesmo tempo proporcione a maior redução na corrente de partida do motor. Considerar nos cálculos \( \pi \) = 3,14.
Provas
A aplicação de bancos de capacitores automáticos para correção de fator de potência é uma solução adotada com frequência em instalações elétricas industriais. Um banco automático, equipado com um controlador de fator de potência microprocessado de 5 saídas, onde o acionamento dos estágios é realizado conforme pesos binários (resultando em 32 combinações possíveis), deve controlar cargas capacitivas para permitir a inserção entre 0 e 155 kVAr à instalação com o menor escalonamento possível. Neste caso, as potências reativas capacitivas de cada estágio (E) devem ser, respectivamente:
Provas
Caderno Container