Foram encontradas 675 questões.
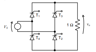
O circuito a seguir tem por finalidade controlar a potência dissipada no resistor de 1 Ω.

Considerando que a tensão VS é senoidal com valor eficaz 100 V e que os tiristores T1, T2, T3 e T4 possuam ângulo de disparo de 60º , o valor aproximado da potência dissipada no resistor, em W, é igual a:
Provas
Provas
A figura a seguir mostra uma barra de 5 metros de comprimento, imersa em uma região do espaço sujeita a uma densidade de fluxo magnético de 15 T saindo do plano da página.

Para que a tensão induzida eind da barra seja 375 V e tenha a polaridade indicada na figura, a velocidade v da barra, em m/s, deverá ser
Provas
O circuito a seguir é composto por uma fonte de corrente ideal e uma associação mista de resistores.

A diferença de potencial VA indicada no circuito, em V, é
Provas
Provas
Um circuito reduzido a um equivalente de Norton com resistência de Norton de 10 Ω alimenta uma carga resistiva de 50 Ω. Sabe-se que a potência dissipada na carga é de 100 W.
Após a transformação do circuito Equivalente de Norton em Equivalente de Thévenin, a tensão de Thévenin, em volts, fica igual a
Provas
A respeito dos materiais utilizados nas isolações dos cabos elétricos, considere as afirmativas a seguir:
I. O PVC possui baixa resistência aos agentes químicos.
II. O EPR suporta até 90ºC em regime permanente.
III. O XLPE possui baixa resistência aos impactos mecânicos.
Está correto o que se afirma em
Provas
Provas
Provas
Provas
Caderno Container