Foram encontradas 950 questões.
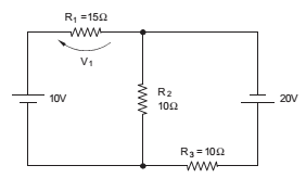
Considere o circuito abaixo.

A tensão sobre o resistor R1 = 15 Ω tem o valor de, em volts,
Provas
Questão presente nas seguintes provas
- EletromagnetismoElétricaAssociação de Resistores
- EletromagnetismoElétricaCircuitos Elétricos Especiais: Leis de Kirchhoff e Ponte de Wheatstone
- EletromagnetismoElétricaEletricidade
Considere o circuito abaixo.

Os valores da tensão equivalente Thevenin − ETh e da resistência equivalente Thevenin − RTh, entre os pontos A e B, são apresentados em
Provas
Questão presente nas seguintes provas
- EletromagnetismoElétricaAssociação de Resistores
- EletromagnetismoElétricaCircuitos Elétricos Especiais: Leis de Kirchhoff e Ponte de Wheatstone
- EletromagnetismoElétricaEletricidade
O transistor do circuito abaixo é de silício, apresenta β = 100 e VBE = 0,7V.
A tensão VCE, no transistor é, aproximadamente, em volts rms,
A tensão VCE, no transistor é, aproximadamente, em volts rms,
Provas
Questão presente nas seguintes provas
- EletromagnetismoElétricaAssociação de Resistores
- EletromagnetismoElétricaCircuitos Elétricos Especiais: Leis de Kirchhoff e Ponte de Wheatstone
- EletromagnetismoElétricaEletricidade
Considere as tensões presentes no circuito: VR = 24.sen 377.t [V] e VC = 32.sen (377.t − 90°) [V].
O valor da tensão fornecida pela fonte é, aproximadamente, em volts rms,
O valor da tensão fornecida pela fonte é, aproximadamente, em volts rms,
Provas
Questão presente nas seguintes provas
- EletromagnetismoElétricaCircuitos Elétricos Especiais: Leis de Kirchhoff e Ponte de Wheatstone
- EletromagnetismoElétricaEletricidade
- EletromagnetismoElétricaResistores e Potência Elétrica
Ao aplicar a tensão V = 200 sen (ωt + 10°) em um circuito, verifica-se que a corrente resultante é I = 6 sen (ωt − 50°). Assim, a
potência ativa nesse elemento, em Wrms, é
Provas
Questão presente nas seguintes provas
O Código de Ética do Assistente Social configura-se como um dos instrumentos que normatizam a prática profissional. Conforme as definições deste Código, cabe ao profissional
Provas
Questão presente nas seguintes provas
- Aspectos HistóricosRedimensionamento e Transformações Societárias
- Políticas SociaisPromoção SocialTrabalho
- Políticas SociaisQuestão Social
O trabalho constitui-se em categoria central para o modo de produção capitalista. Numa leitura crítica, a exploração do trabalho tem relação direta com a Questão Social. Neste contexto, pode-se afirmar:
I. o trabalhador precisa vender sua força de trabalho, estabelecendo uma relação de emprego e uma relação salarial.
II. na sociedade comandada pelo capital, o trabalho promove exploração e alienação, sendo assim, o trabalho assalariado desumaniza o trabalhador.
III. o processo de trabalho submete-se à lei geral da acumulação capitalista que não promove maior distribuição de riqueza e sim maior desigualdade.
Está correto o que se afirma em
I. o trabalhador precisa vender sua força de trabalho, estabelecendo uma relação de emprego e uma relação salarial.
II. na sociedade comandada pelo capital, o trabalho promove exploração e alienação, sendo assim, o trabalho assalariado desumaniza o trabalhador.
III. o processo de trabalho submete-se à lei geral da acumulação capitalista que não promove maior distribuição de riqueza e sim maior desigualdade.
Está correto o que se afirma em
Provas
Questão presente nas seguintes provas
Nos anos 1930, quando a economia brasileira deixava de ter predominância agroexportadora e passava a ser também urbano- industrial, a emergência do sistema de seguridade social brasileiro no campo estatal foi marcada pela proteção
Provas
Questão presente nas seguintes provas
A atual política de saúde mental brasileira é resultado da mobilização desencadeada na década de 1980 com o objetivo de mudar a realidade dos manicômios. Nessa nova proposição, a atenção aos portadores de transtornos mentais passa a ter como objetivo,
Provas
Questão presente nas seguintes provas
- Assistência SocialBenefícios Eventuais e de Prestação Continuada/LOAS
- Proteção SocialFamíliaProteção Social às Pessoas com Deficiência Física ou Mental
O Benefício de Prestação Continuada - BPC é a garantia de um salário-mínimo mensal à pessoa com deficiência que comprove não possuir meios de prover a própria manutenção, nem de tê-la provida por sua família. A partir das prerrogativas do Decreto nº 7.617/2011, é correto afirmar, no que se refere a esse benefício, a
Provas
Questão presente nas seguintes provas
Cadernos
Caderno Container