Foram encontradas 1.077 questões.
Considere o trecho de programa de um CLP em linguagem LADDER, apresentado abaixo.

A expressão equivalente à saída S é:

A expressão equivalente à saída S é:
Provas
Questão presente nas seguintes provas
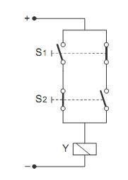
Considere o circuito de controle abaixo.

Ele executa a função lógica:

Ele executa a função lógica:
Provas
Questão presente nas seguintes provas
Em inversores de frequência, na etapa de controle eletrônico de velocidade de motor, é usada a modulação por
Provas
Questão presente nas seguintes provas
Sobre um fotodiodo de dois terminais devidamente polarizado, é correto afirmar:
Provas
Questão presente nas seguintes provas
Sobre a impedância complexa z = (30 + j40) Ω, alimentada por uma tensão de 110 Vrms, tem-se que o valor da potência ativa é, em W, aproximadamente,
Provas
Questão presente nas seguintes provas
Considere as relações sobre motores elétricos apresentadas abaixo.
I. Motor síncrono: funciona com velocidade fixa.
II. Motor de indução: necessita de uma fonte de corrente contínua.
III. Motor CC: não utiliza potência reativa.
IV. Motor universal: permite ligação tanto em corrente contínua como em corrente alternada.
V. Motor trifásico assíncrono: o rotor pode ser do tipo gaiola de esquilo ou bobinado.
Está correto o que consta APENAS em
I. Motor síncrono: funciona com velocidade fixa.
II. Motor de indução: necessita de uma fonte de corrente contínua.
III. Motor CC: não utiliza potência reativa.
IV. Motor universal: permite ligação tanto em corrente contínua como em corrente alternada.
V. Motor trifásico assíncrono: o rotor pode ser do tipo gaiola de esquilo ou bobinado.
Está correto o que consta APENAS em
Provas
Questão presente nas seguintes provas
Sobre o motor trifásico de indução, é correto afirmar:
Provas
Questão presente nas seguintes provas
Um sistema trifásico com sequência ABC, de 240 V, a três condutores, com as cargas Zab = 10 ∠ 0° Ω , Zbc = 10 ∠ 30° Ω , e Zca = 15 ∠ - 30° Ω ligadas em triângulo, apresenta as seguintes correntes de fase:
Provas
Questão presente nas seguintes provas
Realiza teste de isolação em sistemas elétricos:
Provas
Questão presente nas seguintes provas
- Medidas Elétricas
- Transformadores e Máquinas ElétricasMáquinas EstáticasTransformador de Corrente
- Transformadores e Máquinas ElétricasMáquinas EstáticasTransformador de Potência
Considere os tipos de transformadores citados abaixo.
I. Transformador de alta frequência
II. Transformador de potencial
III. Transformador de força
IV. Transformador de corrente
São utilizados para realização de medidas APENAS
I. Transformador de alta frequência
II. Transformador de potencial
III. Transformador de força
IV. Transformador de corrente
São utilizados para realização de medidas APENAS
Provas
Questão presente nas seguintes provas
Cadernos
Caderno Container