Foram encontradas 1.077 questões.
Para uma bomba centrífuga funcionar adequadamente, há necessidade de se realizar uma operação denominada de escorva da bomba. Esta operação consiste em
Provas
Questão presente nas seguintes provas
Considere o trecho de um programa de microcontrolador apresentado abaixo.
MOV A,#3CH; carrega o registrador A com 3CH
MOV B,#4AH; carrega o registrador B com 4AH
ORL A,B; executa a operação A = A.OR.B
CPL ACC.0; complementa o bit 0 do registrador A
ANL A,#9DH; executa a operação A = A.AND.9DH
Após o processamento dessa rotina, o valor do registrador A é
MOV A,#3CH; carrega o registrador A com 3CH
MOV B,#4AH; carrega o registrador B com 4AH
ORL A,B; executa a operação A = A.OR.B
CPL ACC.0; complementa o bit 0 do registrador A
ANL A,#9DH; executa a operação A = A.AND.9DH
Após o processamento dessa rotina, o valor do registrador A é
Provas
Questão presente nas seguintes provas
Em um trecho de programa de certo microcontrolador aparece a instrução MOV A,B. Trata-se de uma instrução
Provas
Questão presente nas seguintes provas
O gráfico abaixo mostra várias regiões de operação de um transistor NPN, numeradas de I a V, e o circuito ao lado do gráfico corresponde a uma interface de potência para acionamento de um motor CA:

O transistor Q1 do circuito opera APENAS nas regiões

O transistor Q1 do circuito opera APENAS nas regiões
Provas
Questão presente nas seguintes provas
Deseja-se executar a expressão lógica
utilizando-se um multiplexador e os recursos como os representados abaixo.

Concluídas as ligações entre as linhas e o multiplexador (MUX), as ligações que contemplam o propósito estão expressas em:
utilizando-se um multiplexador e os recursos como os representados abaixo. 
Concluídas as ligações entre as linhas e o multiplexador (MUX), as ligações que contemplam o propósito estão expressas em:
Provas
Questão presente nas seguintes provas
Considere a montagem abaixo, na qual os diodos são de silício.

Nas condições apresentadas, o voltímetro DC instalado na carga registra, em V, aproximadamente,

Nas condições apresentadas, o voltímetro DC instalado na carga registra, em V, aproximadamente,
Provas
Questão presente nas seguintes provas
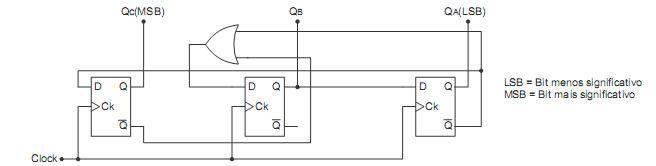
Para o contador em anel, representado abaixo, considere o estado inicial em zero.

Após seguidos pulsos de clock, pode-se verificar que o módulo principal de contagem, em decimal, é:

Após seguidos pulsos de clock, pode-se verificar que o módulo principal de contagem, em decimal, é:
Provas
Questão presente nas seguintes provas
- Diodo na Engenharia Eletrônica
- Eletrônica Analógica na Engenharia Eletrônica
- Eletrônica Digital na Engenharia Eletrônica
- Flip-flops
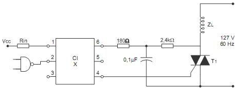
Considere o circuito abaixo.

Um circuito integrado comercial comumente utilizado na função do CI X é:

Um circuito integrado comercial comumente utilizado na função do CI X é:
Provas
Questão presente nas seguintes provas
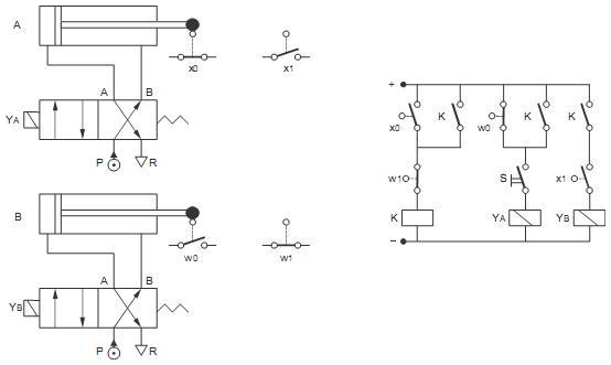
Instruções: Os esquemas abaixo devem ser utilizados para resolver às questões de números 33 e 34:

No circuito de controle, a função do dispositivo K é 
Provas
Questão presente nas seguintes provas
Instruções: Os esquemas abaixo devem ser utilizados para resolver às questões de números 33 e 34:

Os dois dispositivos comandados por YA e YB são classificados como válvulas eletropneumáticas de
Provas
Questão presente nas seguintes provas
Cadernos
Caderno Container