Foram encontradas 708 questões.
Seja o circuito série paralelo apresentado na figura a seguir. Sabendo-se que a tensão aplicada é igual a 12 V, pode-se afirmar que o valor da tensão indicada pelo Voltímetro V e a corrente do Amperímetro A são respectivamente.

Provas
Sabendo-se que a palavra “erro” designa a diferença entre o valor medido e o valor verdadeiro e que, para instrumento analógico, os erros normalmente são apresentados em termos do fundo de escala. Desta forma, para um voltímetro com fundo de escala 500V e erro 5% quando apresenta a leitura de 220 V, pode-se afirmar que o valor verdadeiro da medida está na faixa definida por:
Provas
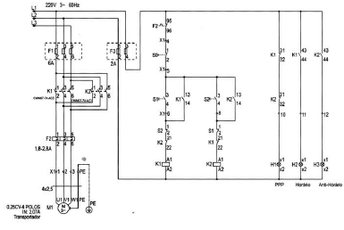
Considerando o circuito de força e comando de uma chave de partida reversora instantânea para motor trifásico apresentado a seguir, pode-se afirmar a respeito de seu funcionamento que.

Provas
Considere o sistema de resfriamento constituído por um trocador de calor com serpentina de água apresentado na figura a seguir. A partir da tabela de símbolos e do esquema ladder, pode-se afirmar que:

| Símbolos | Endereço | Comentário |
| S1 | 10.0 | Botão de partida bomba |
| S2 | 10.1 | Botão de parada |
| FR | 10.2 | Térmica eletrobomba |
| K1A | M0.0 | Merker de relé auxiliar |
| K2A | M0.1 | Merker de relé auxiliar |
| K3A | M02 | Merker de relé auxiliar |
| KM | M0.0 | Contador motor eletrobomba |
| YI | Q0.1 | Eletroválvula de emissão |
| HI | Q0.2 | Sinalização luminosa de eletroválvula aberta |
| Press -alta | I0.3 | Pressostato de alte |
| Term -alta | I0.4 | Termostato de alta |
| H2 | Q0.3 | Sinalização térmica |

Provas
Sistemas sequenciais são comandos que produzem uma sequência pré- determinada de ações, cuja passagem de uma para outra se dá em função do cumprimento de condições de prosseguimento, de acordo com uma programação. Para o sistema sequencial de um dispositivo de cortar tubo de aço apresentado a seguir é possível afirmar que:

Provas
Considere o sistema apresentado a seguir de alimentação de peças acionado por uma válvula de comando unidirecional (S1) para alimentação de peças em uma esteira a partir de um magazine. SejaE3 um sensor de presença, E1 um botão de comando manual sem trava e E2 um pedal de comando. Sendo alógica do comando dada pela tabela verdade apresentada pode-se afirmar que:

Provas
Considerando a peça apresentada em projeção isométrica a seguir pode-se afirmar que as projeções ortogonais de primeiro diedro corretas estão representadas pela letra:

Provas
De acordo com a causa, ou origem, dos erros de medidas, estes podem ser classificados em erros grosseiros, sistemáticos ou acidentais. A partir desta classificação de erros de medidas é correto afirmar que:
Provas
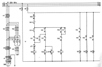
Considere o circuito de força e comando da chave de partida compensadora para um motor trifásico conforme apresentado a seguir. Sabendo-se que a mesma apresenta-se defeituosa uma vez que, ao ser acionada através da botoeira S1, o motor não inicia o processo de aceleração, passando diretamente para a condição normal de marcha no tempo selecionado através do relé de tempo dT1. A partir da observação verificada pelo técnico em automação pode-se afirmar que um defeito que acarreta o problema apresentado é:

Provas
De acordo com a norma NBR 8196/1999: Desenho técnico - Emprego de escalas, a escala selecionada deve ser suficiente para permitir uma interpretação fácil e clara da informação representada. Desta forma, para uma planta arquitetônica de uma casa de 8x12 m é correto afirma que:
Provas
Caderno Container