Foram encontradas 708 questões.
Sabe-se que o funcionamento de uma válvula eletropneumática direcional baseia-se no deslocamento de um núcleo metálico mediante a ação de um campo magnético. Assim o técnico em automação, para o bom desempenho de suas funções de manutenção em sistema eletropneumático, deve conhecer a representação de cada válvula na leitura de um circuito esquemático. Para tanto, pode-se afirmar que as três válvulas eletropneumáticas representadas a seguir são, respectivamente.

Provas
Seja o desenho esquemático do transformador ideal apresentado na figura a seguir. Sabendo-se que a tensão do primário é igual a 120 V e do secundário é 12 V é possível afirmar que:

Provas
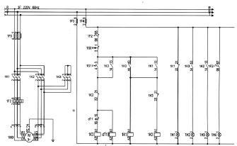
Considere o circuito de força e comando da chave de partida estrela -triângulo para motor trifásico conforme apresentado a seguir. Sabendo-se que a mesma apresenta-se defeituosa, uma vez que ao ser acionada através da botoeira S1,iniciando seu processo de aceleração o motor não passa para a condição normal de marcha. A partir da observação do técnico em automação pode-se afirmar que um defeito que acarreta o problema apresentado é:

Provas
Considerando a peça apresentada em projeção isométrica a seguir, pode-se afirmar que as projeções ortogonais de primeiro diedro corretas estão representadas pela letra:

Provas
De acordo com a Tabela 1 – Formatos da série A da norma NBR 10068/1987: Folha de desenho - Leiaute e dimensões e, considerando uma planta predial que possui seus limites de desenho iguais a 70 m na horizontal e 40 m na vertical, é possível afirmar que o formato do papel que a maior medida horizontal da planta ocupa pelo menos 80% do seu comprimento útil, para uma escala 1:100, deve ser o papel tamanho:
Tabela 1 - Formato da série "A"
| Designação | Dimensões |
| A0 A1 A2 A3 A4 | 841 x 1189 594 x 841 420 x 594 295 x 420 210 x 297 |
Provas
De acordo com a norma NBR 8403/1984: Aplicação de linhas em desenhos – Tipos de linhas - Larguras das linhas e a norma NBR 12298/1995: Representação de área de corte por meio de hachuras em desenho técnico, para o projeto mecânico da peça apresentada a seguir, cujas dimensões são dadas em milímetro, é correto afirmar que:

Provas
Leia atentamente a fábula abaixo:
A raposa e as uvas Morta de fome, uma raposa foi até um vinhedo sabendo que ia encontrar muita uva. A safra havia sido excelente. Ao ver a parreira carregada de cachos enormes, a raposa lambeou os beiços. Só que sua alegria durou pouco: por mais que tentasse, não conseguia alcançar as uvas. Por fim, cansada de tantos esforços inúteis, resolver ir embora, dizendo: - Para mim, quem quiser essas uvas pode levar. Estão verdes, estão azedas, não me servem. Se alguém me desse essas uvas, eu não comeria.
(Em Esopo, Fábulas de Esopo/compilação Russell
Ash e Bernard Higton; tradução de Heloísa Jahn. São Paulo: Companhia das Letrinhas, 1994, p.68).
Qual dos enunciados abaixo representa melhor a sua moral?
Provas
O trecho abaixo, retirado da revista Carta Capital, é o pronunciamento de um jornalista, falante da variedade padrão da língua. No entanto, podemos encontrar um desvio da norma padrão da língua.
“As falhas operacionais na ocupação do Complexo do Alemão derivaram da falta de conhecimento do fenômeno e isso não significa acordo com o crime organizado. O diversionismo em curso só aproveita ao crime organizado. Ele quebra a confiança dos cidadãos nas forças do Estado. Durante anos, assistiu-se, nas correlações entre associações criminosas e membros escravizados da comunidade, um vínculo de solidariedade constituído pelo medo. E tal vínculo acabou de ser desfeito com as retomadas”.
(Wálter Fanganiello Maierovitch, Carta Capital,
n. 625, 8/12/2010, p. 31; em Bagno, M. Gramática pedagógica do Português Brasileiro, São Paulo: Parábola Editorial, 2011, p. 348)
Apesar do trecho representar a norma padrão do português brasileiro, podemos dizer que há um problema de
Provas
Leia com atenção o texto abaixo:

Disponível em: <https://www.facebook.com/photo.php?fbid=657885947558713&set=a.271773609503284.88234.271668552847123&type=1&ref=nf> Acesso em: 20 jun. 2013.
As diversas variedades linguísticas do português brasileiro representam a variedade cultural do país e que, em qualquer uma delas, é possível expressar-se e comunicar-se com eficiência, fazer-se entendido. Com base nessa afirmação e considerando o uso do pronome, conforme o texto “Mais uma do Joãozinho”, é correto afirmar que
Provas
“Chegou em casa exausta, cheia de sacolas, de dor de cabeça, morta de calor, faminta, caótica, e com um firme propósito: tomar banho e cair na cama. (...)
(...)
— Esse jantar sai hoje ou não?
Esquece o banho.
— Sopa de novo?
(...)
— Por que eu não tenho copo?
Palpitação moderada. Coisa controlável. Foi buscar o copo.
— Aproveita que tá na cozinha e frita um ovo para mim? Claro. Fritar ovo inclusive é uma ótima terapia ocupacional para quem já passou por dois engarrafamentos, banco, pediatra, ginástica, supermercado, uma papelaria entupida de mães comprando material escolar e cinco reuniões de trabalho. Normal.
— Você não sabe que eu só gosto de gema mole?
Teve uma leve síncope nervosa, mas conseguiu se controlar. Afinal, a culpa era dela. Como podia ter cometido um erro tão grave? Era óbvio que a mais velha e a do meio gostavam de gema mole (muito sal para a primeira, pouco sal para a segunda), a menor preferia ovo mexido (sal no ponto), o marido não suportava gema... Ou não suportava clara? Quem gostava de omelete? Qual das crianças teve sarampo? Quem foi que quebrou a perna?
(Falcão, Adriana. Um dia de mãe. Em O doido da garrafa. São Paulo; planeta, 2003, p. 35-37, Trecho)
Assinale a alternativa que exemplifica o discurso indireto livre:
Provas
Caderno Container