Magna Concursos

Foram encontradas 70 questões.

2471356 Ano: 2013
Disciplina: Engenharia Eletrônica
Banca: UFLA
Orgão: UFLA
O circuito mostrado na Figura A é um retificador monofásico não controlado, utilizando diodo de silício. A Figura B mostra a tensão da fonte !$ v_0(t) !$ e a tensão na carga !$ v_c(t) !$.
Enunciado 3433983-1
O valor da tensão de pico inversa (PIV) necessária para especificação do diodo é:
 

Provas

Questão presente nas seguintes provas
2469185 Ano: 2013
Disciplina: Engenharia Elétrica
Banca: UFLA
Orgão: UFLA
Observe o circuito:
Enunciado 3195364-1
A resistência equivalente entre os terminais A e B é de:
 

Provas

Questão presente nas seguintes provas
Leia o cartoon para responder a questão.
Enunciado 3194999-1
Fonte: Disponível em: http://blogmouraencantada.wordpress.com/tag/cartoons/
Acesso em: 09/11/2012.
Observe o cartoon e assinale a alternativa CORRETA:
I – A utilização da palavra “regras” no plural sugere conveniência.
II – Os termos “percebeu” e “bem” são utilizados para assegurar o diálogo.
III – O autoritarismo do empregador é circunscrito à linguagem verbal.
 

Provas

Questão presente nas seguintes provas
2468811 Ano: 2013
Disciplina: Engenharia Eletrônica
Banca: UFLA
Orgão: UFLA
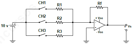
O circuito abaixo é utilizado para fazer a conversão digital-analógica, em que o estado fechado das chaves CH indica nível lógico 1 e o estado aberto indica nível lógico 0. Considere a figura:
Enunciado 3194235-1
Para Rf = 10 ohms, R1 = 2 ohms, R2 = 5 ohms e R3 = 10 ohms, a tensão analógica de saída Vs para as entradas digitais CH1, CH2 e CH3 iguais a 111 e a 101 é, respectivamente:
 

Provas

Questão presente nas seguintes provas
Leia o texto 1 para responder a questão.
TEXTO 1
TRABALHAR, TRABALHAR, TRABALHAR...
Já está na hora de encerrarmos de vez aquele papo-dito-popular de que trabalhador brasileiro é preguiçoso, malemolente, louco para não fazer nada e coisital. Ou trabalha se for apertado. Andei consultando uns dados da OIT (Organização Internacional do Trabalho), agência multilateral ligada à ONU. Lá está: na indústria, semanalmente, trabalhamos 8 horas a mais que o americano, 11 horas a mais que o alemão e empatamos com os tigres asiáticos. Isso, não computando às estatísticas a nossa portentosa e corajosa criatividade.
E a nossa capacidade de sobrevivência? Vai aí um caso apenas, para ilustrar.
O baiano Vildomar Aparecido dos Santos (vulgo Baião de Dois) ficou perdido por seis meses em Bagdá. Não sabia falar um a de árabe. E mal escrevia o nome. Mas se virou, vendendo bugigangas e salamaleques no suki de Rusafa. Até ser descoberto pelo pessoal da imprensa, com saia, turbante e tudo... E já arranhando o árabe direitinho.
Caminhoneiro nosso, por exemplo, rala três vezes mais que os americanos ou os franceses. E se pegarmos a coisa pelo viés da economia informal? Aí é que o urubu viaja. Camelô, por exemplo, não fica na raleira do centro da cidade menos que 12 horas diárias. E é de segunda a sábado. O que dá 72 horas por semana. Fora domingo, quando o camarada ainda faz mutirão pra ajudar vizinho a levantar o barraco. Ou muda de ramo, pra fazer mais biscate, ali, onde houver maior ajuntamento de povo. É só fazer um circuito pelo centro da cidade pra ver, ouvir e conferir. E trampando o feio, pro bonito comer.
Aí me pergunto: pra quê? Pra entregar pro desgoverno, em nome do chamado imposto-cidadão? E que imposto é esse que nos volta, apenas, com o nome de corrupção? É pra pagar a prestação de um sonho ou reinvestir no pesadelo? Qual o perfil de dignidade que deveria sobrar na alma desse trabalhador, após um dia inteiro de correria da polícia, dos fiscais da prefeitura e até dos próprios patrões?
“O trabalho dignifica o homem”, está nos livros.!$ ^{(I)} !$ Mas vá a gente, outrora pequenos burgueses (os que agora habitamos a pirâmide da famigerada Classe C ou D), enfrentar uma onça dessas?!$ ^{(II)} !$
Colega meu de Sampa, professor desempregado e meio maluco, foi ao Paraguai. Comprou tudo o que lhe sobrou do FGTS em mercadorias batizadas. Depois fez o teste: “alugou”, por um dia, um determinado ponto na 25 de Março. Montou a banca e vendeu tudo o que quis. Voltou com bolhas nos pés, garganta rouca e olho ardendo. Coluna empenada, cecê no sovaco e zumbido no ouvido. Taquicardia, pressão alta e estresse suficiente pra um mês inteiro. Diz que nunca mais volta. É o inferno travestido de purgatório. Melhor ser professor desempregado... Ou intelectual autônomo da palavra.
E eu nem falei ainda dos milhões de brasileiros que – apesar do Estatuto da Criança e do Adolescente – começam a trabalhar antes dos 14 anos. Já trocando o lápis pela foice, pelos sinais de trânsito e pela enxada.
Fonte: Antonio Barreto (Fragmento) Adaptado.
Acesso em 09/11/2012.
I – “‘O trabalho dignifica o homem’, está nos livros.”
II – “...enfrentar uma onça dessas?”
Juntando-se as duas proposições é possível concluir que o autor:
 

Provas

Questão presente nas seguintes provas
Bernardo pensou que seu relógio estava adiantado 15 minutos e o acertou, mas, na verdade, seu relógio estava atrasado 10 minutos. Murilo, que estuda na mesma escola de Bernardo, pensou que seu relógio estava atrasado 15 minutos e o acertou, mas, na verdade, seu relógio estava adiantado 5 minutos. Pouco tempo depois, eles se encontraram na escola, quando o relógio de Bernardo marcava 7 horas. O relógio de Murilo marcava, então:
 

Provas

Questão presente nas seguintes provas
2468190 Ano: 2013
Disciplina: Engenharia Eletrônica
Banca: UFLA
Orgão: UFLA
O gráfico abaixo mostra as formas de onda da tensão e corrente em um circuito elétrico. A partir deste gráfico responda a questão.
Enunciado 3160175-1
O circuito que apresenta as formas de onda de tensão e corrente mostradas acima se comporta como:
 

Provas

Questão presente nas seguintes provas

Leia as proposições sobre o que dispõe a Constituição da República Federativa do Brasil de 1988 e emendas:

I – As pessoas jurídicas de direito público e as de direito privado prestadoras de serviços públicos não responderão pelos danos que seus agentes, nessa qualidade, causarem a terceiros, devendo, portanto, entrar com ação de regresso contra o responsável nos casos de dolo ou culpa.

II – A União, os Estados e o Distrito Federal manterão escolas de governo para a formação e o aperfeiçoamento dos servidores públicos, constituindo-se a participação nos cursos um dos requisitos para a promoção na carreira, facultada, para isso, a celebração de convênios ou contratos entre os entes federados.

III – Somente por lei específica poderá ser criada Autarquia e autorizada a instituição de Empresa Pública, de Sociedade de Economia Mista e de Fundação, cabendo à lei complementar, neste último caso, definir as áreas de sua atuação.

Marque a alternativa CORRETA:

 

Provas

Questão presente nas seguintes provas
As alternativas a seguir referem-se aos deveres fundamentais do servidor público, estabelecidos no Código de Ética (Decreto nº. 1.171/94), EXCETO:
 

Provas

Questão presente nas seguintes provas
Observe a tabela abaixo:
Grupamento de atividade do trabalho principal Agrícola Indústria Serviços
Percentual de pessoas que tinham telefone móvel celular
segundo os grupamentos de atividade do trabalho em 2008.
25% 70% 50%
Fonte: IBGE, Diretoria de Pesquisas, Coordenação de Trabalho e Rendimento.
Pesquisa nacional por amostra de domicílios, 2008. (Adaptado)
Considerando que o setor agrícola correspondia a 20% da população, o setor industrial correspondia a 30% da população e o setor de serviços a 50% da população, é CORRETO afirmar que:
 

Provas

Questão presente nas seguintes provas