Foram encontradas 70 questões.
- UniãoExecutivoDecreto 1.171/1994: Código de Ética do Servidor Público Civil do Poder Executivo Federal
Com base no Código de Ética Profissional do Servidor Público Civil do Poder Executivo Federal (Decreto nº 1.171/94), analise as proposições:
I – É permitido ao servidor público ser, em função de seu espírito de solidariedade, conivente com erro ou infração ao Código de Ética.
II – É vedado ao servidor público o uso do cargo ou função, facilidades, amizades, tempo, posição e influência, para obter qualquer favorecimento, para si ou para outrem.
III – É permitido ao servidor público alterar o teor de documentos para preservar interesses particulares.
IV – O servidor público deve comunicar, no prazo máximo de trinta dias a seus superiores, todo e qualquer ato ou fato contrário ao interesse público, exigindo as providências cabíveis.
V – É dever do servidor público participar dos movimentos e estudos que se relacionem com a melhoria do exercício de suas funções, tendo por escopo a realização do bem comum.
Marque a alternativa CORRETA:
Provas
Questão presente nas seguintes provas
Uma avenida de pista dupla será asfaltada como especificado na planta:

Serão asfaltados somente os lugares indicados com a palavra “ASFALTO”. O raio do canteiro central mede 4 m.
(Considere !$ \pi = 3,14 !$)
A área a ser asfaltada é:
Provas
Questão presente nas seguintes provas
Sobre a caracterização de instrumentos de medição, é correto afirmar, EXCETO:
Provas
Questão presente nas seguintes provas
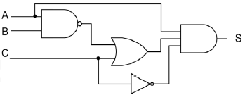
Observe a figura a seguir a respeito de portas lógicas:

É CORRETO afirmar que a função lógica booleana simplificada que representa a saída S é descrita por:
Provas
Questão presente nas seguintes provas
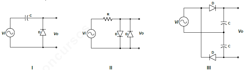
Os diodos são componentes eletrônicos utilizados para os mais diversos fins em circuitos. Considere os seguintes circuitos com diodos:

Os circuitos I, II e III apresentados possuem as seguintes funções, respectivamente:
Provas
Questão presente nas seguintes provas
Um triângulo equilátero de lado 1 dm é girado sobre seus vértices, como na figura:

A distância percorrida pelo ponto A para um giro completo é:
Provas
Questão presente nas seguintes provas
Leia o texto 2 para responder a questão.
TEXTO 2
A MUDANÇA NO PERFIL DO TRABALHADOR
O mundo está mudando, se transformando, evoluindo e a tão decantada globalização da economia está se processando, estimulando a livre concorrência, impondo novas regras ao mercado. O desenvolvimento tecnológico impulsiona a todo instante o aumento da produtividade com maior qualidade e menor custo e a sobrevivência das empresas depende da capacidade de absorver e processar essas mudanças transformando-as em insumo competitivo com rapidez. A integração do planeta está reordenando os valores e prioridades da sociedade, interferindo e modificando radicalmente as antigas relações de trabalho. Não faz muito tempo, era costume associar emprego à indústria, ao posto de trabalho, à estabilidade ou à proteção. O mercado absorvia muito bem o operário padrão, disciplinado, leal, pronto a vestir a camisa da empresa. Nos dias de hoje, com o deslocamento do emprego da área industrial para os serviços formais e informais, tudo mudou. Na produção flexível, o empregado perdeu a vinculação ao posto de trabalho. No mercado em transformação, tornou-se instável e autônomo. No setor público o funcionário é impelido a buscar outro perfil, mais flexível e rearticulado.
Nas empresas, o advento da privatização tornou as pessoas sensíveis à nova realidade da globalização instaurada no mundo e à falta de emprego. A nova realidade que se apresenta cria um novo conceito de emprego para os próximos anos!$ ^{(B)} !$: a empregabilidade, que podemos definir como um conjunto de conhecimentos!$ ^{(A)} !$, possibilidades, comportamentos e relações que tornam o profissional necessário não apenas para uma, mas para toda e qualquer organização.!$ ^{(D)} !$ Hoje, mais importante que apenas obter um emprego é tornar-se empregável, manter-se competitivo em um mercado em mutação.!$ ^{(C)} !$ Preparar-se inclusive, para várias carreiras e diferentes trabalhos às vezes até simultâneos. Os trabalhadores no Brasil desenvolvem hoje estratégias pessoais para incremento da sua empregabilidade, tendo em vista o novo cenário de globalização, visando desenvolver o seu nível de empregabilidade e adequá-lo às necessidades exigidas pelo cenário.
Fonte: MACEDO, João Ricardo Silva. A mudança no perfil do trabalhador.
Disponível em: pt.shvoong.com/social-sciences/1663136-mudança-perfil-trabalhador
Acesso em: 09/11/2012.
Assinale a alternativa em que o “que” apresenta função gramatical/coesiva diferente:
Provas
Questão presente nas seguintes provas
A figura abaixo apresenta um circuito com um transistor TJB de silício:

Considerando que o ganho de corrente do coletor desse transistor seja !$ \beta !$=100 e que o transistor esteja em modo de operação ativo, é CORRETO afirmar que a tensão Vc em relação ao terra do circuito é, aproximadamente:
Provas
Questão presente nas seguintes provas
O Controlador Lógico Programável (CLP) é um dos equipamentos mais utilizados na automação industrial. A linguagem de programação de tais equipamentos é regulamentada pela norma IEC 61131-3, em que se definem as 5 linguagens seguintes:
Provas
Questão presente nas seguintes provas
De acordo com o Regimento Geral da Universidade Federal de Lavras (UFLA), é CORRETO afirmar:
Provas
Questão presente nas seguintes provas
Cadernos
Caderno Container