Foram encontradas 45 questões.
As grandezas elétricas voltagem ou tensão elétrica (v), corrente elétrica (i), carga elétrica (q) e fluxo magnético (ϕ) estão relacionadas fisicamente com parâmetros concentrados de circuito: resistência (R), capacitância (C, indutância (L), conforme as expressões a seguir, EXCETO:
Provas
Questão presente nas seguintes provas
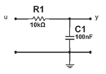
Em um circuito de filtro RC passa-baixas conforme ilustrado a seguir, é INCORRETO afirmar que

Provas
Questão presente nas seguintes provas
Um retificador de onda completa semicontrolado alimenta uma carga RL. Variando-se o ângulo de disparo dos SCR’s, é possível controlar na carga as grandezas listadas abaixo, EXCETO:
Provas
Questão presente nas seguintes provas
A tabela-verdade para projeto do FF JK é dada na alternativa:
Provas
Questão presente nas seguintes provas
Em busca da batata perfeita
É difícil encontrar quem não goste. Ela é uma das comidas preferidas no mundo, e também um negócio enorme: só o McDonald’s vende 4 milhões de quilos por dia (aproximadamente 2 bilhões de batatinhas). Impulsionados por esse mercado milionário, cientistas e cozinheiros de vários países abraçaram um objetivo saboroso: criar as fritas mais gostosas possíveis. E o primeiro estudo sobre o assunto, feito pela Universidade Rutgers, a pedido do governo dos EUA, chegou a uma descoberta surpreendente. Para ter batatinhas perfeitas, o ideal é fritar com óleo que já tenha sido usado. Isso porque, quando o óleo é submetido ao calor, suas moléculas se quebram - e isso melhora a transferência de calor do óleo para a batata.
Outra técnica recomendada por especialistas, mas que parece contrariar o senso comum, é a dupla fritura. “Primeiro, as batatas devem ser fritas por um minuto, só para garantir o cozimento da parte externa. Depois, vão para o congelador”, diz a chef PamellaTello, do Peru, país com mais tipos de batata no mundo (cerca de 4 mil). Depois de congelada, a batata é frita novamente, por seis minutos. A ideia aqui é se livrar da água, que compõe 70% do tubérculo. Quando ela é congelada, a água vira gelo e se expande. Isso altera a estrutura celular do tubérculo - e faz com que a água da batata seja expelida mais rápido quando ela é frita pela segunda vez.
(http://super.abril.com.br/alimentacao/busca-batata-perfeita-720986.shtml).
Este texto foi escrito principalmente para
Provas
Questão presente nas seguintes provas
Cadernos
Caderno Container