Foram encontradas 45 questões.
Diversas são as variáveis que podem comprometer a qualidade do ar em ambientes climatizados.
Todos os fatores abaixo são importantes para garantir a qualidade desse ar, EXCETO:
Provas
Questão presente nas seguintes provas
No que se refere aos equipamentos de purificação do ar, as seguintes afirmações são verdadeiras, EXCETO:
Provas
Questão presente nas seguintes provas
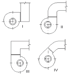
Os diagramas abaixo representam a saída de um duto de ventilação forçada.

Qual duto apresenta a menor resistência à saída do ar?
Provas
Questão presente nas seguintes provas
A atmosfera sempre apresenta um pouco vapor de água, mesmo em regiões mais desérticas, onde a umidade relativa do ar é muito baixa. A umidade relativa é a relação entre a pressão que o vapor presente no ar exerce e a pressão do vapor quando o ar está saturado (umidade 100%) na mesma temperatura. O primeiro gráfico abaixo mostra as variações da temperatura e da umidade relativa do ar ao longo de um dia padrão para uma pressão de vapor constante de 2,4 kPa. O segundo gráfico apresenta a pressão de saturação do vapor de água em função da temperatura.

De acordo com as informações dadas, às 13 h e 30 min, quando a temperatura ambiente é máxima, a umidade relativa do ar é
Provas
Questão presente nas seguintes provas
Os conceitos relacionados à psicrometria são essenciais para análise do conforto térmico em um ambiente condicionado. Durante o resfriamento ou aquecimento do ar, o ambiente sofre modificações.
Em relação à umidade absoluta, é CORRETO afirmar que ela
Provas
Questão presente nas seguintes provas
No Laboratório de Refrigeração da Escola de Engenharia da UFMG , um estudante de mestrado instalou um manômetro de coluna de água em um trecho de um duto de ar. Ele conhecia a temperatura do ar e várias dimensões da montagem, como mostrado na figura abaixo.

Refletindo sobre a montagem, o estudante formulou duas possibilidades:
I. Posso obter a vazão de ar no duto, aplicando as equações de Bernoulli e da continuidade.
II. Posso obter as pressões absolutas do ar nos pontos 1 e 2, a partir da leitura do manômetro.
Sobre as possibilidades dessa montagem:
Provas
Questão presente nas seguintes provas
Na figura abaixo, mostra-se um sistema de polias e correia usado para transmitir o movimento do eixo de um motor elétrico ao eixo de um compressor alternativo de uma máquina de refrigeração. A vazão volumétrica do compressor mostrado na figura é dada pela fórmula Q = N V, em que N é a frequência de rotação do eixo do compressor e V, a cilindrada do compressor.

Um técnico em refrigeração necessita de uma vazão volumétrica no compressor de 0,18 m3/min. Dos catálogos dos fabricantes do compressor e do motor, o técnico sabe que a cilindrada do compressor é de 150 cm3 e que o motor gira a 1800 rpm. No almoxarifado, ele dispõe de três polias com diâmetros de 15 cm (polia 1), 30 cm (polia 2) e 45 cm (polia 3).
Para atingir seu objetivo, qual dos arranjos abaixo o técnico deve escolher para montar o sistema de polias e correia?
Provas
Questão presente nas seguintes provas
A eficiência energética de um sistema de ar condicionado pode ser estimado a partir do valor do seu coeficiente de performance (COP). O COP irá variar, conforme as condições de funcionamento do equipamento, o que deve ser avaliado caso a caso.
Pode-se garantir que haverá aumento no COP, caso haja:
Provas
Questão presente nas seguintes provas
Readaptação é
Provas
Questão presente nas seguintes provas
Carga térmica é a quantidade de calor que deve ser retirada ou fornecida a um recinto por unidade de tempo, objetivando manter inalteradas as condições térmicas de um recinto dentro de certo intervalo de temperatura e umidade do ar.
Todos os elementos citados abaixo podem constituir fontes comuns de carga térmica de recintos resfriados ou aquecidos, EXCETO:
Provas
Questão presente nas seguintes provas
Cadernos
Caderno Container