Foram encontradas 260 questões.
Qual é o regime contábil no qual, na apuração do resultado
do exercício, devem ser consideradas todas as despesas
pagas e as receitas recebidas no respectivo exercício,
independentemente da data da ocorrência de seus fatos
geradores?
Provas
Questão presente nas seguintes provas
A Norma ABNT NBR 5410-2004 classifica o esquema de
aterramento TN como sendo o que possui um ponto da
alimentação diretamente aterrado, sendo as massas ligadas
a esse ponto através de condutores de proteção. Observe a
figura a seguir.

A variante do esquema TN apresentada na figura é a

A variante do esquema TN apresentada na figura é a
Provas
Questão presente nas seguintes provas
De acordo com o subitem 10.2.3 da Norma
Regulamentadora n. 10 (NR 10) do Ministério do Trabalho e
Emprego (MTE), as empresas estão obrigadas a manter
esquemas unifilares atualizados das instalações elétricas
dos seus estabelecimentos com as especificações do
sistema de aterramento e demais equipamentos e
dispositivos de proteção. Alguns estabelecimentos devem
constituir e manter o Prontuário de Instalações Elétricas
contendo também o que é especificado nas alíneas “a” a “g”
do subitem 10.2.4. As exigências que constam desses dois
subitens são para estabelecimentos com carga instalada
superior a
Provas
Questão presente nas seguintes provas
Conforme a Resolução Normativa no 1.000/2021, uma das
características da modalidade tarifária horária azul é uma
tarifa para
Provas
Questão presente nas seguintes provas
A Tabela 1 mostra o consumo diário de duas cargas
elétricas, identificadas como cargas 1 e 2. A Tabela 2 mostra
algumas opções de ações de eficientização possíveis para
cada uma dessas cargas.

Analise o efeito de cada opção da Tabela 2 sobre a redução de consumo global da unidade consumidora. Se cada opção fosse implementada isoladamente, qual delas resultaria em maior economia global de energia elétrica?

Analise o efeito de cada opção da Tabela 2 sobre a redução de consumo global da unidade consumidora. Se cada opção fosse implementada isoladamente, qual delas resultaria em maior economia global de energia elétrica?
Provas
Questão presente nas seguintes provas
A relação entre a demanda máxima, que ocorre em um
determinado intervalo de tempo (t), e a carga instalada na
unidade consumidora é definida como fator de
Provas
Questão presente nas seguintes provas
A tabela a seguir mostra os valores RMS das correntes
(componente fundamental e harmônicas) de uma carga
elétrica não linear, onde h é a ordem harmônica com relação
à fundamental.

Para essas condições, a distorção harmônica total de corrente é, aproximadamente,

Para essas condições, a distorção harmônica total de corrente é, aproximadamente,
Provas
Questão presente nas seguintes provas
As componentes harmônicas mais importantes presentes na
tensão de linha na saída do inversor trifásico (conversor
DC/AC) operado no modo onda quadrada são as de ordem
Provas
Questão presente nas seguintes provas
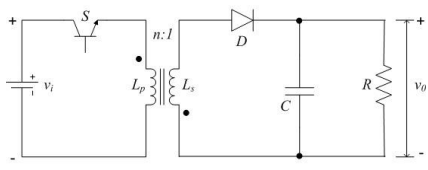
A figura a seguir representa um conversor dc-dc com entrada Vi e saída Vo.

O tipo de conversor mostrado na figura é denominado de conversor
Provas
Questão presente nas seguintes provas
Nos projetos de instalações elétricas, em unidades
residenciais, o número de pontos de tomadas de uso geral
deve ser fixado de acordo com critérios estabelecidos em
norma. Considere um dormitório com área de 18,9 metros
quadrados e perímetro de 17,8 metros. Segundo a NBR
5410 de 2004, qual deve ser o número mínimo de tomadas
de uso geral para esse ambiente?
Provas
Questão presente nas seguintes provas
Cadernos
Caderno Container