Foram encontradas 60 questões.
O preço de um aparelho de TV é de R$ 1.500,00 e pode ser pago nas seguintes condições: um quarto de entrada e o restante em três prestações iguais, sem acréscimo. Qual o valor de cada parcela?
Provas
Questão presente nas seguintes provas
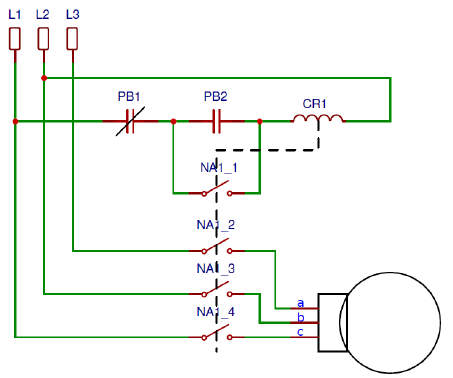
O diagrama a seguir representa a ligação de um motor trifásico através de uma lógica implementada com um contator com quatro chaves normais abertas. Os contatos PB1 e PB2 são ligados a chaves push button normal fechada e aberta, respectivamente. O funcionamento dessa lógica é:

Provas
Questão presente nas seguintes provas
No período de Natal, um gerente concedeu um prêmio no valor de R$ 6.390,00 para seus três funcionários, dividindo-o em partes, inversamente proporcionais ao número de faltas que cada funcionário teve ao longo do ano. Se os funcionários faltaram 3, 5 e 7 dias, quanto recebeu o que faltou 5 dias?
Provas
Questão presente nas seguintes provas
No circuito a seguir, os valores das resistências são dados em ohm. O valor da tensão de Thevenin e a resistência em série visto pelo resistor R3 é, respectivamente:

Provas
Questão presente nas seguintes provas
A família dos porquês
A lógica costuma definir três modalidades distintas no uso do termo “porque”: o “porque” causa (“a jarra espatifou-se porque caiu ao chão”); o explicativo (“recusei o doce porque desejo emagrecer”); e o indicador de argumento (“volte logo, você sabe por quê”). O pensamento científico revelouse uma arma inigualável quando se trata de identificar, expor e demolir os falsos porquês que povoam a imaginação humana desde os tempos imemoriais: as causas imaginárias dos acontecimentos, as pseudoexplicações de toda sorte e os argumentos falaciosos.
Mas o preço de tudo isso foi uma progressiva clausura ou estreitamento do âmbito do que é ilegítimo indagar. Imagine, por exemplo, o seguinte diálogo. Alguém sob o impacto da morte de uma pessoa especialmente querida está inconformado com a perda e exclama: “Eu não consigo entender, isso não podia ter acontecido, por que não eu? Por que uma criatura tão jovem e cheia de vida morre assim?!”. Um médico solícito entreouve o desabafo no corredor do hospital e responde: “Sinto muito pela perda, mas eu examinei o caso da sua filha e posso dizer-lhe o que houve: ela padecia, ao que tudo indica, de uma máformação vascular, e foi vítima da ruptura da artéria carótida interna que irriga o lobo temporal direito; ficamos surpresos que ela tenha sobrevivido tantos anos sem que a moléstia se manifestasse”.
A explicação do médico, admita-se, é irretocável; mas seria essa a resposta ao “por quê” do pai inconsolável? Os porquês da ciência são por natureza rasos: mapas, registros e explicações cada vez mais precisas e minuciosas da superfície causal do que acontece. Eles excluem de antemão como ilegítimos os porquês que mais importam. O “porquê” da ciência médica nem sequer arranha o “por quê” do pai. Perguntar “por que os homens estão aqui na face da Terra”, afirma o biólogo francês Jacques Monod, é como perguntar “por que fulano e não beltrano ganhou na loteria”.
No macrocosmo não menos que no microcosmo da vida, as mãos de ferro da necessidade brincam com o copo de dados do acaso por toda a eternidade. Mas, se tudo começa e termina em bioquímica, então por que – e para que – tanto sofrimento?
In: GIANNETTI, Eduardo. Trópicos utópicos. São Paulo: Companhia das Letras, 2016. p. 25-26. Adaptado.
Quando o autor do Texto afirma que “os porquês da ciência são por natureza rasos” (3º parágrafo), ele quer dizer que:
Provas
Questão presente nas seguintes provas
Uma porta digital de potência fornece 0 ou 5 V. Desejando-se utilizar essa porta para acender um LED com 20 mA, a tensão do LED com 20 mA é de 3 V. O valor da resistência que deve ser colocada em série com o LED é:
Provas
Questão presente nas seguintes provas
A seguir, são apresentadas afirmações sobre máquinas CA e CC, que devem ser analisadas.
1) As máquinas DC são divididas em dois tipos: máquinas síncronas e máquinas de indução.
2) Uma máquina DC funciona por meio de um mecanismo de inversão da corrente que circula no enrolamento da armadura e é realizado por contato alternado das escovas com um comutador.
3) Uma máquina de indução é formada por um rotor que é essencialmente um ímã ou um eletroímã induzido por uma corrente DC.
Está(ão) correta(s):
Provas
Questão presente nas seguintes provas
Acerca de instalações elétricas, analise as afirmativas a seguir.
1) O dispositivo DR é utilizado em instalações elétricas para proteger a rede elétrica de variações grandes de tensões.
2) O disjuntor é um dispositivo utilizado unicamente para ligar e desligar seções de redes elétricas.
3) Um aterramento adequado é feito através de um fio terra ligado a uma haste fincada na terra, de tal forma que a tensão entre o neutro da rede e o fio terra seja relativamente próxima de zero volts.
Está(ão) correta(s):
Provas
Questão presente nas seguintes provas
A representação mais próxima do número !$ \pi !$ !$ ≈ !$ 3,1416, utilizando ponto flutuante com 4 bits de expoente e 5 bits de mantissa, no formato (S, E, M) é:
Provas
Questão presente nas seguintes provas
Uma pousada cobra R$ 2.640,00 para hospedar 6 pessoas por 4 dias. Quanto cobrará de 5 pessoas para hospedá-las por uma semana?
Provas
Questão presente nas seguintes provas
Cadernos
Caderno Container