Foram encontradas 30 questões.
A climatização de ambientes é feita por meio de sistemas de ar-condicionado, para conforto humano, que produzem temperaturas mais amenas (frias) ou mais quentes (calefação). Igualmente importantes são as plantas de refrigeração, que têm objetivos distintos. Entretanto, não se pode confundir ar-condicionado com ar-refrigerado.
Com base nessas informações e considerando a presença de pessoas no ambiente alvo do projeto, é correto afirmar que plantas de
Provas
Três tipos de materiais utilizados na fabricação de eixos (aço SAE 1020, um aço de médio carbono e o ferro fundido cinzento) foram submetidos ao ensaio de tração e suas curvas foram plotadas conforme ilustrado na figura abaixo.

Em relação à curva do ensaio à tração do material e à característica da fratura no eixo correspondente, quando submetido a uma torção pura, é correto afirmar que o material da curva
Provas
Em relação a caldeiras, considere os seguintes elementos:
I válvula de segurança com pressão de abertura ajustada na pressão máxima de trabalho admissível
II indicador de nível de água
III instrumento que indique a pressão do vapor acumulado
IV superaquecedor, para superaquecer o vapor.
De acordo com a norma NR-13 (Caldeiras e Vasos de Pressão), toda caldeira deve possuir
Provas
As novas tecnologias muito têm auxiliado o engenheiro em suas atividades cotidianas. Nesse sentido, as tecnologias referentes aos ensaios não destrutivos têm desempenhado importante papel na detecção de falhas em equipamentos inspecionados sem serem retirados de operação ou de serviço. Nesse contexto, os ensaios não destrutivos mais adequados para se verificarem trincas superficiais e trincas internas são, respectivamente,
Provas
O ciclo completo desta nova tecnologia da informática aplicada à engenharia, chegando até o produto final, é composto por cinco estágios: medição tridimensional, reconstrução da superfície, usinagem dos pontos digitalizados, checagem da qualidade da geometria e interface para protótipo.
Essa informação diz respeito à
Provas
Dentre os vários elementos de máquinas conhecidos, as engrenagens desempenham importante papel na transmissão de movimentos, possibilitando aumento ou redução de velocidade.
Para um correto engrenamento pinhão-coroa é condição absolutamente necessária que ambos tenham o mesmo
Provas
Para o controle de poluição, podem ser usados analisadores de gás que trabalham na base de percentual volumétrico de gases secos. Esse procedimento pode dar uma falsa idéia de que o motor a diesel emite menos poluentes, uma vez que, com esse motor, os vários gases nocivos à natureza são diluídos no excesso de ar que sai na massa total dos gases emitidos. Alternativamente, pode ser realizada uma avaliação percentual mássica. Adotando-se essa segunda alternativa, será importante observar que motores
Provas
Se o ângulo entre as manivelas de um motor corresponde a 180º, dentre algumas possibilidades, isso sugere que o motor é de
Provas
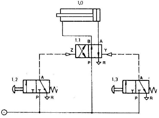
O diagrama pneumático correspondente ao esquema de comando para o acionamento de um êmbolo de cilindro é ilustrado na figura adiante.
Assuma que não haja problemas de pressão de ar oriundo do compressor e que, nesse instante de observação, a posição do êmbolo do cilindro 1.0 é exatamente a mesma indicada na figura (haste do êmbolo recolhida).

O funcionamento do esquema de comando demonstra que
Provas
Em condições normais de funcionamento (sem desgastes, sem danos, etc.), as leis de transmissão por correias planas garantem que, independentemente da disposição de duas ou mais roldanas, as correias não se soltem em operação. Além da convexidade, exige-se que o ponto em que uma correia abandona cada uma das polias obedeça a condições especiais.
As figuras adiante mostram um mesmo dispositivo, em quatro configurações distintas, funcionando nos sentidos de rotação indicados.


As configurações que obedecem à lei fundamental são
Provas
Caderno Container