Foram encontradas 60 questões.
Na figura 17, é mostrado um trecho do sinal composto de vídeo usado em sistemas de televisão, assim, os algarismos I, II, III, IV e V indicam, respectivamente:

Provas
Em relação ao circuito apresentado na figura 14, ao se inserir um PTC entre o emissor e o terra do circuito, é possível afirmar que:

Provas
Transistores MOSFETs são muito utilizados na fabricação de circuitos integrados de sistemas digitais. Assim, das alternativas apresentadas a seguir, qual a que melhor satisfaz à afirmação anterior:
Provas
Em relação ao circuito apresentado na figura 14, o problema supracitado poderia ser resolvido:

Provas
Considerando-se o circuito da figura 14, abaixo apresentada, é possível afirmar que:

Provas
No circuito dado na figura 14, o transistor Q1 tem !$ \beta !$=200 e a fonte de alimentação é de 12 V. Para o ponto quiescente: VCEQ=Vcc/2, ICQ=10 mA e VBEQ=0,7 V, os valores de RC e RB são, respectivamente, iguais a:

Provas
Para que o LED do circuito da figura 13 fique polarizado no seu ponto quiescente (VD=2 V e ID=15 mA), dado Vcc=12 V, o valor aproximado de Rs será de:

Provas
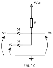
De acordo com o circuito mostrado na figura 12, pode-se afirmar que:

Provas
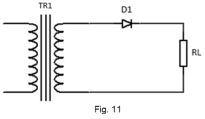
Em relação à figura 11 abaixo, qual das afirmações apresentadas a seguir está correta:

Provas
Na figura 11, a tensão do secundário do transformador TR1 vale 10 Vrms, a tensão de polarização direta de D1 vale 0,7 V (diodo de silício) e RL=10 Ω, logo, os valores aproximados da tensão de pico na saída do transformador e da corrente média na carga serão, respectivamente, iguais a:

Provas
Caderno Container