Foram encontradas 60 questões.
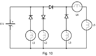
Dado o circuito da figura 10, e a tensão das lâmpadas: V=3 V, é possível afirmar que:

Provas
No circuito dado pela figura 9, têm-se: V'=(100; 0º) V; R=10 Ω; L=0,05 H; C=220 μF e f=60 Hz. Assim, a impedância Z e a corrente I do circuito, respectivamente, valem:

Provas
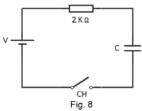
No circuito dado pela figura 8, C armazena uma carga total de 200 μC e a constante de tempo do circuito é de 20 ms. Ao fechar a chave CH, é possível afirmar que:

Provas
Um fio retilíneo e longo de um dado circuito é percorrido por uma corrente elétrica i constante, e é colocado de forma perpendicular ao plano da página de acordo com a figura 7. Desprezando-se o campo magnético da terra, qual das alternativas abaixo expressa a configuração correta, referente ao alinhamento da agulha magnética da bússola?

Provas
Para o circuito dado através da figura 6, deseja-se medir a corrente I que percorre o mesmo através de um osciloscópio, assim, sabendo-se que R1=1 Ω, R2=10 KΩ e E=10 V, o procedimento correto para a realização dessa medição é:

Provas
No circuito dado pela figura 4, são indicadas as potências fornecidas ao Motor e às Lâmpadas, bem como a leitura do Amperímetro. A força eletromotriz da Bateria é de 10 V. Considerando-se o Voltímetro e o Amperímetro ideais, a leitura do Voltímetro e a resistência interna r da Bateria, respectivamente, valem:

Provas
Na figura 3, R vale 10 Ω e as interligações são formadas por fios perfeitamente condutores. Aplicando-se uma diferença de potencial de 10 V entre os pontos A e B, a corrente que circulará entre A e B será de:

Provas
A tabela seguinte foi obtida através da variação de ddp (diferença de potencial) aplicada a um condutor:
| U(V) | 0 | 10 | 30 | 50 | 80 |
| i(A) | 0 | 0,25 | 0,50 | 0,75 | 0,85 |
Assim, de acordo com os resultados apresentados, é possível concluir que:
Provas
Para o trecho de circuito dado pela figura 2, as intensidades das correntes i1 e i2 são, respectivamente, iguais a:

Provas
O gráfico dado pela figura 1 representa a intensidade de corrente que percorre um condutor em função do tempo. Assim, a carga elétrica que atravessa uma seção transversal do condutor, entre os instantes 4 e 5 segundos, é de:

Provas
Caderno Container