Foram encontradas 50 questões.
A figura a seguir mostra parte integrante de uma planta elétrica residencial.

Analisando a ligação elétrica do Circuito 1 (iluminação com interruptor paralelo), do Circuito 2 (tomadas) e Circuito 3 (tomada), é correto afirmar que
Provas
Uma corrente ou tensão alternada pode ser representada por uma equação trigonométrica, graficamente ou por meio do seu fasor. A figura a seguir mostra a forma gráfica de uma corrente elétrica.

A equação trigonométrica que representa a forma gráfica mostrada na figura é
Provas
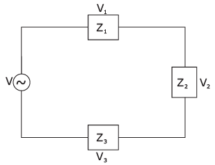
Um técnico em Eletrotécnica necessita descobrir a corrente total do circuito mostrado na figura a seguir. Ao analisar o circuito elétrico, o técnico identifica as seguintes informações:
V = (3 + j4) VRMS, V1 = (3 + j0) VRMS, V3 = - j4 VRMS e Z2 = !$ j2 \Omega !$.

Com base nessas informações, a corrente do circuito em RMS é
Provas
O Conselho de Curadores é o órgão de controle e fiscalização econômico-financeira da Universidade Federal de Santa Maria.
De acordo com o que está pervisto no Estatuto da UFSM, assinale V (verdadeiro) ou F (falso) em cada afirmativa a seguir.
( ) O Reitor ocupará a posição de presidente do Conselho de Curadores, mas não terá direito a voz e voto.
( ) Compete ao Conselho de Curadores fixar tabelas de taxas e outros emolumentos devidos à Universidade, bem como propor homologação ao Conselho de Ensino, Pesquisa e Extensão (CEPE).
( ) Compete ao Conselho de Curadores apreciar a proposta orçamentária e o orçamento analítico da Universidade.
( ) O Conselho de Curadores somente deliberará com a maioria absoluta de seus membros.
A sequência correta é
Provas
Para responder à questão, leia o texto a seguir.

A UFSM lança, neste mês de junho, a campanha institucional “Transforma o lugar que te transforma”. Iniciativa do projeto Universidade Meio Ambiente (UMA), a campanha é composta por materiais gráficos que orientam a comunidade universitária sobre o uso racional dos recursos, chamando a atenção para a responsabilidade de cada um na sustentabilidade da instituição.
A campanha foi elaborada pela Facos Agência e desdobrada por bolsistas de Comunicação Social e Desenho Industrial do UMA e do Laboratório de Relações Públicas (LARP). Os materiais elaborados trazem dados e orientações sobre o consumo de energia, água e copos plásticos, o uso correto do ar-condicionado, entre outros temas. As peças serão veiculadas no site institucional da UFSM e do UMA, em mídias sociais e murais das unidades universitárias. Os dados da campanha foram obtidos por meio de estudos realizados pelo UMA e pelo Grupo de Eficiência Energética e também de pesquisa desenvolvida pela Universidade Federal de Lavras (UFLA), de Minas Gerais, instituição referência em sustentabilidade e preservação do meio ambiente na América Latina.
Para a coordenadora pedagógica do LARP, professora Carlise Rudnicki, a campanha se apresenta como uma importante ferramenta de conscientização e estímulo ao debate, em que os diversos públicos da Universidade atentam a questões de interesse público e passam a fazer parte dos processos de forma mais crítica. “Temos pensado em ações a partir de estatísticas e informações que tangenciam o cotidiano e que demandam contemplação de todos nós. Sabemos da complexidade de entendermos que somos autores dos acontecimentos e que, a partir de cada um de nós, estudantes e servidores, será possível entender os processos e buscar soluções de forma coletiva”, avalia Carlise.
Fonte: UNIVERSIDADE FEDERAL DE SANTA MARIA. Disponível em: https://www.ufsm.br/2018/06/19/campanha-institucional-busca-conscientizar-
estudantes-e-servidores-para-sustentabilidade-da-universidade-2/. Acesso em: 29 jul. 2019.(Adaptado)
Assinale V (verdadeiro) ou F (falso) em cada afirmativa sobre a contribuição das escolhas linguísticas e visuais feitas no texto.
( ) A representação fotográfica de um único indivíduo no cartaz reforça, coerentemente, a ideia de que a sustentabilidade da universidade é responsabilidade de cada um.
( ) Os segmentos estudantes e servidores (título), a comunidade universitária e os diversos públicos da Universidade (ℓ.14-15) remetem ao mesmo referente: o alvo da campanha.
( ) Formas características tanto do discurso relatado quanto do citado auxiliam na articulação do testemunho de uma docente diretamente envolvida com a institucionalização de ações de sustentabilidade da UFSM.
A sequência correta é
Provas
Observe o circuito na figura a seguir.

A secção, destacada por pontilhados no circuito, pode ser reduzida por apenas uma fonte de tensão de em série com um resistor de , ou seja, pelo seu Equivalente Thevenin.
Assinale a alternativa que preenche corretamente as lacunas.
Provas
Compete ao poder público, nos termos do que dispõe a Lei nº 13.146, de 06 de julho de 2015, garantir a dignidade da pessoa com deficiência ao longo da vida. Relativamente às pessoas com deficiência, considere as afirmativas a seguir.
I - O processo de habilitação e de reabilitação é um direito da pessoa com deficiência.
II - A pessoa com deficiência não poderá ser obrigada a se submeter a intervenção clínica ou cirúrgica, a tratamento ou institucionalização forçada.
III - O consentimento prévio, livre e esclarecido da pessoa com deficiência será dispensável para a realização de tratamento, hospitalização e pesquisa científica.
IV - A deficiência não afeta a plena capacidade civil da pessoa, inclusive para exercer o direito à guarda, à tutela, à curatela e à adoção, como adotante ou adotando, em igualdade de oportunidades com as demais pessoas.
Está(ão) correta(s)
Provas
Os religadores automáticos são dispositivos de proteção importantes para manter a continuidade do fornecimento de energia em redes de distribuição.
A UFSM pretende instalar em sua rede um religador eletrônico com as curvas de operação mostradas na figura a seguir. O religador será parametrizado com os ajustes apresentados na tabela a seguir.


Com base nessas informações, qual é o tempo total de eliminação de um curto-circuito de 2 kARMS do tipo permanente?
Provas
Para responder à questão, leia o texto a seguir.

A UFSM lança, neste mês de junho, a campanha institucional “Transforma o lugar que te transforma”. Iniciativa do projeto Universidade Meio Ambiente (UMA), a campanha é composta por materiais gráficos que orientam a comunidade universitária sobre o uso racional dos recursos, chamando a atenção para a responsabilidade de cada um na sustentabilidade da instituição.
A campanha foi elaborada pela Facos Agência e desdobrada por bolsistas de Comunicação Social e Desenho Industrial do UMA e do Laboratório de Relações Públicas (LARP). Os materiais elaborados trazem dados e orientações sobre o consumo de energia, água e copos plásticos, o uso correto do ar-condicionado, entre outros temas. As peças serão veiculadas no site institucional da UFSM e do UMA, em mídias sociais e murais das unidades universitárias. Os dados da campanha foram obtidos por meio de estudos realizados pelo UMA e pelo Grupo de Eficiência Energética e também de pesquisa desenvolvida pela Universidade Federal de Lavras (UFLA), de Minas Gerais, instituição referência em sustentabilidade e preservação do meio ambiente na América Latina.
Para a coordenadora pedagógica do LARP, professora Carlise Rudnicki, a campanha se apresenta como uma importante ferramenta de conscientização e estímulo ao debate, em que os diversos públicos da Universidade atentam a questões de interesse público e passam a fazer parte dos processos de forma mais crítica. “Temos pensado em ações a partir de estatísticas e informações que tangenciam o cotidiano e que demandam contemplação de todos nós. Sabemos da complexidade de entendermos que somos autores dos acontecimentos e que, a partir de cada um de nós, estudantes e servidores, será possível entender os processos e buscar soluções de forma coletiva”, avalia Carlise.
Fonte: UNIVERSIDADE FEDERAL DE SANTA MARIA. Disponível em: https://www.ufsm.br/2018/06/19/campanha-institucional-busca-conscientizar-
estudantes-e-servidores-para-sustentabilidade-da-universidade-2/. Acesso em: 29 jul. 2019.(Adaptado)
Lendo o texto, encontram-se respostas para todas as perguntas sobre a iniciativa da Universidade Federal de Santa Maria em foco na notícia, EXCETO
Provas
O cobre e o alumínio são materiais bastante utilizados na fabricação de condutores elétricos para uso em instalações elétricas em geral. A respeito desses dois metais, está INCORRETO afirmar que
Provas
Caderno Container