Foram encontradas 50 questões.
A figura a seguir apresenta um circuito R-L-C paralelo. A condutância e a susceptância equivalente entre os pontos A e B valem, respectivamente,

Provas
Determinado circuito é alimentado com tensão em corrente alternada conforme mostra a figura a seguir. Com base na figura, qual é a frequência da tensão?

Provas
Considere diferentes tipos de motores elétricos operando em meia-carga. Quando há um incremento de carga mecânica, atingindo seus valores nominais, a rotação de operação das máquinas diminui. O tipo de motor a que NÃO se aplica essa afirmação é o
Provas
O transformador de corrente (TC) é essencial para o correto funcionamento de um sistema de proteção e medição. A respeito do TC, assinale a alternativa INCORRETA.
Provas
Para responder à questão, leia o texto a seguir.

A UFSM lança, neste mês de junho, a campanha institucional “Transforma o lugar que te transforma”. Iniciativa do projeto Universidade Meio Ambiente (UMA), a campanha é composta por materiais gráficos que orientam a comunidade universitária sobre o uso racional dos recursos, chamando a atenção para a responsabilidade de cada um na sustentabilidade da instituição.
A campanha foi elaborada pela Facos Agência e desdobrada por bolsistas de Comunicação Social e Desenho Industrial do UMA e do Laboratório de Relações Públicas (LARP). Os materiais elaborados trazem dados e orientações sobre o consumo de energia, água e copos plásticos, o uso correto do ar-condicionado, entre outros temas. As peças serão veiculadas no site institucional da UFSM e do UMA, em mídias sociais e murais das unidades universitárias. Os dados da campanha foram obtidos por meio de estudos realizados pelo UMA e pelo Grupo de Eficiência Energética e também de pesquisa desenvolvida pela Universidade Federal de Lavras (UFLA), de Minas Gerais, instituição referência em sustentabilidade e preservação do meio ambiente na América Latina.
Para a coordenadora pedagógica do LARP, professora Carlise Rudnicki, a campanha se apresenta como uma importante ferramenta de conscientização e estímulo ao debate, em que os diversos públicos da Universidade atentam a questões de interesse público e passam a fazer parte dos processos de forma mais crítica. “Temos pensado em ações a partir de estatísticas e informações que tangenciam o cotidiano e que demandam contemplação de todos nós. Sabemos da complexidade de entendermos que somos autores dos acontecimentos e que, a partir de cada um de nós, estudantes e servidores, será possível entender os processos e buscar soluções de forma coletiva”, avalia Carlise.
Fonte: UNIVERSIDADE FEDERAL DE SANTA MARIA. Disponível em: https://www.ufsm.br/2018/06/19/campanha-institucional-busca-conscientizar-
estudantes-e-servidores-para-sustentabilidade-da-universidade-2/. Acesso em: 29 jul. 2019.(Adaptado)
Para responder à questão a seguir, considere o que se destaca a seguir.
Os dados da campanha foram obtidos por meio de estudos realizados pelo UMA e pelo Grupo de Eficiência Energética e também de pesquisa desenvolvida pela Universidade de Lavras (UFLA), de Minas Gerais, instituição referência em sustentabilidade e preservação do meio ambiente na América Latina.
Analisando a organização das orações no período, percebe-se que o elemento sublinhado contribui coesivamente no encadeamento de partes da frase remetendo à ideia de
Provas
Para responder à questão, leia o texto a seguir.

A UFSM lança, neste mês de junho, a campanha institucional “Transforma o lugar que te transforma”. Iniciativa do projeto Universidade Meio Ambiente (UMA), a campanha é composta por materiais gráficos que orientam a comunidade universitária sobre o uso racional dos recursos, chamando a atenção para a responsabilidade de cada um na sustentabilidade da instituição.
A campanha foi elaborada pela Facos Agência e desdobrada por bolsistas de Comunicação Social e Desenho Industrial do UMA e do Laboratório de Relações Públicas (LARP). Os materiais elaborados trazem dados e orientações sobre o consumo de energia, água e copos plásticos, o uso correto do ar-condicionado, entre outros temas. As peças serão veiculadas no site institucional da UFSM e do UMA, em mídias sociais e murais das unidades universitárias. Os dados da campanha foram obtidos por meio de estudos realizados pelo UMA e pelo Grupo de Eficiência Energética e também de pesquisa desenvolvida pela Universidade Federal de Lavras (UFLA), de Minas Gerais, instituição referência em sustentabilidade e preservação do meio ambiente na América Latina.
Para a coordenadora pedagógica do LARP, professora Carlise Rudnicki, a campanha se apresenta como uma importante ferramenta de conscientização e estímulo ao debate, em que os diversos públicos da Universidade atentam a questões de interesse público e passam a fazer parte dos processos de forma mais crítica. “Temos pensadoA,C,E) em ações a partir de estatísticas e informações que tangenciam o cotidiano e que demandam contemplação de todos nós. SabemosA,B) da complexidade de entendermosB,D,E) que somosC,D) autores dos acontecimentos e que, a partir de cada um de nós, estudantes e servidores, será possível entender os processos e buscar soluções de forma coletiva”, avalia Carlise.
Fonte: UNIVERSIDADE FEDERAL DE SANTA MARIA. Disponível em: https://www.ufsm.br/2018/06/19/campanha-institucional-busca-conscientizar-
estudantes-e-servidores-para-sustentabilidade-da-universidade-2/. Acesso em: 29 jul. 2019.(Adaptado)
Na fala da professora Carlise Rudnicki, observa-se o emprego do pronome nós com a seguinte dinâmica: ora ele é uma referência à docente, à comunidade universitária e às pessoas em geral, ora ele é uma referência à docente e às pessoas com quem ela trabalhou na realização da campanha. São exemplos do primeiro e do segundo usos, respectivamente,
Provas
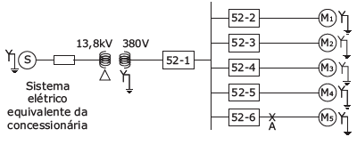
Certa instalação elétrica industrial é alimentada por meio de um transformador rebaixador (13,8kV/380V).
Do barramento principal saem 5 circuitos para alimentar 5 motores trifásicos idênticos, conforme mostra a figura a seguir. Na ocorrência de um curto-circuito no ponto A, a tensão nos terminais do estator dos motores tende a cair a zero. O rotor, ainda girando devido a sua inércia, induz uma tensão no estator, transformando os motores em geradores por alguns ciclos.
Durante um curto-circuito trifásico, a contribuição de corrente simétrica oriunda do sistema elétrico da concessionária é de 1,1 kARMS no lado de 380 V do transformador, e cada motor contribui com 250 ARMS (simétrica).

Qual será a máxima corrente simétrica RMS que passará pelo disjuntor 52-6 após um curto-circuito no trifásico no ponto A?
Provas
De acordo com a Lei nº 8.429, de 1992, ato de improbidade administrativa é aquele que atenta contra os princípios da administração pública, violando os deveres de honestidade, imparcialidade, legalidade e lealdade às instituições.
Assinale V (verdadeiro) ou F(falso) em cada afirmativa a seguir.
( ) Quando o ato de improbidade causar lesão ao patrimônio público ou ensejar enriquecimento ilícito, caberá a autoridade administrativa responsável pelo inquérito representar ao Ministério Público, para a indisponibilidade dos bens do indiciado.
( ) Ocorrendo lesão ao patrimônio público por ação ou omissão, dolosa ou culposa, do agente ou de terceiro, dar-se-á o integral ressarcimento do dano.
( ) O sucessor daquele que causar lesão ao patrimônio público ou se enriquecer ilicitamente está sujeito às cominações dessa lei até o limite do valor da herança.
( ) Qualquer pessoa poderá representar à autoridade administrativa competente para que seja instaurada investigação destinada a apurar prática de ato de improbidade.
A sequência correta é
Provas
- Direitos e Garantias FundamentaisDireitos PolíticosSufrágio, Voto, Plebiscito, Referendo e Iniciativa Popular
Relativamente ao tema dos direitos políticos, a Constituição Federal de 1988 dispõe que a soberania popular será exercida pelo sufrágio universal e pelo voto direto e secreto, com valor igual para todos, mediante
I - referendo.
II - plebiscito.
III - iniciativa popular.
Está(ão) correta(s)
Provas
A figura a seguir mostra uma carga trifásica ligada em estrela sem condutor neutro. Sabendo que a tensão de linha é !$ 100· \sqrt3 !$ VRMS e a sequência de fase é ABC anti-horária, assinale V (verdadeiro) ou F (falso) em cada afirmativa.

( ) A potência ativa trifásica do circuito é 3,6 kW.
( ) A corrente de linha é !$ \sqrt 3 !$ vezes maior que a corrente de fase.
( ) A potência reativa trifásica do circuito é 1,6 kvar.
( ) A inserção do condutor neutro no circuito não altera o valor da corrente de fase.
A sequência correta é
Provas
Caderno Container