Foram encontradas 40 questões.
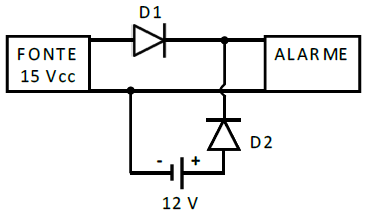
A figura abaixo mostra um sistema de backup, projetado para evitar a perda de memória de um sistema de alarme.

Considerando que esse sistema utiliza diodos de silício, é INCORRETO afirmar que:
Provas
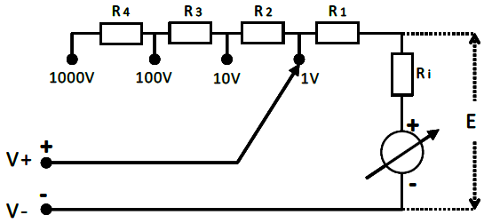
Analise o voltímetro DC analógico abaixo, o qual foi construído utilizando-se o sistema série universal de resistências.

Considerando a corrente máxima sobre a bobina do medidor de 1mA e a resistência interna Ri da bobina de 20Ω, as resistências R1, R2, R3 e R4 deverão ser, respectivamente:
Provas
Sobre os testes de diodos de junção pn de silício em multímetros digitais, é INCORRETO afirmar que:
Provas
Ao inserir um capacitor de 10μF em paralelo com a carga resistiva de 5!$ Ω !$ num retificador de onda completa, em ponte, não controlado, monofásico, cuja tensão de entrada é 127Vrms (eficaz), considerando os diodos ideais, a alternativa que apresenta CORRETAMENTE o comportamento das tensões média e RMS (eficaz) na carga, respectivamente, é:
Provas
Um retificador de onda completa, em ponte, não controlado, monofásico, cuja tensão de entrada é 127Vrms (eficaz), alimenta uma carga resistiva de 5!$ Ω !$ (ohms). Considerando os diodos ideais, é CORRETO afirmar que as respectivas tensões média e RMS (eficaz) na carga são de, aproximadamente:
Provas
Palavras
O ser humano criou as palavras para se entender, para criar a si mesmo. Mas as contaminou com seu temperamento. Por isso, elas possuem personalidade própria, como qualquer um de nós. Há as simples, modestas, que trabalham quase em silêncio, e a gente nem percebe como são importantes. A palavrinha "que", por exemplo, é útil para gregos e troianos, galegos e baianos. O que seria de nós, lusófonos, sem sua presença, que tanto nos auxilia?
Algumas palavras, embora sofisticadas, se despem sem pudor e mostram a alma. Taciturno, por exemplo, expõe uma tristeza, uma melancolia, um toque funesto e sombrio que combina muito bem com seu significado. O mesmo eu diria de macambúzio, parente próximo. Mesmo sem recorrer ao dicionário, uma pessoa macambúzia jamais daria a impressão de esbanjar felicidade. Idêntico raciocínio se aplica a sorumbático. Sorumbático nunca riu –– ou estou errado?
Existem palavras traiçoeiras. Ubiquidade, supremacia e onisciência são algumas. Elas se escondem entre as letras, matreiras, perigosas, carregam armas sob a manga. Para despistar, exalam uma sonoridade que passa longe de seu ego. De outras, fazemos um injusto mau juízo. São inocentes, apesar da aparência. Alvíssaras, por exemplo, lembra barriga aberta, violência, vísceras, impressão muito distante da verdade, pois essa palavra é gêmea de alegria. Originou-se na recompensa dada a quem portava boas notícias, boas-novas. Antigamente, segundo um costume surgido entre os árabes, quando alguém trazia a informação de que uma guerra tinha acabado, ele saía gritando "alvíssaras, alvíssaras!", mas só contava a novidade depois que lhe molhassem a mão com muito dinheiro. O costume se instalou em nossa sociedade. Só que, hoje, a gente paga caro para ouvir a boa e a má nova, tanto faz. Conheço especialistas em repetir, dia após dia, boas novas multimilenares –– e cobram fortunas por suas velhas palavras.
Entre as palavras traiçoeiras, a mais periguete é sirigaita. Põe periguete nisso. Quando a ouvi, garoto ainda, sem lhe conhecer o sentido, meus miolos ferveram de tanto pensar. Siri gaita, que bicho é esse? A gaita seria o corpo do siri, dela sairiam as patas, o crustáceo a teria engolido, morava lá dentro, cantaria como o instrumento? Como solucionar a questão? Durante dias, desenhei dezenas de possibilidades para um siri gaita, nenhuma convincente. Caso semelhante me aconteceu quando tomei contato com siri ema, muito mais fácil de imaginar e de pôr no papel: um sirizão bicudo com pernas altas e pinças no lugar dos pés. Só que a palavra não é traiçoeira, nós é que a deturpamos. Na verdade, devemos escrever seriema. Se não trocássemos a pronúncia do "e" pelo "i", nunca surgiria o problema. Rimou, mas não fez um poema.
Poema remete a poeta, o que lembra as palavras vira-folhas, as que na origem dizem uma coisa e, depois, mudam de opinião, até dizer o contrário. Coitados dos poetas. Séculos atrás, na Grécia, poeta era o cara que fazia, que agitava, o pai da ação. Hoje, em alguns círculos, dizer que fulano é um poeta deixou de ser elogio, virou pejorativo. Por afinidade, a ideia contaminou todos os escritores. Embora eu raramente cometa versos, já afirmaram que sou um poeta, título do qual muito me orgulho. A poesia está para a literatura assim como a equação está para a física.
Essas divagações me conduzem à mais sensual das palavras: etimologia. Lembra-me uma bela mulher, envolta em tecido transparente, que adora entregar seus segredos, desde que você se entregue a ela. Isso é amor. As palavras nos constroem, nos lapidam, nos ensinam, nos revelam a nós mesmos, transmitem às futuras gerações o que aprendemos e desaprendemos. As palavras somos nós. Isso é tudo.
(GIFFONI, Luís. Palavras. Revista Veja BH. Ano 46, n. 12, 20 mar. 2013, p. 78.)
No texto, a informação “exalam uma sonoridade que passa longe de seu ego” (§ 3) faz referência a palavras:
Provas
Palavras
O ser humano criou as palavras para se entender, para criar a si mesmo. Mas as contaminou com seu temperamento. Por isso, elas possuem personalidade própria, como qualquer um de nós. Há as simples, modestas, que trabalham quase em silêncio, e a gente nem percebe como são importantes. A palavrinha "que", por exemplo, é útil para gregos e troianos, galegos e baianos. O que seria de nós, lusófonos, sem sua presença, que tanto nos auxilia?
Algumas palavras, embora sofisticadas, se despem sem pudor e mostram a alma. Taciturno, por exemplo, expõe uma tristeza, uma melancolia, um toque funesto e sombrio que combina muito bem com seu significado. O mesmo eu diria de macambúzio, parente próximo. Mesmo sem recorrer ao dicionário, uma pessoa macambúzia jamais daria a impressão de esbanjar felicidade. Idêntico raciocínio se aplica a sorumbático. Sorumbático nunca riu –– ou estou errado?
Existem palavras traiçoeiras. Ubiquidade, supremacia e onisciência são algumas. Elas se escondem entre as letras, matreiras, perigosas, carregam armas sob a manga. Para despistar, exalam uma sonoridade que passa longe de seu ego. De outras, fazemos um injusto mau juízo. São inocentes, apesar da aparência. Alvíssaras, por exemplo, lembra barriga aberta, violência, vísceras, impressão muito distante da verdade, pois essa palavra é gêmea de alegria. Originou-se na recompensa dada a quem portava boas notícias, boas-novas. Antigamente, segundo um costume surgido entre os árabes, quando alguém trazia a informação de que uma guerra tinha acabado, ele saía gritando "alvíssaras, alvíssaras!", mas só contava a novidade depois que lhe molhassem a mão com muito dinheiro. O costume se instalou em nossa sociedade. Só que, hoje, a gente paga caro para ouvir a boa e a má nova, tanto faz. Conheço especialistas em repetir, dia após dia, boas novas multimilenares –– e cobram fortunas por suas velhas palavras.
Entre as palavras traiçoeiras, a mais periguete é sirigaita. Põe periguete nisso. Quando a ouvi, garoto ainda, sem lhe conhecer o sentido, meus miolos ferveram de tanto pensar. Siri gaita, que bicho é esse? A gaita seria o corpo do siri, dela sairiam as patas, o crustáceo a teria engolido, morava lá dentro, cantaria como o instrumento? Como solucionar a questão? Durante dias, desenhei dezenas de possibilidades para um siri gaita, nenhuma convincente. Caso semelhante me aconteceu quando tomei contato com siri ema, muito mais fácil de imaginar e de pôr no papel: um sirizão bicudo com pernas altas e pinças no lugar dos pés. Só que a palavra não é traiçoeira, nós é que a deturpamos. Na verdade, devemos escrever seriema. Se não trocássemos a pronúncia do "e" pelo "i", nunca surgiria o problema. Rimou, mas não fez um poema.
Poema remete a poeta, o que lembra as palavras vira-folhas, as que na origem dizem uma coisa e, depois, mudam de opinião, até dizer o contrário. Coitados dos poetas. Séculos atrás, na Grécia, poeta era o cara que fazia, que agitava, o pai da ação. Hoje, em alguns círculos, dizer que fulano é um poeta deixou de ser elogio, virou pejorativo. Por afinidade, a ideia contaminou todos os escritores. Embora eu raramente cometa versos, já afirmaram que sou um poeta, título do qual muito me orgulho. A poesia está para a literatura assim como a equação está para a física.
Essas divagações me conduzem à mais sensual das palavras: etimologia. Lembra-me uma bela mulher, envolta em tecido transparente, que adora entregar seus segredos, desde que você se entregue a ela. Isso é amor. As palavras nos constroem, nos lapidam, nos ensinam, nos revelam a nós mesmos, transmitem às futuras gerações o que aprendemos e desaprendemos. As palavras somos nós. Isso é tudo.
(GIFFONI, Luís. Palavras. Revista Veja BH. Ano 46, n. 12, 20 mar. 2013, p. 78.)
“Por isso, elas possuem personalidade própria como qualquer um de nós.” (§ 1)
No fragmento acima, a expressão sublinhada introduz a ideia de:
Provas
Palavras
O ser humano criou as palavras para se entender, para criar a si mesmo. Mas as contaminou com seu temperamento. Por isso, elas possuem personalidade própria, como qualquer um de nós. Há as simples, modestas, que trabalham quase em silêncio, e a gente nem percebe como são importantes. A palavrinha "que", por exemplo, é útil para gregos e troianos, galegos e baianos. O que seria de nós, lusófonos, sem sua presença, que tanto nos auxilia?
Algumas palavras, embora sofisticadas, se despem sem pudor e mostram a alma. Taciturno, por exemplo, expõe uma tristeza, uma melancolia, um toque funesto e sombrio que combina muito bem com seu significado. O mesmo eu diria de macambúzio, parente próximo. Mesmo sem recorrer ao dicionário, uma pessoa macambúzia jamais daria a impressão de esbanjar felicidade. Idêntico raciocínio se aplica a sorumbático. Sorumbático nunca riu –– ou estou errado?
Existem palavras traiçoeiras. Ubiquidade, supremacia e onisciência são algumas. Elas se escondem entre as letras, matreiras, perigosas, carregam armas sob a manga. Para despistar, exalam uma sonoridade que passa longe de seu ego. De outras, fazemos um injusto mau juízo. São inocentes, apesar da aparência. Alvíssaras, por exemplo, lembra barriga aberta, violência, vísceras, impressão muito distante da verdade, pois essa palavra é gêmea de alegria. Originou-se na recompensa dada a quem portava boas notícias, boas-novas. Antigamente, segundo um costume surgido entre os árabes, quando alguém trazia a informação de que uma guerra tinha acabado, ele saía gritando "alvíssaras, alvíssaras!", mas só contava a novidade depois que lhe molhassem a mão com muito dinheiro. O costume se instalou em nossa sociedade. Só que, hoje, a gente paga caro para ouvir a boa e a má nova, tanto faz. Conheço especialistas em repetir, dia após dia, boas novas multimilenares –– e cobram fortunas por suas velhas palavras.
Entre as palavras traiçoeiras, a mais periguete é sirigaita. Põe periguete nisso. Quando a ouvi, garoto ainda, sem lhe conhecer o sentido, meus miolos ferveram de tanto pensar. Siri gaita, que bicho é esse? A gaita seria o corpo do siri, dela sairiam as patas, o crustáceo a teria engolido, morava lá dentro, cantaria como o instrumento? Como solucionar a questão? Durante dias, desenhei dezenas de possibilidades para um siri gaita, nenhuma convincente. Caso semelhante me aconteceu quando tomei contato com siri ema, muito mais fácil de imaginar e de pôr no papel: um sirizão bicudo com pernas altas e pinças no lugar dos pés. Só que a palavra não é traiçoeira, nós é que a deturpamos. Na verdade, devemos escrever seriema. Se não trocássemos a pronúncia do "e" pelo "i", nunca surgiria o problema. Rimou, mas não fez um poema.
Poema remete a poeta, o que lembra as palavras vira-folhas, as que na origem dizem uma coisa e, depois, mudam de opinião, até dizer o contrário. Coitados dos poetas. Séculos atrás, na Grécia, poeta era o cara que fazia, que agitava, o pai da ação. Hoje, em alguns círculos, dizer que fulano é um poeta deixou de ser elogio, virou pejorativo. Por afinidade, a ideia contaminou todos os escritores. Embora eu raramente cometa versos, já afirmaram que sou um poeta, título do qual muito me orgulho. A poesia está para a literatura assim como a equação está para a física.
Essas divagações me conduzem à mais sensual das palavras: etimologia. Lembra-me uma bela mulher, envolta em tecido transparente, que adora entregar seus segredos, desde que você se entregue a ela. Isso é amor. As palavras nos constroem, nos lapidam, nos ensinam, nos revelam a nós mesmos, transmitem às futuras gerações o que aprendemos e desaprendemos. As palavras somos nós. Isso é tudo.
(GIFFONI, Luís. Palavras. Revista Veja BH. Ano 46, n. 12, 20 mar. 2013, p. 78.)
“[...] o que lembra as palavras vira-folhas, as que na origem dizem uma coisa e, depois, mudam de opinião, até dizer o contrário.” (§ 5)
É CORRETO afirmar que o trecho acima se caracteriza textualmente como uma:
Provas
Palavras
O ser humano criou as palavras para se entender, para criar a si mesmo. Mas as contaminou com seu temperamento. Por isso, elas possuem personalidade própria, como qualquer um de nós. Há as simples, modestas, que trabalham quase em silêncio, e a gente nem percebe como são importantes. A palavrinha "que", por exemplo, é útil para gregos e troianos, galegos e baianos. O que seria de nós, lusófonos, sem sua presença, que tanto nos auxilia?
Algumas palavras, embora sofisticadas, se despem sem pudor e mostram a alma. Taciturno, por exemplo, expõe uma tristeza, uma melancolia, um toque funesto e sombrio que combina muito bem com seu significado. O mesmo eu diria de macambúzio, parente próximo. Mesmo sem recorrer ao dicionário, uma pessoa macambúzia jamais daria a impressão de esbanjar felicidade. Idêntico raciocínio se aplica a sorumbático. Sorumbático nunca riu –– ou estou errado?
Existem palavras traiçoeiras. Ubiquidade, supremacia e onisciência são algumas. Elas se escondem entre as letras, matreiras, perigosas, carregam armas sob a manga. Para despistar, exalam uma sonoridade que passa longe de seu ego. De outras, fazemos um injusto mau juízo. São inocentes, apesar da aparência. Alvíssaras, por exemplo, lembra barriga aberta, violência, vísceras, impressão muito distante da verdade, pois essa palavra é gêmea de alegria. Originou-se na recompensa dada a quem portava boas notícias, boas-novas. Antigamente, segundo um costume surgido entre os árabes, quando alguém trazia a informação de que uma guerra tinha acabado, ele saía gritando "alvíssaras, alvíssaras!", mas só contava a novidade depois que lhe molhassem a mão com muito dinheiro. O costume se instalou em nossa sociedade. Só que, hoje, a gente paga caro para ouvir a boa e a má nova, tanto faz. Conheço especialistas em repetir, dia após dia, boas novas multimilenares –– e cobram fortunas por suas velhas palavras.
Entre as palavras traiçoeiras, a mais periguete é sirigaita. Põe periguete nisso. Quando a ouvi, garoto ainda, sem lhe conhecer o sentido, meus miolos ferveram de tanto pensar. Siri gaita, que bicho é esse? A gaita seria o corpo do siri, dela sairiam as patas, o crustáceo a teria engolido, morava lá dentro, cantaria como o instrumento? Como solucionar a questão? Durante dias, desenhei dezenas de possibilidades para um siri gaita, nenhuma convincente. Caso semelhante me aconteceu quando tomei contato com siri ema, muito mais fácil de imaginar e de pôr no papel: um sirizão bicudo com pernas altas e pinças no lugar dos pés. Só que a palavra não é traiçoeira, nós é que a deturpamos. Na verdade, devemos escrever seriema. Se não trocássemos a pronúncia do "e" pelo "i", nunca surgiria o problema. Rimou, mas não fez um poema.
Poema remete a poeta, o que lembra as palavras vira-folhas, as que na origem dizem uma coisa e, depois, mudam de opinião, até dizer o contrário. Coitados dos poetas. Séculos atrás, na Grécia, poeta era o cara que fazia, que agitava, o pai da ação. Hoje, em alguns círculos, dizer que fulano é um poeta deixou de ser elogio, virou pejorativo. Por afinidade, a ideia contaminou todos os escritores. Embora eu raramente cometa versos, já afirmaram que sou um poeta, título do qual muito me orgulho. A poesia está para a literatura assim como a equação está para a física.
Essas divagações me conduzem à mais sensual das palavras: etimologia. Lembra-me uma bela mulher, envolta em tecido transparente, que adora entregar seus segredos, desde que você se entregue a ela. Isso é amor. As palavras nos constroem, nos lapidam, nos ensinam, nos revelam a nós mesmos, transmitem às futuras gerações o que aprendemos e desaprendemos. As palavras somos nós. Isso é tudo.
(GIFFONI, Luís. Palavras. Revista Veja BH. Ano 46, n. 12, 20 mar. 2013, p. 78.)
Leia as seguintes afirmativas:
I. As palavras taciturno, macambúzio e sorumbático evidenciam tristeza, melancolia e jamais dariam a impressão de esbanjar felicidade.
II. A palavra “que”, tão simples e modesta, é uma importante aliada dos lusófonos nas diversas situações de comunicação.
III. Também existem as palavras traiçoeiras: ubiquidade, supremacia e onisciência, que devem ser usadas por pessoas inocentes para despistar.
IV. Periguete também é uma palavra traiçoeira, quando utilizada sem conhecer o seu verdadeiro sentido denotativo.
De acordo com o texto, estão CORRETAS apenas as afirmativas:
Provas
Palavras
O ser humano criou as palavras para se entender, para criar a si mesmo. Mas as contaminou com seu temperamento. Por isso, elas possuem personalidade própria, como qualquer um de nós. Há as simples, modestas, que trabalham quase em silêncio, e a gente nem percebe como são importantes. A palavrinha "que", por exemplo, é útil para gregos e troianos, galegos e baianos. O que seria de nós, lusófonos, sem sua presença, que tanto nos auxilia?
Algumas palavras, embora sofisticadas, se despem sem pudor e mostram a alma. Taciturno, por exemplo, expõe uma tristeza, uma melancolia, um toque funesto e sombrio que combina muito bem com seu significado. O mesmo eu diria de macambúzio, parente próximo. Mesmo sem recorrer ao dicionário, uma pessoa macambúzia jamais daria a impressão de esbanjar felicidade. Idêntico raciocínio se aplica a sorumbático. Sorumbático nunca riu –– ou estou errado?
Existem palavras traiçoeiras. Ubiquidade, supremacia e onisciência são algumas. Elas se escondem entre as letras, matreiras, perigosas, carregam armas sob a manga. Para despistar, exalam uma sonoridade que passa longe de seu ego. De outras, fazemos um injusto mau juízo. São inocentes, apesar da aparência. Alvíssaras, por exemplo, lembra barriga aberta, violência, vísceras, impressão muito distante da verdade, pois essa palavra é gêmea de alegria. Originou-se na recompensa dada a quem portava boas notícias, boas-novas. Antigamente, segundo um costume surgido entre os árabes, quando alguém trazia a informação de que uma guerra tinha acabado, ele saía gritando "alvíssaras, alvíssaras!", mas só contava a novidade depois que lhe molhassem a mão com muito dinheiro. O costume se instalou em nossa sociedade. Só que, hoje, a gente paga caro para ouvir a boa e a má nova, tanto faz. Conheço especialistas em repetir, dia após dia, boas novas multimilenares –– e cobram fortunas por suas velhas palavras.
Entre as palavras traiçoeiras, a mais periguete é sirigaita. Põe periguete nisso. Quando a ouvi, garoto ainda, sem lhe conhecer o sentido, meus miolos ferveram de tanto pensar. Siri gaita, que bicho é esse? A gaita seria o corpo do siri, dela sairiam as patas, o crustáceo a teria engolido, morava lá dentro, cantaria como o instrumento? Como solucionar a questão? Durante dias, desenhei dezenas de possibilidades para um siri gaita, nenhuma convincente. Caso semelhante me aconteceu quando tomei contato com siri ema, muito mais fácil de imaginar e de pôr no papel: um sirizão bicudo com pernas altas e pinças no lugar dos pés. Só que a palavra não é traiçoeira, nós é que a deturpamos. Na verdade, devemos escrever seriema. Se não trocássemos a pronúncia do "e" pelo "i", nunca surgiria o problema. Rimou, mas não fez um poema.
Poema remete a poeta, o que lembra as palavras vira-folhas, as que na origem dizem uma coisa e, depois, mudam de opinião, até dizer o contrário. Coitados dos poetas. Séculos atrás, na Grécia, poeta era o cara que fazia, que agitava, o pai da ação. Hoje, em alguns círculos, dizer que fulano é um poeta deixou de ser elogio, virou pejorativo. Por afinidade, a ideia contaminou todos os escritores. Embora eu raramente cometa versos, já afirmaram que sou um poeta, título do qual muito me orgulho. A poesia está para a literatura assim como a equação está para a física.
Essas divagações me conduzem à mais sensual das palavras: etimologia. Lembra-me uma bela mulher, envolta em tecido transparente, que adora entregar seus segredos, desde que você se entregue a ela. Isso é amor. As palavras nos constroem, nos lapidam, nos ensinam, nos revelam a nós mesmos, transmitem às futuras gerações o que aprendemos e desaprendemos. As palavras somos nós. Isso é tudo.
(GIFFONI, Luís. Palavras. Revista Veja BH. Ano 46, n. 12, 20 mar. 2013, p. 78.)
De acordo com o texto, é INCORRETO afirmar que as palavras:
Provas
Caderno Container