Foram encontradas 98 questões.
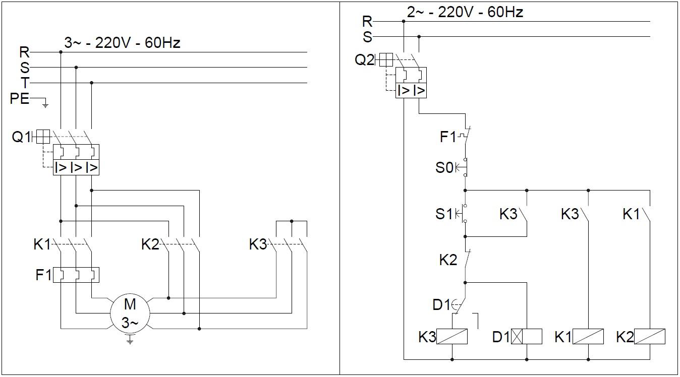
Na figura a seguir, o diagrama de comando apresenta um erro que passou despercebido na elaboração do projeto. Assinale a alternativa que descreve o erro e apresenta uma solução adequada para correção do problema. Considere: NF – normalmente fechado; NA – normalmente aberto.

Provas
A queda de tensão é um dos fatores que devem ser considerados no dimensionamento de condutores elétricos em um projeto. De acordo com a NBR 5410, a máxima queda de tensão admissível para circuitos terminais é 4%. Considere um circuito terminal alimentado por uma fase e um neutro, composto por condutores de cobre de 4 mm² de seção transversal. Considere, ainda, que a máxima corrente suportada pelo condutor seja 32 A. Uma carga está a uma distância de 50 metros do seu quadro de distribuição (QD). A tensão de fase, a potência ativa e o fator de potência da carga são 127 V, 2540 W e 1, respectivamente. Nesse contexto, analise as seguintes afirmações:
I. O circuito atende aos critérios de queda de tensão, pois está abaixo de 4%.
II. O circuito não atende aos critérios de queda de tensão, pois está acima de 4%.
III. O circuito atende aos critérios de queda de tensão, pois a corrente do circuito é inferior à capacidade de condução de corrente dos condutores.
IV. O circuito não atende aos critérios de queda de tensão, pois essa carga poderia estar a uma distância máxima de 29,5 metros do quadro de distribuição.
A resistência de um condutor pode ser obtida pela fórmula:
!$ R\ !$=!$ \rho !$∙!$ l !$/!$ A !$
Onde:
!$ R\ !$ é a resistência elétrica do condutor;
!$ \rho !$ é a resistividade do material, para o cobre !$ \rho !$=1,72∙10−8Ω∙!$ m !$;
!$ l !$ é o comprimento total dos condutores;
!$ A !$ é a área de seção do condutor.
Assinale a alternativa que apresenta a sequência correta de afirmações verdadeiras (V) e falsas (F):
Provas
FIGURA A (para as questões 28 e 29)

Considere que todos os condutores apresentados na figura têm área de seção transversal igual a 2,5 mm² e diâmetro externo de 3,4 mm, considerando a isolação. Para um eletroduto com três ou mais condutores, considere que a máxima ocupação do eletroduto seja de 40%. Assinale a alternativa que apresenta os diâmetros mínimos para os eletrodutos, na respectiva sequência de 1 a 8. A tabela a seguir apresenta o diâmetro interno para os eletrodutos com suas respectivas medidas em polegadas. Considere π = 3,14.
Diâmetro nominal (polegadas) | Diâmetro interno (mm) |
3/8” | 12 |
1/2” | 16 |
3/4” | 21 |
1” | 27 |
Provas
FIGURA A (para as questões 28 e 29)

Considere uma sala com a distribuição da fiação de iluminação apresentada na figura e a respectiva legenda. A lâmpada central é a principal e as lâmpadas laterais são decorativas. Para o correto funcionamento das lâmpadas, conforme os pontos comando definidos, identifique a quantidade de condutores que deve passar por cada um dos eletrodutos, na respectiva sequência de 1 a 8, considerando a numeração destacada nos círculos da figura.
Provas
Sobre o sistema de aterramento de uma edificação, as afirmações a seguir estão corretas, exceto:
Provas
Um quadro de distribuição (QD) trifásico em regime permanente senoidal alimenta três cargas monofásicas de mesmo fator de potência. Cada carga recebe alimentação de uma das fases A, B e C. Cada circuito possui condutor de neutro independente, e esses são conectados ao barramento de neutro do QD. Três amperímetros convenientemente conectados permitem as leituras das correntes individuais que circulam pelo neutro de cada uma das cargas. Os amperímetros registram a mesma leitura “!$ i !$” de corrente para cada carga. O barramento de neutro do QD recebe a corrente total dos condutores de neutro individuais. Seja “!$ i !$!$ n !$” a corrente resultante no condutor neutro que alimenta o QD, então !$ i !$!$ n !$ vale:
Provas
Com relação à memória do computador, é correto afirmar que:
Provas
A Figura a seguir reproduz, de forma ampliada, um botão representativo de um recurso do MS Word 2013, em português.

Qual é o papel do recurso representado?
Provas
Analise as afirmações a seguir:
I. Desfragmentação é o processo de regravação das partes de um arquivo em setores contíguos de um disco rígido, com a finalidade de aumentar a velocidade de acesso e recuperação aos arquivos.
II. Limpeza de disco é utilizada para reduzir o número de arquivos desnecessários no disco rígido, porém não libera espaço no disco rígido.
III. O navegador é um software utilizado para acessar a internet.
IV. O antivírus é um programa que cessa a dispersão de um vírus de computador.
É correto o que se afirma em:
Provas
Sobre a fase recursal do pregão, a Lei 10.520, de 17 de julho de 2002, prevê o seguinte:
Provas
Caderno Container