Foram encontradas 2.550 questões.
Em relação às máquinas elétricas, julgue os próximos itens.
A alimentação do campo rotórico de um motor síncrono trifásico é feita em corrente contínua.
Provas
Em relação às máquinas elétricas, julgue os próximos itens.
Um motor com enrolamento Dahlander possui doze terminais, assim, seis enrolamentos deste motor podem ser combinados para operar com duas tensões de alimentação diferentes.
Provas
Em relação às máquinas elétricas, julgue os próximos itens.
Em geral, as perdas ativas que ocorrem no núcleo ferromagnético de um transformador real são muito maiores que as verificadas nos enrolamentos de cobre.
Provas
Acerca de segurança em instalações elétricas, julgue os itens seguintes.
De acordo com a norma pertinente de segurança em instalações elétricas, não se recomenda que serviços em instalações elétricas em alta tensão sejam realizados individualmente.
Provas
Acerca de segurança em instalações elétricas, julgue os itens seguintes.
Nas instalações elétricas, o raio de delimitação da zona de risco depende da tensão do condutor energizado.
Provas

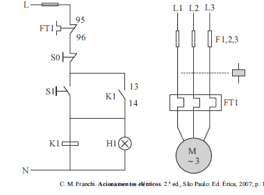
Com base nas figuras acima, que representam diagramas de força e de comando de um motor de indução trifásico, que permitem que esse motor seja acionado mediante partida direta, julgue os próximos itens.
O valor máximo da corrente de linha no estator do motor durante o transitório de partida será inferior à corrente nominal, que será atingida somente em regime permanente.
Provas

Com base nas figuras acima, que representam diagramas de força e de comando de um motor de indução trifásico, que permitem que esse motor seja acionado mediante partida direta, julgue os próximos itens.
O componente indicado pelos números 13 e 14 no diagrama de força é um relé térmico.
Provas
Acerca das demonstrações contábeis, julgue o item a seguir.
Considerando que a tabela abaixo se refere a uma empresa listada em bolsa de valores, é correto afirmar que o valor adicionado bruto a ser apresentado na demonstração do valor adicionado é inferior a R$ 1.800.000.
|
receitas |
R$ 11.161.200 |
|
insumos adquiridos de terceiros |
R$ 8.905.030 |
|
depreciação, amortização e exaustão |
R$ 532.366 |
|
valor adicionado recebido em transferência |
R$ 252.555 |
Provas

Considerando a figura acima, que representa parte de uma planta baixa de uma instalação predial em baixa tensão, julgue os itens que se seguem.
A planta contém um erro no dimensionamento do circuito 3, visto que tomada de força não deve ter seção inferior a 2,5 mm2.
Provas

Considerando a figura acima, que representa parte de uma planta baixa de uma instalação predial em baixa tensão, julgue os itens que se seguem.
Na parte da planta em questão, há somente tomadas baixas.
Provas
Caderno Container