Foram encontradas 50 questões.
- Transformadores e Máquinas ElétricasMáquinas EstáticasTransformadores Trifásicos e Autotransformadores
Da análise do aspecto construtivo e aplicação do autotransformador, analise as assertivas a seguir:
I. Teoricamente é um transformador que tem um só enrolamento.
II. Um transformador de múltiplos enrolamentos pode ser considerado um autotransformador se todos os seus enrolamentos forem ligados em série, em adição ou oposição, para formar um único enrolamento.
III. É indicado para uso como transformador isolador.
Quais estão corretas?
Provas
Para responder à questão, analise a Figura 01.

Considere a planilha do Microsoft Excel 2007 apresentada na Figura 01. Analise as assertivas abaixo, levando em conta que as fórmulas sejam inseridas na célula B1:
I. A fórmula “=MÍNIMO(A1:A3)” retorna o valor numérico 4.
II. A fórmula “=SE(A2>A3;"4";"7")” retorna o valor numérico 4.
III. A fórmula “=CONT.SE(A1:A3;"<12")” retorna o valor numérico 11.
Quais estão corretas?
Provas
A questão refere-se ao texto abaixo:
Evitar a evitação
Como se proteger dos lapsos de memória? Na Universidade de Nevada no Reno, o psicólogo Steven Hayes faz uma recomendação simples: aprender a aceitar os pensamentos desagradáveis. Ele sugere também evitar a evitação, a esquiva, ou seja, evitar o evitar. Já o psicólogo Daniel Wegner, da Universidade de Harvard, propõe – nos casos mais graves, nos quais a pessoa se sente atormentada por pensamentos intrusivos – a análise diária das próprias preocupações, incluindo tudo aquilo que causa inquietação e se gostaria de reprimir. Ele salienta, porém, que esta orientação vale somente para aqueles que se sentem capazes de lidar com suas angústias. Este método não convém aos pacientes gravemente afetados, que devem buscar ajuda de um médico ou psicoterapeuta.
O pesquisador James Pennebaker, da Universidade do Texas em Austin, analisou numerosos estudos e com base neles concluiu que uma confrontação ativa com os pensamentos reprimidos costuma ter efeitos positivos na vida cotidiana e na saúde tanto física quanto psíquica. Ele assinala as vantagens para algumas pessoas de registrar por escrito seus tabus pessoais, aquilo que teme ou lhe causa vergonha. Segundo o especialista, tal exercício parece ter outra consequência que requer mais pesquisa: reforçar o sistema imunológico, já que assim menos estresse haveria, e parte da energia psíquica despendida na repressão de certos conteúdos poderia ser empregada de maneira mais saudável.
Antes de fazer anotações sobre os temas que nos constrangem, no entanto, é preciso, primeiro, tomar consciência deles para depois analisar esses temas intrusivos. Wegner propõe também encontrar distrações que não aumentem o estresse. Segundo ele, tudo que nos interessa e não cria uma sobrecarga emocional representa uma boa ocasião de se liberar do temor de cometer gafes. Para algumas pessoas, mais rígidas consigo mesmas, pode ser muito tranquilizador tomar consciência de que esse tipo de incidente é simplesmente normal. E se parece difícil conscientizar-se disso sozinho, talvez seja hora de buscar ajuda de um psicólogo. Afinal, se aquilo que seria apenas motivo de um leve mal-estar e uma boa gargalhada após algum tempo se torna razão para se atormentar, parece hora de empenhar-se para tornar a vida um pouco mais leve.
Fonte: texto adaptado - http://www2.uol.com.br/vivermente/reportagens/ai_que_gafe_.html.
Analise as afirmações que são feitas sobre a expressão ‘evitar a evitação’ .
I. Pode ser entendida como evitar fugir dos problemas.
II. É uma redundância, já que as duas palavras possuem o mesmo significado e juntas não fazem sentido.
III. É usada como um eufemismo para falar sobre os problemas da vida.
Quais estão corretas?
Provas
Disciplina: Atualidades e Conhecimentos Gerais
Banca: FUNDATEC
Orgão: UNIPAMPA
Michelle Bachelet foi eleita como presidente do nas eleições de dezembro de 2013.
Assinale a alternativa que preenche corretamente a lacuna acima.
Provas
A questão refere-se ao texto abaixo:
Evitar a evitação
Como se proteger dos lapsos de memória? Na Universidade de Nevada no Reno, o psicólogo Steven Hayes faz uma recomendação simples: aprender a aceitar os pensamentos desagradáveis. Ele sugere também evitar a evitação, a esquiva, ou seja, evitar o evitar. Já o psicólogo Daniel Wegner, da Universidade de Harvard, propõe – nos casos mais graves, nos quais a pessoa se sente atormentada por pensamentos intrusivos – a análise diária das próprias preocupações, incluindo tudo aquilo que causa inquietação e se gostaria de reprimir. Ele salienta, porém, que esta orientação vale somente para aqueles que se sentem capazes de lidar com suas angústias. Este método não convém aos pacientes gravemente afetados, que devem buscar ajuda de um médico ou psicoterapeuta.
O pesquisador James Pennebaker, da Universidade do Texas em Austin, analisou numerosos estudos e com base neles concluiu que uma confrontação ativa com os pensamentos reprimidos costuma ter efeitos positivos na vida cotidiana e na saúde tanto física quanto psíquica. Ele assinala as vantagens para algumas pessoas de registrar por escrito seus tabus pessoais, aquilo que teme ou lhe causa vergonha. Segundo o especialista, tal exercício parece ter outra consequência que requer mais pesquisa: reforçar o sistema imunológico, já que assim menos estresse haveria, e parte da energia psíquica despendida na repressão de certos conteúdos poderia ser empregada de maneira mais saudável.
Antes de fazer anotações sobre os temas que nos constrangem, no entanto, é preciso, primeiro, tomar consciência deles para depois analisar esses temas intrusivos. Wegner propõe também encontrar distrações que não aumentem o estresse. Segundo ele, tudo que nos interessa e não cria uma sobrecarga emocional representa uma boa ocasião de se liberar do temor de cometer gafes. Para algumas pessoas, mais rígidas consigo mesmas, pode ser muito tranquilizador tomar consciência de que esse tipo de incidente é simplesmente normal. E se parece difícil conscientizar-se disso sozinho, talvez seja hora de buscar ajuda de um psicólogo. Afinal, se aquilo que seria apenas motivo de um leve mal-estar e uma boa gargalhada após algum tempo se torna razão para se atormentar, parece hora de empenhar-se para tornar a vida um pouco mais leve.
Fonte: texto adaptado - http://www2.uol.com.br/vivermente/reportagens/ai_que_gafe_.html.
Analise as assertivas abaixo, assinalando V, para as verdadeiras, ou F, para as falsas.
( ) Caso o sujeito do verbo ‘convir’ estivesse no plural, não haveria mudança na forma verbal, ou seja, manteria-se a palavra ‘convém’.
( ) A inserção de ‘e tristeza’ logo após ‘menos estresse’ acarretaria necessidade de mudança na forma verbal, a fim de manter a concordância da frase.
( ) Caso o verbo ‘analisar’ fosse substituído por ‘examinar’, não seria necessária nenhuma outra mudança para manter a correção gramatical do período.
A ordem correta de preenchimento dos parênteses, de cima para baixo, é:
Provas
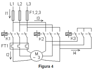
Para responder à questão , analise a figura 4 abaixo.

Na figura 4, está representado o diagrama de força de uma chave estrela-triângulo. A sequência de operação da chave para colocar o motor em marcha é:
Provas
Assinale com V, se verdadeiro, ou F, se falso, nos parênteses abaixo.
A indutância de uma bobina depende da(o)
( ) seção do condutor utilizado no enrolamento.
( ) corrente que circula pela mesma.
( ) número de espiras que forma o enrolamento.
( ) material que compõe o seu núcleo.
( ) tensão aplicada nos seus terminais.
( ) da área abrangida em cada espira.
A ordem correta de preenchimento dos parênteses, de cima para baixo, é:
Provas
Como encarregado da manutenção das instalações elétricas, você foi chamado para sanar um problema num quadro de distribuição, onde o disjuntor geral desarma frequentemente. Após uma inspeção inicial, verifica que se trata de um disjuntor termomagnético de 70 A e que as conexões de entrada e saída estão em boas condições e bem apertadas. A seguir, com um alicate amperimétrico, mede a corrente nas três fases, obtendo o seguinte resultado: fase A, 81 A; fase B, 93 A e fase C, 71 A. Que solução você adotaria?
Provas
Um transformador abaixador de uma fonte utilizada numa bancada de laboratório, com 500 espiras no primário e 20 espiras no enrolamento secundário, é alimentado com 120 Vac. Considerando o transformador como ideal e aplicando uma carga de 10 !$ Ω !$, qual a impedância na entrada?
Provas
A questão refere-se ao texto abaixo:
Evitar a evitação
Como se proteger dos _______ de memória? Na Universidade de Nevada no Reno, o psicólogo Steven Hayes faz uma recomendação simples: aprender a aceitar os pensamentos desagradáveis. Ele sugere também evitar a evitação, a esquiva, ou seja, evitar o evitar. Já o psicólogo Daniel Wegner, da Universidade de Harvard, propõe – nos casos mais graves, nos quais a pessoa se sente atormentada por pensamentos intrusivos – a análise diária das próprias preocupações, incluindo tudo aquilo que causa inquietação e se gostaria de reprimir. Ele salienta, porém, que esta orientação vale somente para aqueles que se sentem capazes de lidar com suas angústias. Este método não convém aos pacientes gravemente afetados, que devem buscar ajuda de um médico ou psicoterapeuta.
O pesquisador James Pennebaker, da Universidade do Texas em Austin, analisou numerosos estudos e com base neles concluiu que uma confrontação ativa com os pensamentos reprimidos costuma ter efeitos positivos na vida cotidiana e na saúde tanto física quanto psíquica. Ele assinala as vantagens para algumas pessoas de registrar por escrito seus tabus pessoais, aquilo que teme ou lhe causa vergonha. Segundo o especialista, tal exercício parece ter outra consequência que requer mais pesquisa: reforçar o sistema imunológico, já que assim menos estresse haveria, e parte da energia psíquica despendida na _______ de certos conteúdos poderia ser empregada de maneira mais saudável.
Antes de fazer anotações sobre os temas que nos constrangem, no entanto, é preciso, primeiro, tomar consciência deles para depois analisar esses temas intrusivos. Wegner propõe também encontrar distrações que não aumentem o estresse. Segundo ele, tudo que nos interessa e não cria uma sobrecarga emocional representa uma boa ocasião de se liberar do temor de cometer gafes. Para algumas pessoas, mais rígidas consigo mesmas, pode ser muito _______ tomar consciência de que esse tipo de incidente é simplesmente normal. E se parece difícil conscientizar-se disso sozinho, talvez seja hora de buscar ajuda de um psicólogo. Afinal, se aquilo que seria apenas motivo de um leve mal-estar e uma boa gargalhada após algum tempo se torna razão para se atormentar, parece hora de empenhar-se para tornar a vida um pouco mais leve.
Fonte: texto adaptado - http://www2.uol.com.br/vivermente/reportagens/ai_que_gafe_.html.
Assinale a alternativa que completa, correta e respectivamente, as lacunas do texto.
Provas
Caderno Container