Foram encontradas 50 questões.
Disciplina: Atualidades e Conhecimentos Gerais
Banca: FUNDATEC
Orgão: UNIPAMPA
A Comissão da Verdade, criada pela presidente Dilma Rousseff, visa investigar:
Provas
A figura abaixo apresenta um circuito eletrônico.

Considerando V = Vcc = 12V; Rc=1,8k!$ Ω !$; Re=820!$ Ω !$; Rb=310k!$ Ω !$; Vo = 3,90V; Vce = 0,13V. Marque a alternativa que apresenta o valor mais aproximado da corrente de coletor.
Provas
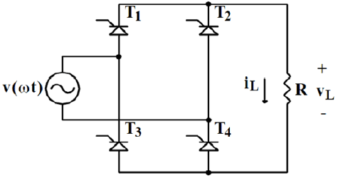
A figura abaixo se refere a um circuito eletrônico de potência.

Marque a alternativa que apresenta a denominação correta deste circuito.
Provas
No Chrome (Versão 34.0.1788.0 dev-m), é possível excluir diversas informações através da Caixa de Diálogo "Limpar Dados de Navegação", EXCETO:
Provas
A questão refere-se ao texto abaixo:
Evitar a evitação
Como se proteger dos lapsos de memória? Na Universidade de Nevada no Reno, o psicólogo Steven Hayes faz uma recomendação simples: aprender a aceitar os pensamentos desagradáveis. Ele sugere também evitar a evitação, a esquiva, ou seja, evitar o evitar. Já o psicólogo Daniel Wegner, da Universidade de Harvard, propõe – nos casos mais graves, nos quais a pessoa se sente atormentada por pensamentos intrusivos – a análise diária das próprias preocupações, incluindo tudo aquilo que causa inquietação e se gostaria de reprimir. Ele salienta, porém, que esta orientação vale somente para aqueles que se sentem capazes de lidar com suas angústias. Este método não convém aos pacientes gravemente afetados, que devem buscar ajuda de um médico ou psicoterapeuta.
O pesquisador James Pennebaker, da Universidade do Texas em Austin, analisou numerosos estudos e com base neles concluiu que uma confrontação ativa com os pensamentos reprimidos costuma ter efeitos positivos na vida cotidiana e na saúde tanto física quanto psíquica. Ele assinala as vantagens para algumas pessoas de registrar por escrito seus tabus pessoais, aquilo que teme ou lhe causa vergonha. Segundo o especialista, tal exercício parece ter outra consequência que requer mais pesquisa: reforçar o sistema imunológico, já que assim menos estresse haveria, e parte da energia psíquica despendida na repressão de certos conteúdos poderia ser empregada de maneira mais saudável.
Antes de fazer anotações sobre os temas que nos constrangem, no entanto, é preciso, primeiro, tomar consciência deles para depois analisar esses temas intrusivos. Wegner propõe também encontrar distrações que não aumentem o estresse. Segundo ele, tudo que nos interessa e não cria uma sobrecarga emocional representa uma boa ocasião de se liberar do temor de cometer gafes. Para algumas pessoas, mais rígidas consigo mesmas, pode ser muito tranquilizador tomar consciência de que esse tipo de incidente é simplesmente normal. E se parece difícil conscientizar-se disso sozinho, talvez seja hora de buscar ajuda de um psicólogo. Afinal, se aquilo que seria apenas motivo de um leve mal-estar e uma boa gargalhada após algum tempo se torna razão para se atormentar, parece hora de empenhar-se para tornar a vida um pouco mais leve.
Fonte: texto adaptado - http://www2.uol.com.br/vivermente/reportagens/ai_que_gafe_.html.
Assinale a alternativa cuja palavra, retirada do texto, NÃO é formada apenas por derivação sufixal.
Provas
Considerando um circuito LC, onde o indutor está paralelo ao capacitor, com C = 220μF e L = 32mH, marque a alternativa que apresenta a frequência de ressonância do circuito.
Provas
Considere os conceitos do semicondutor denominado DIAC. Analise as assertivas e marque V, para verdadeiro, ou F, para falso.
( ) O DIAC é um comutador de onda completa. ( ) O DIAC dispara nos dois sentidos somente quando polarizado em DC.
( ) O DIAC conduz corrente apenas quando a tensão atinge o valor de disparo.
( ) O DIAC tem o mesmo comportamento em ambas as direções.
A ordem correta de preenchimento dos parênteses, de cima para baixo, é:
Provas
De acordo com o disposto na Lei nº 9.784/99, que regula o processo administrativo no âmbito da Administração Pública Federal, o início do processo administrativo
Provas
O grupo Tabelas faz parte de qual guia do Microsoft Word 2007?
Provas
Disciplina: Atualidades e Conhecimentos Gerais
Banca: FUNDATEC
Orgão: UNIPAMPA
Considere a imagem abaixo:

Assinale a alternativa correta correspondente à imagem.
Provas
Caderno Container