Foram encontradas 769 questões.
O diagrama de Bode de um sistema G(s) é apresentado a seguir.

Com base no diagrama de Bode apresentado, a função de transferência ????(????) é dada por:
Provas
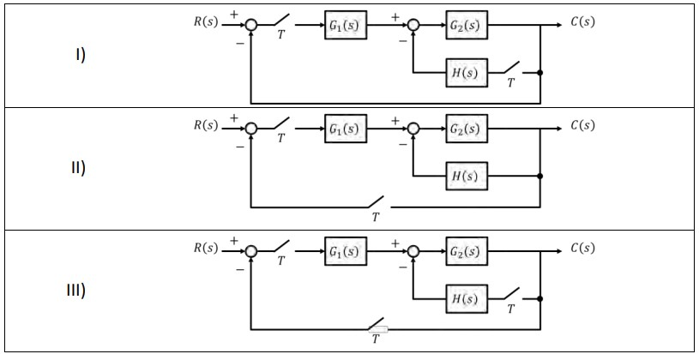
Analise os diagramas de blocos de três sistemas amostrados conforme abaixo.

Para análise de sistemas amostrados, é comum obter a função de transferência de malha fechada no domínio z. Sobre a função de transferência C(z) / R(z) dos diagramas de blocos apresentados, é possível afirmar que:
Provas
O ruído eletromagnético presente em ambientes industriais é um desafio importante para a transmissão de sinais digitais no chão de fábrica. Abaixo estão listadas algumas tecnologias implementadas em redes industriais.
I. A rede DEVICENET utiliza terminadores nas extremidades.
II. A rede PROFINET utiliza meios ópticos de transmissão.
III. A rede CAN utiliza codificação diferencial.
Qual(is) tecnologia(s) reduz(em) a suscetibilidade da rede a interferências eletromagnéticas externas?
Provas
Analise o circuito pneumático apresentado na figura abaixo.

FIALHO, Arivelto Bustamante. Automação pneumática: projetos, dimensionamento e análise de circuitos. 7. ed. São Paulo: Érica, 2011.
Sobre o circuito acima, é possível afirmar que:
Provas
Em relação às fontes de ruído em sistemas eletrônicos, analise as afirmativas a seguir.
I. O ruído térmico é diretamente proporcional à temperatura e é caracterizado por uma forma de onda que nunca se repete exatamente; ou seja, é puramente aleatória. O seu espectro de potência é plano com a frequência e como todas as frequências estão presentes nesse ruído, ele é chamado de ruído branco.
II. A potência produzida pelo ruído shot é diretamente proporcional à corrente de polarização. Assim como o ruído térmico, o ruído shot é puramente aleatório e costuma ser chamado ruído rosa, porque a maioria da potência se concentra na extremidade inferior do espectro de frequência.
III. A potência do ruído flicker é proporcional à corrente de polarização e, diferentemente dos ruídos térmico e shot, diminui com a frequência. O ruído flicker é fundamentalmente aleatório, contudo, o seu espectro de frequência não é plano.
IV. O ruído impulsivo é um ruído de baixa frequência, de nível discreto e ocorrência aleatória. É muito específico de cada dispositivo, aumenta com o nível de corrente de polarização e é inversamente proporcional ao quadrado da frequência.
Estão corretas APENAS as afirmativas:
Provas
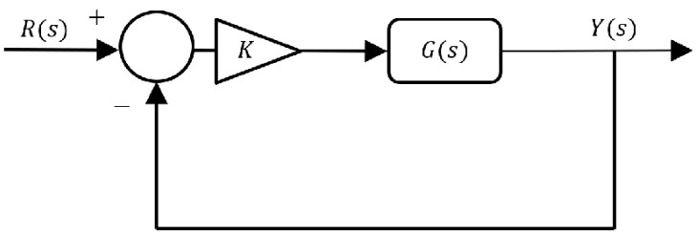
Considere o sistema de controle apresentado na figura abaixo.

O diagrama de Bode do sistema com função de transferência G(s) é exibido na figura a seguir.

Considerando-se que o ganho K do controlador proporcional foi projetado para que o erro em regime permanente para uma entrada R(s) em degrau unitário seja menor que 10%, assinale a alternativa cujos valores das margens de fase e de ganho de KG(s) mais se aproximam dos valores corretos.
Provas
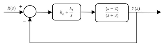
Considere o sistema de malha fechada com um controlador do tipo PI, conforme apresentado na figura abaixo.

As faixas de valores para os ganhos kp e kI para as quais o sistema de malha fechada é estável são:
Provas
Considere o sistema de controle apresentado na figura abaixo.

O gráfico do Lugar das Raízes referente ao sistema, para K > 0, representado na figura acima é:
Provas
Considere o sistema de malha fechada com o diagrama de blocos apresentado na figura abaixo.

Sobre esse sistema em malha fechada, compreende-se que:
Provas
Uma fábrica de pães de forma deseja automatizar sua linha de produção. Para isso, foi estruturado o seguinte procedimento: ao se pressionar um botão de início B1, um motor M1 é ativado, o qual liga uma esteira responsável pelo transporte dos pães. O sensor S1 detecta os pães que se dirigem a uma caixa posicionada na esteira M2 . A cada 10 pães, a esteira M1 deve parar e ativar a esteira M2 por um período de 1 segundo. A esteira M2 controla o transporte das caixas completas. Após o período de 1 segundo, o contador é zerado e o ciclo reinicia. Assinale a opção correta que contém o código em Ladder para o procedimento descrito.
Provas
Caderno Container