Foram encontradas 41.309 questões.
Disciplina: Engenharia Elétrica
Banca: OBJETIVA
Orgão: Pref. Lavras Sul-RS
Provas
Disciplina: Engenharia Elétrica
Banca: OBJETIVA
Orgão: Pref. Lavras Sul-RS
Provas
Disciplina: Engenharia Elétrica
Banca: OBJETIVA
Orgão: Pref. Lavras Sul-RS
Sobre magnetismo e eletromagnetismo, analisar os itens abaixo:
I. A permeabilidade se refere à capacidade de um material magnético de concentrar o fluxo magnético. A permeabilidade relativa é uma medida da permeabilidade para diferentes materiais em comparação com o ar ou vácuo. A permeabilidade relativa do cobre é menor do que 1, já a do alumínio é ligeiramente maior do que 1.
II. Se uma bobina com certo número de amperes-espira for esticada até atingir o dobro do seu comprimento original, a intensidade do campo magnético terá a metade do seu valor original.
III. Segundo a lei de Faraday, a tensão induzida tem polaridade tal que se opõe à variação de fluxo que causa a indução. Segundo a lei de Lenz, o valor da tensão induzida depende do número de espiras da bobina e da velocidade com que o condutor intercepta as linhas de força ou fluxo. Tanto o condutor quanto o fluxo podem se deslocar.
IV. Considerando-se uma bobina que tem uma força magnetomotriz de 500Ae e uma relutância de 2x106 Ae/Wb, o fluxo magnético total será de 250mWb.
Estão CORRETOS:
Provas
Disciplina: Engenharia Elétrica
Banca: OBJETIVA
Orgão: Pref. Lavras Sul-RS
Provas
Disciplina: Engenharia Elétrica
Banca: OBJETIVA
Orgão: Pref. Lavras Sul-RS
Considerar o diagrama abaixo:

O diagrama representa a lógica de funcionamento de um relé do tipo:
Provas
Disciplina: Engenharia Elétrica
Banca: OBJETIVA
Orgão: Pref. Lavras Sul-RS
Provas
Disciplina: Engenharia Elétrica
Banca: OBJETIVA
Orgão: Pref. Lavras Sul-RS

Provas
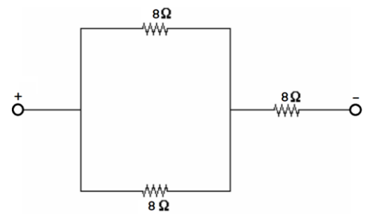
Considere o seguinte circuito:

O valor da resistência equivalente é:
Provas
Considere o seguinte circuito:

O valor da resistência equivalente é:
Provas
Preencha as lacunas do texto a seguir considerando-se os conceitos relacionados ao diodo semicondutor.
O diodo semicondutor é formado por um processo de no qual são criados materiais semicondutores tipo N e tipo P no mesmo componente. Os terminais do diodo são identificados como (conectado ao material tipo P) e (conectado ao material tipo N). A principal característica operacional do diodo é que ele permite a passagem de corrente em .
A sequência que preenche corretamente as lacunas do texto é:
Provas
Caderno Container