Foram encontradas 41.309 questões.
Informe se é verdadeiro (V) ou falso (F) o que se afirma sobre a condução elétrica nos materiais.
( ) Quanto mais distante a órbita de um elétron, menor a atração do núcleo. Na eletrônica, interessa a última órbita, chamada de órbita de valência. Essa órbita controla as propriedades elétricas do átomo e define se o material é condutor, semicondutor ou isolante.
( ) Nos isolantes, a atração do núcleo e do elétron de valência é muito fraca; o elétron de valência pode deslocar facilmente e, por isso, o elétron de valência é também chamado de elétron livre.
( ) Nos condutores, os elétrons de valência estão fortemente ligados ao seu átomo e não estão livres. Os materiais mais comuns deste grupo são baseados em uma combinação de dois ou mais tipos de átomos.
( ) O semicondutor é um elemento com propriedades elétricas entre as do condutor e as do isolante. Os melhores materiais deste grupo têm quatro elétrons na órbita de valência.
A sequência correta de preenchimento dos parênteses, de cima para baixo, é:
Provas
As principais funções desses equipamentos são, respectivamente,
Provas

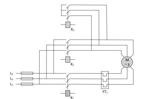
Avalie as afirmações sobre o diagrama mostrado na Figura 7. I - Com o fechamento dos contatores K1 e K3, o motor inicia a sua partida em estrela. II - Com o fechamento dos contatores K2 e K3, o motor inicia a sua partida em triângulo. III - A corrente no circuito durante a partida em estrela corresponde a 33% da corrente nominal do motor. IV - A tensão no motor durante a partida em triângulo corresponde a 58% da tensão nominal da rede elétrica.
Está correto apenas o que se afirma em
Provas
Provas
Circuito I: um motor trifásico de 25 cv / 4 polos (tensão nominal de 380 V, corrente nominal de 35,5 A e relação corrente de partida/corrente nominal de 6,7). Circuito II: 100 lâmpadas fluorescentes de 100 W com reator de alto fator de potência. Circuito III: 10 aparelhos de ar-condicionado de 24.000 BTU (2,34 kW).
Para cada circuito deve ser determinado um fusível de proteção, escolhido dentre as opções mostradas na tabela a seguir:

Adotando-se o fator de multiplicação para cálculo da corrente do fusível igual a 0,4, para circuitos com motores, e 1,15, para circuitos com aparelhos, as correntes nominais dos fusíveis dos circuitos I, II e III devem ser, respectivamente,
Provas
Considerando-se uma queda de tensão máxima no circuito de 4 %, o valor da queda de tensão unitária no circuito será de
Provas

Sobre esse diagrama preencha corretamente as lacunas da afirmação: As lâmpadas são comandadas por interruptor (es) e interruptor (es) .
A sequência que preenche corretamente as lacunas é:
Provas
Se o capacitor for reconstruído com placas com a metade da área e separadas por um material isolante com constante dielétrica igual a 3,0, o valor da capacitância do capacitor passará a ser de
Provas
Se a bobina for reconstruída com o dobro do número de espiras e um fio com a metade do diâmetro, o valor da resistência elétrica da bobina passará a ser de
Provas
( ) A ligação atômica entre os elétrons de átomos adjacentes ocorre na última camada, denominada camada de valência.
( ) Elétrons de valência são aqueles que fazem a ligação entre um átomo com mais de quatro elétrons na camada de valência com outro átomo com menos de quatro na mesma camada.
( ) Na ligação atômica, elétrons que possuem movimento helicoidal em torno do seu eixo próprio (spin) no mesmo sentido formam um par de elétrons.
( ) Metais pertencem ao grupo dos elementos denominados eletronegativos, pois seus átomos tendem a perder ou ganhar elétrons da camada de valência.
( ) A condutividade eletrônica dos metais é proporcionada pelos chamados elétrons livres, ou seja, elétrons que não estão condicionados a nenhum núcleo de átomo.
De acordo com as afirmações, a sequência correta é:
Provas
Caderno Container