Foram encontradas 41.139 questões.
Considere o circuito abaixo.

As tensões em R1 e R2 correspondem, respectivamente, a
Provas
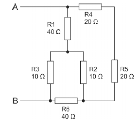
Considere o circuito abaixo.

A resistência equivalente aproximada entre os pontos A e B é
Provas
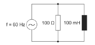
Veja o circuito abaixo, composto por uma fonte de tensão alternada, um resistor e um indutor.
Considerar !$ π !$ = 3,14

A impedância aproximada do circuito é
Provas
Marque a opção que não representa um sistema de produção de energia elétrica.
Provas
Conforme a definição de motores a indução, assinale a alternativa incorreta.
Provas
Assinale a alternativa que, segundo a ABNT NBR-5410, caracteriza uma instalação de baixa tensão.
Provas
Para estimar o tempo médio para a execução de uma atividade em uma obra, são considerados seus tempos otimista, pessimista e mais provável.
Para uma atividade em que esses tempos são respectivamente iguais a 8, 20 e 26 unidades de tempo (ut), o tempo médio é igual a
Provas
Considere um servidor de dados fictício, em uma rede TCP/IP, configurado com os seguintes dados:
- Endereço IP: 200.181.59.6
- Máscara: 255.255.255.248
- Porta: 80
O roteador de acesso a esse servidor deve possuir uma interface que abranja a mesma sub-rede do servidor, sem a necessidade de broadcasts na rede.
Sabendo disso, assinale a opção que apresenta o tipo de serviço fornecido, além do IP e máscara que podem ser configurados na interface do roteador de acesso.
Provas
Considere as seguintes afirmações sobre o padrão SDI e suas variantes (SD-SDI, HD-SDI, ...):
I. O padrão SDI foi, originalmente, concebido para a realização de transmissão de sinais de vídeo comprimidos e não-criptografados.
II. Os cabos usualmente utilizados para transmissão de sinais utilizando o padrão SDI são do tipo par trançado.
III. O padrão HD-SDI possui taxa de transmissão de bits aproximadamente fixa em 1,485 Gb/s.
Está correto o que se afirma em
Provas
Um sistema de comunicações hipotético, baseado em satélites idênticos em órbita baixa, provê serviços de comunicações sem interrupção para usuários em qualquer região da superfície terrestre. A cobertura instantânea de 8 satélites da constelação na região do Equador é representada pela figura a seguir. As órbitas estão uniformemente distribuídas ao redor do planeta, possuem uma inclinação de 90º com relação ao plano equatorial e contêm o mesmo número de satélites. O raio da Terra é aproximadamente igual a 6400 km e o raio da área de cobertura instantânea de um satélite é !$ r={\large{1600 \pi \over 3}}km !$. Considerar !$ \sqrt3 \sim 1,73 !$ quando necessário.

O número total de satélites do sistema de comunicações hipotético é igual a
Provas
Caderno Container