Foram encontradas 41.139 questões.
Deseja-se medir a potência de saída de um amplificador balanceado utilizando-se um medidor de potência. O amplificador balanceado abaixo é composto de acopladores direcionais de 3 dB, dois amplificadores idênticos com ganho de 30 dB, e impedâncias de 50 !$ Ω !$. O sistema é baseado em 50 !$ Ω !$, o sinal na porta de entrada possui frequência de 4 GHz e potência média de 500 μW. Considerar log102=0,3.

A leitura da potência média no medidor de potência será
Provas
Uma antena possui um ganho máximo 20 vezes maior que o de uma antena dipolo de meia onda. A potência que efetivamente entra nos terminais dessa antena é de 3 dBm.
Sabendo que o ganho máximo de uma antena dipolo de meia onda é de 2,15 dBi, o valor que mais se aproxima da potência de saída (EIRP) na direção de máximo da antena é (
Provas
Considere um enlace de 12 km de distância na frequência de 7,5 GHz entre duas estações A e B. Em relação ao nível do mar, a estação A possui uma altura igual a 7,5 m e a estação B está a 37,5 m de altura. O terreno é plano e rugoso e possui um único obstáculo do tipo gume de faca. O obstáculo possui uma altura igual a 30 m, está localizado na linha de visada do enlace e está a 3 km da estação B. Sabe-se que o raio do elipsoide da 1ª Zona de Fresnel é dado por !$ \sqrt{{\large{λ d A^dB \over d_A+d_B}}} !$, em que !$ λ !$ é o comprimento de onda do sinal a ser transmitido e !$ d_A !$ e !$ d_B !$ são, respectivamente, a distância do ponto de observação às estações A e B. Analise as seguintes afirmativas relativas ao enlace, na condição de Terra plana:
I. A atenuação de espaço livre é inversamente proporcional à densidade do fluxo de potência de uma onda eletromagnética.
II. Se a estação A for elevada para uma altura igual a 37,5 m, a 1ª Zona de Fresnel encontra-se totalmente desobstruída pelo obstáculo e o enlace pode ser considerado em visada direta.
III. A atenuação de espaço livre !$ \left[ {\large{4 \pi (d_A+d_B) \over λ}} \right]^2 !$, é menor do que 120 dB.
É correto o que se afirma em
Provas
Você é responsável por uma estação de rádio, em local onde a população em geral pode ser exposta à direção de máximo ganho de uma antena (Gmax = 20 dBi).
O equipamento transmissor possui potência máxima de 40dBm na frequência de f = 1728MHz. Em relação à exposição a ondas eletromagnéticas, as normas vigentes estabelecem, para esta faixa de frequências, que a máxima intensidade de campo elétrico (RMS), na posição de observação, é de 1,375 !$ \sqrt f !$ (f em MHz).
Por esse critério, a distância mínima de segurança é, aproximadamente, de
Provas
Considere as seguintes afirmações sobre amplificadores transistorizados:
I. Um amplificador classe A é suscetível a distorção de crossover.
II. Considerando uma mesma aplicação, um amplificador classe B deverá possuir maior eficiência energética que um amplificador classe A.
III. Para amplificar os dois semiciclos de um sinal de entrada senoidal, um amplificador classe B precisará de ao menos 2 transistores.
Está correto o que se afirma em
Provas
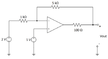
Considere o modelo ideal para o amplificador operacional no circuito a seguir.

O valor de Vout, indicado no circuito, é:
Provas
As pontes de medição são peças fundamentais em equipamentos de medição. O circuito abaixo consiste de uma ponte de Wheatstone conectada a uma bateria de 9V. O resistor !$ R_1 !$ possui valor igual a 10 !$ k Ω !$, os resistores !$ R_2 !$ e !$ R_3 !$ possuem valor nominal igual a 1 !$ k Ω !$ e !$ R_4 !$ é um potenciômetro.

Analise as seguintes afirmativas relativas ao circuito:
I. A corrente que passa pelo amperímetro A é nula quando !$ R_4 !$ é igual a 100Ω.
II. A corrente que passa pelo amperímetro A é monótona decrescente com relação à !$ R_4 !$.
III. A potência fornecida pela bateria é inversamente proporcional à !$ R_4 !$.
É correto o que se afirma em
Provas
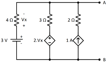
No circuito abaixo há, além das fontes independentes, uma fonte de tensão dependente, cujo valor depende da tensão no resistor (Vx), conforme indicado na figura a seguir.

O valor da tensão e do resistor de Thevenin vistos dos pontos A e B são
Provas
Um circuito elétrico é composto de uma fonte de corrente contínua igual a E que alimenta três resistores em série, de valores iguais a R, 2R e 3R.
Os equivalentes de Thévenin e Norton vistos pelos terminais do resistor igual a 2R são, respectivamente, compostos por
Provas
No que diz respeito aos fenômenos de transporte e mecânica dos fluidos, uma máquina de fluxo nada mais é do que um equipamento que pode adicionar ou retirar energia de um fluido. Entre esses equipamentos,
I. é utilizado para aumentar a pressão de um fluido compressível; e
II. é utilizado para aumentar a pressão ou o potencial de um fluido incompressível.
Exemplos de equipamentos enquadrados em I e II são, respectivamente,
Provas
Caderno Container