Magna Concursos

Foram encontradas 20.445 questões.

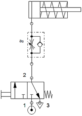
560350 Ano: 2014
Disciplina: Engenharia Eletrônica
Banca: IF-SUL
Orgão: IF-SUL
Considere o circuito pneumático apresentado na figura acima.
Enunciado 560350-1
Sobre o funcionamento e os componentes do circuito pneumático apresentado, é correto afirmar que
 

Provas

Questão presente nas seguintes provas
554221 Ano: 2014
Disciplina: Engenharia Eletrônica
Banca: MS CONCURSOS
Orgão: IF Sertão
Provas:
O resultado (em decimal) da soma dos números 10011011b + 190h é:
 

Provas

Questão presente nas seguintes provas
552451 Ano: 2014
Disciplina: Engenharia Eletrônica
Banca: MS CONCURSOS
Orgão: IF Sertão
Provas:
Devido à chegada do inverno, Marta decidiu alterar a resistência de seu chuveiro, diminuindo-a em 20%, para que esquentasse mais. Ao fazer isso, a potência do chuveiro aumentou em:
 

Provas

Questão presente nas seguintes provas
Observe o circuito abaixo.
Enunciado 552361-1
No circuito série-paralelo da figura acima, os valores da impedância total ZT e das correntes I1 e I2 são, respectivamente:
 

Provas

Questão presente nas seguintes provas
548589 Ano: 2014
Disciplina: Engenharia Eletrônica
Banca: IF-RS
Orgão: IF-RS
Considerando que N1=90 e N2=30 e que Vp=Vrms/0,7 e D1 e D2 diodos ideais. Quais são as tensões de pico na carga RL e de pico reversa no diodo D1 respectivamente?
Enunciado 548589-1
 

Provas

Questão presente nas seguintes provas
Enunciado 548515-1
A alternativa que apresenta a descrição correta da válvula V1 representada no circuito da figura acima é:
 

Provas

Questão presente nas seguintes provas
548306 Ano: 2014
Disciplina: Engenharia Eletrônica
Banca: UFMT
Orgão: UFT
Provas:

A figura abaixo mostra um sistema de microcontrolador, no qual estão ligados uma botoeira de comando (BT1), um LED de sinalização e um relé comandado por um transistor.

Enunciado 548306-1

Em relação ao esquema e ao funcionamento do microcontrolador, assinale a afirmativa INCORRETA.

 

Provas

Questão presente nas seguintes provas
547424 Ano: 2014
Disciplina: Engenharia Eletrônica
Banca: INPE
Orgão: INPE
Provas:

Para se adquirir uma medida de temperatura através de termopares ligados a um sistema de aquisição de dados, têm-se disponíveis três tipos de termopares: tipo J, tipo K e tipo T. Dentre esses, qual (quais) termopar (es) pode (m) ser usado (s) para medir temperaturas em torno de 1000ºC?

 

Provas

Questão presente nas seguintes provas
547348 Ano: 2014
Disciplina: Engenharia Eletrônica
Banca: UFSM
Orgão: UFSM

Dentre os principais elementos que um sistema de supervisão deve possuir, estão os , que são mensagens de sistema definidas pelo usuário para alertar o operador sobre alguma situação específica.

A alternativa que completa corretamente a lacuna é

 

Provas

Questão presente nas seguintes provas
545761 Ano: 2014
Disciplina: Engenharia Eletrônica
Banca: UFRGS
Orgão: UFRGS
Provas:
Uma carga resistiva é composta por dois resistores em paralelo, de 10 !$ \Omega !$ cada um, e alimentada por uma fonte de tensão de 220 V. O valor da corrente total e da resistência equivalente dessa carga é, respectivamente, de
 

Provas

Questão presente nas seguintes provas