Foram encontradas 20.445 questões.
Em sistemas hidráulicos e pneumáticos é usual a utilização de dispositivos que permitam o sensoaremento de determinadas grandezas físicas. São dispositivos utilizados para medição de pressão e para detecção de proximidade de objetos metálicos, respectivamente, os:
Provas
Questão presente nas seguintes provas
O fabricante de um determinado resistor de precisão de !$ 1250 \Omega !$, garante que o valor da resistência elétrica desse resistor certamente estará entre uma variação de + ou - 0,5% em torno do valor indicado. Se esse resistor for ligado a uma fonte de alimentação que forneça uma ddp de 5,0 V, entre os valores máximo e mínimo possíveis da intensidade da corrente elétrica no resistor teremos um intervalo de:
Provas
Questão presente nas seguintes provas
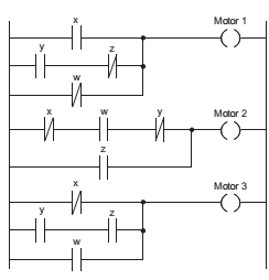
A figura abaixo corresponde à programação em LADDER para acionamento de três motores (1, 2 e 3).

Na condição de entradas definida por x = z = 0 e y = w = 1
Provas
Questão presente nas seguintes provas

Considerando que as entradas A, B e C têm como valores possíveis apenas 0 (zero) e 1(um), para que o circuito tenha a sua saída igual a 0 (zero), qual deve ser a configuração das entradas?
Provas
Questão presente nas seguintes provas

Assinale a alternativa que apresenta a expressão lógica equivalente ao circuito.
Provas
Questão presente nas seguintes provas
- Conversores Analógicos Digitais (AD) e Digitais Analógicos (DAC)
- Eletrônica Digital na Engenharia Eletrônica
O conversor analógico-digital é um dispositivo capaz de representar grandezas analógicas de forma digital. Numere os tipos de conversores na coluna de números de acordo com os métodos de conversão na coluna de parênteses.
1 - Integradores
2 - Não integradores
( ) Contador
( ) Dupla rampa
( ) Sigma-delta
( ) Aproximações sucessivas
( ) Flash
Assinale a sequência correta.
1 - Integradores
2 - Não integradores
( ) Contador
( ) Dupla rampa
( ) Sigma-delta
( ) Aproximações sucessivas
( ) Flash
Assinale a sequência correta.
Provas
Questão presente nas seguintes provas
- Conversores Analógicos Digitais (AD) e Digitais Analógicos (DAC)
- Eletrônica Digital na Engenharia Eletrônica
Considere um sistema em que seja necessária a verificação da temperatura de um ambiente e o controle de um subsistema de aquecimento para manter a temperatura do ambiente dentro dos limites especificados (entre 300 °C e 350 °C). Assinale a alternativa que apresenta os elementos necessários para esse sistema em sua sequência de passagem de sinal.
Provas
Questão presente nas seguintes provas
Acerca das portas lógicas e da álgebra booleana, assinale a alternativa correta.
Provas
Questão presente nas seguintes provas
Com base no circuito lógico apresentado, assinale a alternativa correta.
Provas
Questão presente nas seguintes provas

Os símbolos apresentados são, respectivamente,
Provas
Questão presente nas seguintes provas
Cadernos
Caderno Container