Foram encontradas 20.445 questões.
Considere as curvas características dos resistores R1 e R2 e a configuração de resistências mostradas na Figura a seguir.
O valor da resistência equivalente, em ohms, dessa configuração é de
O valor da resistência equivalente, em ohms, dessa configuração é de
Provas
Questão presente nas seguintes provas
O comportamento entrada-saída do circuito RC mostrado na Figura a seguir é visto como um filtro passa-baixas. Os valores dos componentes desse circuito são: R = 1 kΩ e C = 2 μF. Sabe-se que as medidas de potência sobre os sinais de entrada (Vi ) e saída (Vo ) são calculadas aplicando-se essas tensões sobre cargas resistivas unitárias.

Considerando-se que a frequência de corte desse tipo de filtro corresponde ao ponto em que a potência do sinal de saída é a metade da potência do sinal de entrada, qual o valor, em rad/s, dessa frequência de corte?

Considerando-se que a frequência de corte desse tipo de filtro corresponde ao ponto em que a potência do sinal de saída é a metade da potência do sinal de entrada, qual o valor, em rad/s, dessa frequência de corte?
Provas
Questão presente nas seguintes provas
No circuito resistivo apresentado a seguir, os terminais de um voltímetro V são aplicados sobre dois pontos do circuito, como mostra a Figura abaixo.

O valor absoluto da tensão medida pelo voltímetro, quando comparado ao valor da fonte de tensão E, corresponde ao seguinte percentual:

O valor absoluto da tensão medida pelo voltímetro, quando comparado ao valor da fonte de tensão E, corresponde ao seguinte percentual:
Provas
Questão presente nas seguintes provas
Considere o circuito da Figura abaixo, onde se deseja calcular o equivalente Thevenin entre os terminais 1 e 2.

Os valores equivalentes da fonte de tensão, em volts, e da resistência, em ohms, respectivamente, são:

Os valores equivalentes da fonte de tensão, em volts, e da resistência, em ohms, respectivamente, são:
Provas
Questão presente nas seguintes provas
Na Figura abaixo, está representado o esquema de um circuito armadilha, também conhecido como filtro notch. O objetivo desse circuito é impedir que sinais senoidais de determinada frequência aplicados à entrada vS sejam transmitidos para a saída vo .

Nesse circuito armadilha, o ganho de tensão vo /vS em corrente contínua, e a frequência, em quilohertz, rejeitada na saída vo são, respectivamente:
Dado (Considere π ≈ 3)

Nesse circuito armadilha, o ganho de tensão vo /vS em corrente contínua, e a frequência, em quilohertz, rejeitada na saída vo são, respectivamente:
Dado (Considere π ≈ 3)
Provas
Questão presente nas seguintes provas
Considere ideais os diodos D1 e D2 do circuito mostrado na Figura a seguir.

Ao se alimentar esse circuito com uma bateria de 9,0 V, tem-se que a

Ao se alimentar esse circuito com uma bateria de 9,0 V, tem-se que a
Provas
Questão presente nas seguintes provas
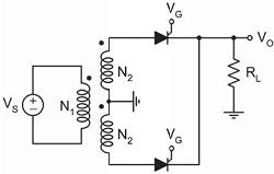
Na Figura abaixo, é apresentado o circuito de um retificador controlado, onde o transformador e os SCR (Sillicon Controlled Rectifiers) podem ser considerados ideais. A relação de espiras do transformador é dada por N1 / N2 = 1.
Considere que as formas de onda da tensão VS de entrada e da tensão VG de disparo dos SCR são dadas nos gráficos apresentados a seguir.
O valor médio da tensão na saída VO, em volts, é de
Considere que as formas de onda da tensão VS de entrada e da tensão VG de disparo dos SCR são dadas nos gráficos apresentados a seguir.
O valor médio da tensão na saída VO, em volts, é de
Provas
Questão presente nas seguintes provas
No circuito mostrado na Figura a seguir, considere os transformadores ideais.
Ao se aplicar uma fonte de tensão senoidal vs com 100 V de amplitude de pico à entrada do circuito, qual será a amplitude de pico, em volts, da tensão na saída vo ?
Ao se aplicar uma fonte de tensão senoidal vs com 100 V de amplitude de pico à entrada do circuito, qual será a amplitude de pico, em volts, da tensão na saída vo ?
Provas
Questão presente nas seguintes provas
Necessita-se projetar um circuito que seja capaz de transformar um sinal de entrada, dado na forma de uma onda quadrada simétrica, em uma onda aproximadamente triangular, conforme mostrado no diagrama abaixo:
Empregando-se um amplificador operacional real como, por exemplo, o LM741, na realização do projeto, a função especificada acima só poderá ser corretamente realizada pelo circuito
Empregando-se um amplificador operacional real como, por exemplo, o LM741, na realização do projeto, a função especificada acima só poderá ser corretamente realizada pelo circuito
Provas
Questão presente nas seguintes provas
A Figura abaixo mostra um circuito elétrico, composto por uma fonte de tensão alternada, 6 resistores (numerados de 1 a 6) e 4 instrumentos de medição (identificados com as letras P, Q, S e T).
Em relação ao tipo de medidor e à grandeza elétrica medida por ele, considere as afirmativas a seguir.
I - O instrumento de medição P deve ser um amperímetro para medir a corrente total do circuito.
II - O instrumento de medição Q deve ser um voltímetro para medir a tensão no resistor R3.
III - O instrumento de medição S deve ser um voltímetro para medir a tensão no resistor R2.
IV - O instrumento de medição T deve ser um amperímetro para medir a corrente no resistor R4.
Está correto APENAS o que se afirma em
Em relação ao tipo de medidor e à grandeza elétrica medida por ele, considere as afirmativas a seguir.
I - O instrumento de medição P deve ser um amperímetro para medir a corrente total do circuito.
II - O instrumento de medição Q deve ser um voltímetro para medir a tensão no resistor R3.
III - O instrumento de medição S deve ser um voltímetro para medir a tensão no resistor R2.
IV - O instrumento de medição T deve ser um amperímetro para medir a corrente no resistor R4.
Está correto APENAS o que se afirma em
Provas
Questão presente nas seguintes provas
Cadernos
Caderno Container