Foram encontradas 20.445 questões.
Provas
Provas

Provas
Provas
Um transistor NPN (hFEmín = 200, hFEsat = 100, BVCEO = 50 V, ICmáx = 0,5 A), atuando como chave, aciona em seu coletor um relé (bobina: 12 V / 80 mA; contato reversível: 220 V / 10 A), por meio de um sinal digital (0 ou 5 V) aplicado ao resistor de base. A tensão de alimentação do coletor é 12 V e o relé é usado para operar um motor CC (24 V / 3 A). O valor do resistor de base mais apropriado para o circuito é
Provas
Um filtro de harmônicos ativo comercial com tecnologia IGBT faz a avaliação de sinais com frequência até 3,06 kHz. Nesse caso, ele elimina harmônicos até a
Provas
Uma porta lógica EXCLUSIVE-OR de duas entradas X e Y e saída S, tem a entrada X fixa em nível "1". A expressão lógica que representa esse circuito é:
Provas
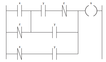
Considere, abaixo, o programa em LADDER.

A expressão lógica simplificada equivalente é:
Provas
Analise a estrutura semicondutora e o seu modelo equivalente abaixo.

Trata-se de um
Provas
Um contator possui quatro contatos auxiliares cujos terminais são codificados pelos números 21, 41, 22, 42, 13, 33, 14 e 34. Identifica corretamente esses contatos:
Provas
Caderno Container