Foram encontradas 20.445 questões.
O circuito abaixo representa uma porta lógica de duas entradas e uma saída. Cada uma das chaves, A e B, corresponde a uma entrada, que será 1 (um) na posição fechada e 0 (zero) na posição aberta.

A Lâmpada L será a saída e assumirá o valor 1 (um) se estiver acesa e 0 (zero), se apagada. A porta lógica que esse circuito está representando é

A Lâmpada L será a saída e assumirá o valor 1 (um) se estiver acesa e 0 (zero), se apagada. A porta lógica que esse circuito está representando é
Provas
Questão presente nas seguintes provas
Considere as seguintes afirmativas a respeito de estabilidade de sistemas:
I. O sistema é estável se tiver qualquer polo na parte real positiva.
II. O sistema é estável se, quando sujeito a uma entrada impulso, a saída tende a zero à medida que o tempo tende ao infinito.
III. O sistema é criticamente estável se qualquer polo tiver a parte real nula.
Assinale - se
I. O sistema é estável se tiver qualquer polo na parte real positiva.
II. O sistema é estável se, quando sujeito a uma entrada impulso, a saída tende a zero à medida que o tempo tende ao infinito.
III. O sistema é criticamente estável se qualquer polo tiver a parte real nula.
Assinale - se
Provas
Questão presente nas seguintes provas
- Diodo na Engenharia Eletrônica
- Eletrônica Analógica na Engenharia Eletrônica
- Eletrônica de Potência na Engenharia Eletrônica
- Tiristor
O esquema eletrônico abaixo apresenta um dispositivo de disparo utilizando SCR. A tensão e corrente de gatilho para esse esquema devem ser de 2 V e 150 mA respectivamente.

A potência elétrica dissipada no resistor de 100 ? para que a fonte E atenda a essas condições é de

A potência elétrica dissipada no resistor de 100 ? para que a fonte E atenda a essas condições é de
Provas
Questão presente nas seguintes provas
As memórias são compostas de um determinado número de células, em que cada uma pode armazenar parte de uma informação. Cada célula tem um endereço pelo qual os programas a referencia. A memória apresentada abaixo possui 7 células com 12 bits.

O endereço utilizado para acessar essa memória necessita no mínimo de

O endereço utilizado para acessar essa memória necessita no mínimo de
Provas
Questão presente nas seguintes provas
Considere as afirmativas abaixo a respeito de um sistema de segunda ordem com relação à análise de resposta transitória.
Situações
I. Subamortecido
II. Criticamente Amortecido
III. Sobreamortecido
Características
1. Dois polos reais e distintos. O sistema se aproxima do comportamento de um sistema de 1a ordem com o aumento do fator de amortecimento.
2. Dois polos reais e iguais. O sistema passa a não ter mais oscilações a partir do valor de fator de amortecimento igual à unidade.
3. O sistema apresenta oscilações e possui dois polos complexos conjugados.
A associação correta das situações com suas respectivas características é
Situações
I. Subamortecido
II. Criticamente Amortecido
III. Sobreamortecido
Características
1. Dois polos reais e distintos. O sistema se aproxima do comportamento de um sistema de 1a ordem com o aumento do fator de amortecimento.
2. Dois polos reais e iguais. O sistema passa a não ter mais oscilações a partir do valor de fator de amortecimento igual à unidade.
3. O sistema apresenta oscilações e possui dois polos complexos conjugados.
A associação correta das situações com suas respectivas características é
Provas
Questão presente nas seguintes provas
Considere as afirmativas abaixo a respeito de um sistema de comunicação.
Elementos
I. Sinal Digital
II. Transmissão
III. Modulação
Definições
1. Processo de transformação do sinal de informação da fonte em um sinal compatível com as propriedades de transferência do canal de comunicação.
2. Processo em que o sinal transmitido apresenta características do canal de comunicação, a fim de minimizar os efeitos das interferências.
3. Sinal representado por uma sequência de dois tipos de pulsos que ocorrem em intervalos regulares.
A associação correta entre os elementos que integram esse sistema com as suas respectivas definições é
Elementos
I. Sinal Digital
II. Transmissão
III. Modulação
Definições
1. Processo de transformação do sinal de informação da fonte em um sinal compatível com as propriedades de transferência do canal de comunicação.
2. Processo em que o sinal transmitido apresenta características do canal de comunicação, a fim de minimizar os efeitos das interferências.
3. Sinal representado por uma sequência de dois tipos de pulsos que ocorrem em intervalos regulares.
A associação correta entre os elementos que integram esse sistema com as suas respectivas definições é
Provas
Questão presente nas seguintes provas
Muitas interfaces de potência utilizam relés de estado sólido (SSR). Esses dispositivos apresentam
Provas
Questão presente nas seguintes provas
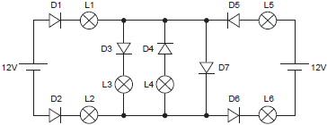
Considere o circuito dado a seguir sabendo-se que as lâmpadas acendem quando submetidas a uma tensão entre 3V e 12V.

Nestas condições, estão acesas APENAS as lâmpadas
Provas
Questão presente nas seguintes provas
No circuito abaixo, considere que os diodos retificadores são ideais, e que a tensão de ruptura do diodo zener é de 5,0 V.
Sabendo-se que a forma de onda da tensão VS aplicada ao circuito apresenta o aspecto mostrado na Figura acima, qual é a forma de onda que melhor representa a corrente IZ no diodo zener?
Sabendo-se que a forma de onda da tensão VS aplicada ao circuito apresenta o aspecto mostrado na Figura acima, qual é a forma de onda que melhor representa a corrente IZ no diodo zener?
Provas
Questão presente nas seguintes provas
No estágio de amplificação de potência apresentado abaixo, os transistores Q1 e Q2 apresentam |VBE| = 0,7 V e ganho β = 50.
Durante a operação desse amplificador, a máxima potência eficaz RMS, em watts, que pode ser transferida para a carga é
Durante a operação desse amplificador, a máxima potência eficaz RMS, em watts, que pode ser transferida para a carga é
Provas
Questão presente nas seguintes provas
Cadernos
Caderno Container