Foram encontradas 658 questões.
Considere o Esquema de uma Malha de Controle de Automação abaixo.

O diagrama da malha ilustrado na figura representa uma condição de controle de
Provas
Provas
Provas
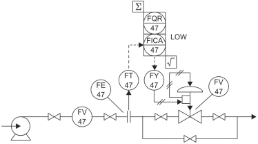
Considere a malha de controle de vazão abaixo.

O arranjo típico de instrumentos de pressão ilustrado é constituído de
Provas
Considere a frase abaixo.
The filling nozzle is carried by a moving vertical rod driven by a stepper motor.
O termo The filling nozzle, tem como tradução:
Provas
Provas
Considere a figura abaixo.
Shaft hub with compensating auto rolling of coils.
A tradução do termo constante da frase compensating auto rolling of coils é:
Provas
Provas
A CPU de um controlador lógico programável realiza todas as operações lógicas da automação a ser executada e ainda é responsável por diversas outras funções como comunicação, diagnósticos e execução do sistema operacional de tempo real do CLP. A velocidade de processamento da CPU é um fator que requer atenção, pois está diretamente ligada a fatores como:
I. Número de pontos de entrada e saída, apenas analógicos.
II. Tamanho do programa a ser executado.
III. Quantidade de loops e cálculos matemáticos necessários na aplicação.
IV. Velocidade de resposta requerida.
Está correto o que conta de
Provas
Provas
Caderno Container