Foram encontradas 4.782 questões.
O veículo que apresenta desgaste em uma das bordas do pneu, indica:
I. Que as rodas estão desalinhadas.
II. Que a pressão dos pneus está maior do que a recomendada.
III. Que a pressão dos pneus está menor do que a recomendada.
IV. Que as rodas estão desbalanceadas.
II. Que a pressão dos pneus está maior do que a recomendada.
III. Que a pressão dos pneus está menor do que a recomendada.
IV. Que as rodas estão desbalanceadas.
Está(ão) CORRETA(S):
Provas
Questão presente nas seguintes provas
O sistema de freios é fator fundamental da segurança do trânsito, entre recursos, finalidades, atuações, sistemas. Diante do quadro abaixo, observemos que:
Freio de marcha Freio
ou serviço: Estacionário:
| I. Finalidade | Diminuir velocidade. Parar o veículo. | Imobilizar o veículo. |
| II. Atuação | Nas duas rodas traseiras. | Nas quatro rodas. |
| III. Sistema | Mecânico. | Elétrico. |
| IV. Recursos | Tambor a disco. | Tambor a disco. |
No quadro acima, os itens corretos são:
Provas
Questão presente nas seguintes provas
Sobre os óleos e lubrificantes, é CORRETO afirmar:
Provas
Questão presente nas seguintes provas
As molas helicoidais seguram o carro, funcionando como um elemento elástico; porém, se o sistema de suspensão só tivesse molas, o automóvel não teria conforto. Nesse sentido, os amortecedores existem para diminuir as vibrações causadas pelas molas. Contudo, amortecedor sem pressão acaba forçando a mola; por isso um depende do outro. Um teste simples para verificar se os amortecedores estão atuando de forma correta é pressionar o carro para baixo, esperando que ele:
I. Suba uma vez e pare.
II. Suba e desça suavemente várias vezes.
III. Não ceda à pressão sofrida.
IV. Este teste não permite que se verifique a condição do amortecedor.
II. Suba e desça suavemente várias vezes.
III. Não ceda à pressão sofrida.
IV. Este teste não permite que se verifique a condição do amortecedor.
Está(ão) CORRETA(S):
Provas
Questão presente nas seguintes provas
Qual(is) dos componentes de um motor apresentados a seguir admite(m) retifica?
I. Cabeçote.
II. Virabrequim.
III. Pistões.
IV. Bronzinas.
II. Virabrequim.
III. Pistões.
IV. Bronzinas.
Está(ão) CORRETA(S):
Provas
Questão presente nas seguintes provas
O sistema elétrico dos veículos afeta diretamente a segurança, pois dele depende o bom funcionamento dos faróis, das luzes de sinalização, da buzina, bem como o bom funcionamento do motor. Sobre os itens e respectivas definições que fazem parte do sistema elétrico, marque a alternativa INCORRETA:
Provas
Questão presente nas seguintes provas
Qual(is) dos componentes abaixo serve(m) para transmitir a força do sistema de transmissão para as rodas e, ao mesmo tempo, permitir que as rodas girem mesmo em direções diferentes?
I. Junta homocinética.
II. Eixo piloto.
III. Eixo planetário.
IV. Junta cinética.
II. Eixo piloto.
III. Eixo planetário.
IV. Junta cinética.
Está(ão) CORRETA(S):
Provas
Questão presente nas seguintes provas
Em uma viagem você percebe que, ao utilizar o freio motor, a velocidade do veículo não diminui. Sobre a possível causa desse problema é CORRETO afirmar:
Provas
Questão presente nas seguintes provas
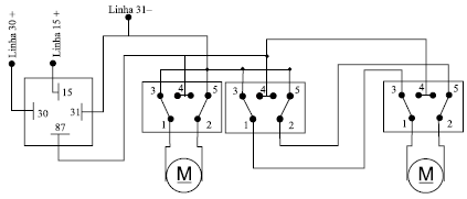
O esquema mostra o circuito do(a)

Provas
Questão presente nas seguintes provas
Ao ser desamassada, toda peça de lataria apresenta alguma imperfeição, embora o trabalho seja realizado por um ótimo funileiro. Para corrigir imperfeições, qual dos produtos abaixo deverá ser usado?
Provas
Questão presente nas seguintes provas
Cadernos
Caderno Container