Foram encontradas 4.782 questões.
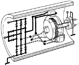
A figura mostra o esquema básico de um

Provas
Questão presente nas seguintes provas
Os amortecedores são importantes componentes do sistema de suspensão. Eles têm por função
Provas
Questão presente nas seguintes provas
Os manuais dos veículos informam sobre os quilômetros recomendados para cada intervalo de troca. É importante, então diferenciar o tipo de serviço do veículo. Por exemplo, os veículos de passeio, utilizados principalmente em viagens, realizam que tipo de serviço?
I. Leve.
II. Moderado.
III. Severo.
IV. Qualquer tipo de serviço.
II. Moderado.
III. Severo.
IV. Qualquer tipo de serviço.
Está(ão) CORRETA(S):
Provas
Questão presente nas seguintes provas
Os números que aparecem nas embalagens dos óleos lubrificantes automotivos (30, 40, 20 W/40 etc.) correspondem à classificação da SAE (Society of Automotive Engineers), que se baseia na viscosidade dos óleos a 100°C, apresentando duas escalas: uma de baixa temperatura e outra de alta.
Dado esse contexto, afirma-se:
I. Quanto maior o número, maior a viscosidade.
II. Quanto maior o número, menor a viscosidade.
III. Quanto maior o grau, menor a temperatura.
IV. Quanto menor o grau, menor a temperatura.
II. Quanto maior o número, menor a viscosidade.
III. Quanto maior o grau, menor a temperatura.
IV. Quanto menor o grau, menor a temperatura.
Está(ão) CORRETA(S):
Provas
Questão presente nas seguintes provas
A imagem dos componentes elétricos apresentada refere-se à


Provas
Questão presente nas seguintes provas
Conforme o automóvel foi evoluindo, o carburador, dispositivo que fornece combustível ao motor, foi-se mostrando limitado para a realização de algumas tarefas, como atender às leis de emissão de poluentes e consumo de combustível. A partir da década de 80, todos os carros produzidos no Brasil passaram a apresentar sistemas de injeção de combustível multiponto, alguns deles inclusive com injeção sequencial.
Considerando esse contexto, identifique, entre as siglas abaixo, aquela que representa o sistema de injeção sequencial.
Provas
Questão presente nas seguintes provas
Lonas e tambores, pastilhas e discos são elementos de desgaste natural, cuja substituição periódica é previsível. Deve-se procurar assistência especializada sempre que
Provas
Questão presente nas seguintes provas
Os freios de serviço de algumas máquinas modernas, são alimentados por dois acumuladores, um para cada circuito para frear a máquina em caso de falhas. Está contido dentro desses acumuladores:
Provas
Questão presente nas seguintes provas
Alguns veículos 4X4 possuem um sistema de eixo traseiro, que, apresenta um sistema de rolamentos responsável por sustentar o peso do veículo. Caso a ponta de eixo quebre, este sistema (o de rolamento) mantém a roda no lugar, e é possível rodar com o veiculo utilizando a tração dianteira. Esse sistema de eixo traseiro é identificado como:
I. Eixo flutuante.
II. Eixo diferencial.
III. Eixo semiflutuante.
IV. Eixo diferencial central.
II. Eixo diferencial.
III. Eixo semiflutuante.
IV. Eixo diferencial central.
É CORRETO afirmar:
Provas
Questão presente nas seguintes provas
O hábito da manutenção preventiva e periódica de automóveis gera economia e evita acidentes de trânsito. Você mesmo pode observar o funcionamento de seu veículo, seja pelas indicações do painel, ou por uma inspeção visual simples, devendo fazer a seguintes verificações, EXCETO:
Provas
Questão presente nas seguintes provas
Cadernos
Caderno Container