Foram encontradas 70 questões.
Disciplina: Engenharia de Automação
Banca: CESGRANRIO
Orgão: BR Distribuidora
Em condições ideais, um compensador do tipo PID em ação Proporcional-Integral-Derivativa permite introduzir, no ramo direto de um sistema de controle,
Provas
Disciplina: Engenharia Mecatrônica
Banca: CESGRANRIO
Orgão: BR Distribuidora
A elevação de uma carga de 1,5 kN é realizada por um circuito hidráulico que utiliza um atuador linear cuja área do pistão é de 20 cm2. Um manômetro é instalado na linha do circuito para monitorar a pressão.
Nas condições de elevação da carga a uma velocidade constante e desprezando-se as perdas de carga na linha, a indicação da pressão do manômetro, em kPa, é de
Provas
Disciplina: Engenharia de Produção
Banca: CESGRANRIO
Orgão: BR Distribuidora
Solicitaram a um administrador de rede de uma fábrica que verificasse se tal rede estava em condições de suportar a introdução de uma planta de automação industrial.
Uma das características que essa rede precisa ter para funcionar nesse ambiente de automação é:
Provas
Disciplina: Engenharia Mecatrônica
Banca: CESGRANRIO
Orgão: BR Distribuidora

O componente representado simbolicamente na Figura acima é uma válvula
Provas

A Figura acima apresenta três possibilidades de acionamento de um motor de corrente contínua através de uma ponte H, nas quais os
Provas
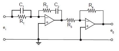
Disciplina: Engenharia de Automação
Banca: CESGRANRIO
Orgão: BR Distribuidora

O circuito analógico da Figura acima corresponde a um
Provas
Disciplina: Engenharia Mecatrônica
Banca: CESGRANRIO
Orgão: BR Distribuidora
Em sistemas de controle de atitude e trajetória de veículos em geral (aéreos, terrestre e outros) são geralmente empregadas as IMU (Unidades de Medida Inercial), compostas fundamentalmente por:
Provas
Disciplina: Engenharia Mecatrônica
Banca: CESGRANRIO
Orgão: BR Distribuidora
Um sensor de deslocamentos que realiza medidas na faixa de 10 mm a 50 mm indica o valor de 25 mm.
O intervalo provável do valor real, considerando uma exatidão de 1% do fundo de escala, é
Provas
Disciplina: Engenharia de Automação
Banca: CESGRANRIO
Orgão: BR Distribuidora
Quando a malha aberta de um sistema de controle é oscilatória, recomenda-se verificar o comportamento da malha fechada empregando inicialmente um controlador do tipo
Provas
Disciplina: Engenharia de Automação
Banca: CESGRANRIO
Orgão: BR Distribuidora
O método do Lugar Geométrico das Raízes NÃO pode ser empregado na
Provas
Caderno Container